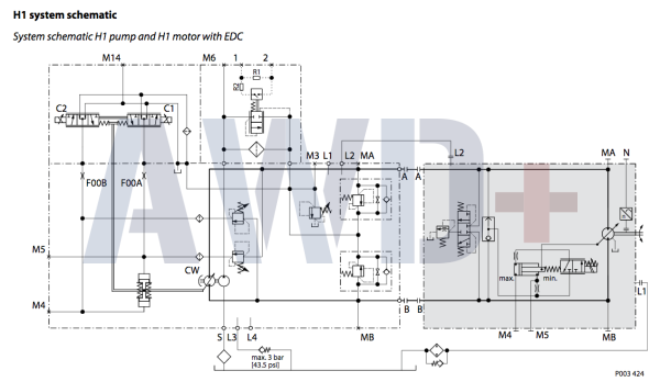
Гидростатические моторы и насосы серии H1 могут применяться вместе или по отдельности с оборудованием других производителей. Двигатели переменного рабочего объема серии H1 имеют конструкцию с изогнутой осью и оснащены сферическими поршнями.
Мотор H1B250 предназначен для работы с устройствами в системах с замкнутым контуром. Двигатели серии H1 имеют большое соотношение максимального/минимального перемещения 5:1 и высокую выходную скорость. Расширенная функция нулевого рабочего объема в сочетании с высокопроизводительным максимальным углом наклона 32 градуса создает возможности для легкого повышения производительности машины.
Рабочий объем мотора 250 см3.
Номинальная и максимальная частота вращения мотора H1B250 зависит от рабочего объема.
Гидромоторы серии H1-B-250 запускаются при максимальном рабочем объеме. Это обеспечивает максимальный пусковой момент при высоком ускорении.
Моторы Серии H1 Danfoss применяются в ГСТ (гидростатической трансмиссии) на таких машинах как бульдозер, экскаватор,трубоукладчик, мини-погрузчик, ратрак, а так же на приводе тяговой лебедки и в буровых установках.
| Артикул | Полный код | Полный код |
| 83014851 | H1-B-250-A-A-M1-CA-N-A-RE-VC-PS-S-B-50-NP-080-N-00-N07 | H1B250AAM1CANAREVCPSSB50NP080N00N07 |
| 83016031 | H1-B-250-A-A-L1-BA-N-B-PB-VS-FS-S-A-30-NP-080-N-00-NNN | H1B250AAL1BANBPBVSFSSA30NP080N00NNN |
| 83017616 | H1-B-250-A-A-L1-BA-N-A-PA-VS-FS-S-B-50-NP-050-N-00-NNN | H1B250AAL1BANAPAVSFSSB50NP050N00NNN |
| 83017751 | H1-B-250-A-A-L2-BA-N-B-PA-VS-DS-S-A-20-NP-055-N-00-NNN | H1B250AAL2BANBPAVSDSSA20NP055N00NNN |
| 83019227 | H1-B-250-A-A-K2-K2-N-B-RB-VS-FS-S-A-30-NP-168-N-30-NNN | H1B250AAK2K2NBRBVSFSSA30NP168N30NNN |
| 83019230 | H1-B-250-A-A-L2-BB-N-N-PA-VS-FS-S-A-30-NP-070-N-00-N05 | H1B250AAL2BBNNPAVSFSSA30NP070N00N05 |
| 83020006 | H1-B-250-A-A-M2-CA-N-B-RA-VS-DS-S-A-30-NP-MB0-N-00-NNN | H1B250AAM2CANBRAVSDSSA30NPMB0N00NNN |
| 83020462 | H1-B-250-A-A-L2-BA-N-B-PA-VS-DS-S-A-30-NP-078-N-00-N08 | H1B250AAL2BANBPAVSDSSA30NP078N00N08 |
| 83021338 | H1-B-250-A-A-L2-BA-N-B-PB-VS-FS-P-A-15-NP-085-N-00-NNN | H1B250AAL2BANBPBVSFSPA15NP085N00NNN |
| 83021667 | H1-B-250-A-A-L2-BA-N-B-PB-VS-FS-S-A-20-NP-085-N-00-NNN | H1B250AAL2BANBPBVSFSSA20NP085N00NNN |
| 83022905 | H1-B-250-A-A-NA-NR-N-N-PA-VS-FS-P-A-30-NP-050-N-00-0NN | H1B250AANANRNNPAVSFSPA30NP050N000NN |
| 83022906 | H1-B-250-A-A-NA-NR-N-N-PB-VS-DS-P-A-30-NP-050-N-00-0NN | H1B250AANANRNNPBVSDSPA30NP050N000NN |
| 83023259 | H1-B-250-A-A-D2-MA-N-A-PB-VN-FN-N-A-20-NP-050-N-16-NNN | H1B250AAD2MANAPBVNFNNA20NP050N16NNN |
| 83023274 | H1-B-250-A-A-D2-MA-N-A-PB-VN-FN-N-A-20-NP-050-E-16-NNN | H1B250AAD2MANAPBVNFNNA20NP050E16NNN |
| 83023349 | H1-B-250-A-A-M2-CA-N-C-RB-VS-DS-S-A-20-NP-068-N-00-NNN | H1B250AAM2CANCRBVSDSSA20NP068N00NNN |
| 83023542 | H1-B-250-A-A-L2-BA-N-B-PA-VS-FS-S-A-20-NP-070-N-00-NNN | H1B250AAL2BANBPAVSFSSA20NP070N00NNN |
| 83023724 | H1-B-250-A-A-E1-AA-N-B-TB-VS-DS-S-A-20-NN-070-Z-00-NNN | H1B250AAE1AANBTBVSDSSA20NN070Z00NNN |
| 83023965 | H1-B-250-A-A-L2-BB-N-N-PA-VS-FS-S-A-30-NP-050-N-00-N05 | H1B250AAL2BBNNPAVSFSSA30NP050N00N05 |
| 83024261 | H1-B-250-A-A-K1-K1-N-B-RA-VS-DS-S-A-15-NP-078-N-28-NNN | H1B250AAK1K1NBRAVSDSSA15NP078N28NNN |
| 83024262 | H1-B-250-A-A-L2-BA-N-A-PA-VS-DS-S-A-30-NP-078-N-00-N08 | H1B250AAL2BANAPAVSDSSA30NP078N00N08 |
| 83024672 | H1-B-250-A-A-L1-BA-N-A-PA-VS-FS-S-B-50-NP-MB0-C-00-NNN | H1B250AAL1BANAPAVSFSSB50NPMB0C00NNN |
| 83024882 | H1-B-250-A-A-D2-M2-N-B-PA-VS-FS-S-A-30-NP-050-N-25-NNN | H1B250AAD2M2NBPAVSFSSA30NP050N25NNN |
| 83025008 | H1-B-250-A-A-L1-BA-N-B-PB-VS-FS-S-A-20-NP-118-N-00-NNN | H1B250AAL1BANBPBVSFSSA20NP118N00NNN |
| 83025242 | H1-B-250-A-A-T2-D2-N-B-TB-VN-FN-N-A-30-NN-082-Z-28-NNN | H1B250AAT2D2NBTBVNFNNA30NN082Z28NNN |
| 83025289 | H1-B-250-A-A-K1-K1-N-B-RA-VS-FS-S-A-20-NP-087-N-29-NNN | H1B250AAK1K1NBRAVSFSSA20NP087N29NNN |
| 83028083 | H1-B-250-A-A-L2-BA-N-A-PA-VS-FS-S-N-NN-NP-000-N-00-NNN | H1B250AAL2BANAPAVSFSSNNNNP000N00NNN |
| 83028092 | H1-B-250-A-A-D2-MA-N-A-PA-VS-FS-B-N-NN-NP-060-C-28-N03 | H1B250AAD2MANAPAVSFSBNNNNP060C28N03 |
| 83028224 | H1-B-250-A-A-D2-MA-N-B-PA-VN-DN-N-A-30-NP-125-N-25-NNN | H1B250AAD2MANBPAVNDNNA30NP125N25NNN |
| 83028285 | H1-B-250-A-A-T1-DA-N-A-TA-VS-DS-P-A-20-NN-125-Z-25-NNN | H1B250AAT1DANATAVSDSPA20NN125Z25NNN |
| 83028487 | H1-B-250-A-A-T2-D2-N-C-TA-VS-DS-S-A-20-NN-090-Z-30-NNN | H1B250AAT2D2NCTAVSDSSA20NN090Z30NNN |
| 83028974 | H1-B-250-A-A-HF-HF-N-B-TB-VN-FN-N-A-20-NN-050-Z-00-NNN | H1B250AAHFHFNBTBVNFNNA20NN050Z00NNN |
| 83029174 | H1-B-250-A-A-K1-K1-N-B-RA-VS-FS-S-A-20-NP-050-N-25-NNN | H1B250AAK1K1NBRAVSFSSA20NP050N25NNN |
| 83029210 | H1-B-250-A-A-L1-BA-N-A-PA-VS-DS-S-N-NN-NP-125-N-00-NNN | H1B250AAL1BANAPAVSDSSNNNNP125N00NNN |
| 83029272 | H1-B-250-A-A-D2-M2-N-A-PB-VS-DS-S-A-30-NP-082-N-30-NNN | H1B250AAD2M2NAPBVSDSSA30NP082N30NNN |
| 83029476 | H1-B-250-A-A-L2-BA-N-A-PA-VS-DS-S-A-30-NP-050-N-00-NNN | H1B250AAL2BANAPAVSDSSA30NP050N00NNN |
| 83029494 | H1-B-250-A-A-T2-DA-N-A-TB-VN-DN-N-A-30-NN-080-Z-20-NNN | H1B250AAT2DANATBVNDNNA30NN080Z20NNN |
| 83029706 | H1-B-250-A-A-L1-BA-N-A-PA-VC-PS-S-B-50-NP-080-N-00-NNN | H1B250AAL1BANAPAVCPSSB50NP080N00NNN |
| 83029820 | H1-B-250-A-A-HE-HE-N-B-TB-VN-FN-N-A-20-NN-168-Z-00-NNN | H1B250AAHEHENBTBVNFNNA20NN168Z00NNN |
| 83029940 | H1-B-250-A-A-T1-DA-N-B-TA-VN-FN-N-A-20-NN-085-Z-30-NNN | H1B250AAT1DANBTAVNFNNA20NN085Z30NNN |
| 83030172 | H1-B-250-A-A-TA-DA-N-B-TB-VN-FN-N-A-20-NN-053-Z-20-NNN | H1B250AATADANBTBVNFNNA20NN053Z20NNN |
| 83030490 | H1-B-250-A-A-L2-BA-N-A-PA-VN-FN-N-N-NN-NP-100-N-00-NNN | H1B250AAL2BANAPAVNFNNNNNNP100N00NNN |
| 83030769 | H1-B-250-A-A-TA-DA-N-B-TB-VN-FN-N-A-20-NN-108-Z-25-NNN | H1B250AATADANBTBVNFNNA20NN108Z25NNN |
| 83030774 | H1-B-250-A-A-M2-CA-N-A-RA-VS-DS-S-A-30-NP-052-N-00-NNN | H1B250AAM2CANARAVSDSSA30NP052N00NNN |
| 83031813 | H1-B-250-A-A-L1-BA-N-B-PA-VS-DS-S-B-40-NP-MB0-C-00-NNN | H1B250AAL1BANBPAVSDSSB40NPMB0C00NNN |
| 83032231 | H1-B-250-A-A-TA-DA-N-B-TB-VN-FN-N-A-20-NN-168-Z-17-NNN | H1B250AATADANBTBVNFNNA20NN168Z17NNN |
| 83032487 | H1-B-250-A-A-NB-NT-N-N-TB-VN-DN-N-A-20-NN-000-Z-00-NNN | H1B250AANBNTNNTBVNDNNA20NN000Z00NNN |
| 83032489 | H1-B-250-A-A-L2-BB-N-N-PA-VS-FS-S-A-20-NP-050-N-00-N05 | H1B250AAL2BBNNPAVSFSSA20NP050N00N05 |
| 83032509 | H1-B-250-A-A-D2-MA-N-C-PB-VS-DS-S-A-20-NP-080-N-30-NNN | H1B250AAD2MANCPBVSDSSA20NP080N30NNN |
| 83033040 | H1-B-250-A-A-L2-BA-N-A-PA-VS-DS-S-A-30-NP-073-C-00-N08 | H1B250AAL2BANAPAVSDSSA30NP073C00N08 |
| 83033345 | H1-B-250-A-A-D2-M2-N-B-PB-VS-FS-S-A-30-NP-000-N-27-NNN | H1B250AAD2M2NBPBVSFSSA30NP000N27NNN |
| 83033470 | H1-B-250-A-A-HE-HE-N-B-TB-VS-DS-P-A-30-NN-168-Z-00-N12 | H1B250AAHEHENBTBVSDSPA30NN168Z00N12 |
| 83034013 | H1-B-250-A-A-E2-AA-N-B-TA-VN-FN-N-A-20-NN-075-Q-00-NNN | H1B250AAE2AANBTAVNFNNA20NN075Q00NNN |
| 83034018 | H1-B-250-A-A-E1-AA-N-B-TB-VS-FS-B-B-40-NN-050-Z-00-NNN | H1B250AAE1AANBTBVSFSBB40NN050Z00NNN |
| 83034104 | H1-B-250-A-A-L2-BA-N-B-PB-VN-DN-N-A-20-NP-110-N-00-NNN | H1B250AAL2BANBPBVNDNNA20NP110N00NNN |
| 83034161 | H1-B-250-A-A-E2-AA-N-B-TB-VN-FN-N-A-20-NN-100-R-00-NNN | H1B250AAE2AANBTBVNFNNA20NN100R00NNN |
| 83034185 | H1-B-250-A-A-E2-AA-N-B-TA-VN-FN-N-A-20-NN-075-S-00-NNN | H1B250AAE2AANBTAVNFNNA20NN075S00NNN |
| 83034226 | H1-B-250-A-A-L2-BA-N-B-PB-VS-DS-B-B-40-NP-100-N-00-NNN | H1B250AAL2BANBPBVSDSBB40NP100N00NNN |
| 83034592 | H1-B-250-A-A-L2-BA-N-A-PA-VS-DS-S-A-20-NP-065-N-00-NNN | H1B250AAL2BANAPAVSDSSA20NP065N00NNN |
| 83034604 | H1-B-250-A-A-NB-NT-N-N-TA-VS-FS-P-N-NN-NN-000-Z-00-0NN | H1B250AANBNTNNTAVSFSPNNNNN000Z000NN |
| 83034605 | H1-B-250-A-A-NB-NT-N-N-TB-VS-FS-P-N-NN-NN-000-Z-00-0NN | H1B250AANBNTNNTBVSFSPNNNNN000Z000NN |
| 83034627 | H1-B-250-A-A-T2-D2-N-B-TB-VN-DN-N-A-30-NN-160-Z-25-NNN | H1B250AAT2D2NBTBVNDNNA30NN160Z25NNN |
| 83034680 | H1-B-250-A-A-K2-K2-N-B-RB-VN-DN-N-A-30-NP-060-N-25-NNN | H1B250AAK2K2NBRBVNDNNA30NP060N25NNN |
| 83035354 | H1-B-250-A-A-HE-HE-N-B-TB-VN-DN-N-N-NN-NN-050-Z-00-NNN | H1B250AAHEHENBTBVNDNNNNNNN050Z00NNN |
| 83035503 | H1-B-250-A-A-L2-BA-N-B-PB-VN-FN-N-A-20-NP-110-C-00-NNN | H1B250AAL2BANBPBVNFNNA20NP110C00NNN |
| 83035695 | H1-B-250-A-A-D2-MA-N-A-PB-VS-DS-S-A-30-NP-105-N-28-NNN | H1B250AAD2MANAPBVSDSSA30NP105N28NNN |
| 83036249 | H1-B-250-A-A-D2-M2-N-B-PA-VS-DS-S-A-20-NP-060-N-30-NNN | H1B250AAD2M2NBPAVSDSSA20NP060N30NNN |
| 83036844 | H1-B-250-A-A-NB-NT-N-N-TB-VS-FS-S-N-NN-NN-000-Z-00-NNN | H1B250AANBNTNNTBVSFSSNNNNN000Z00NNN |
| 83036961 | H1-B-250-A-A-NB-NT-N-N-TB-VN-DN-N-A-20-NN-050-Z-00-NNN | H1B250AANBNTNNTBVNDNNA20NN050Z00NNN |
| 83037006 | H1-B-250-A-A-T1-DA-N-B-TB-VT-FS-B-A-30-NN-068-Z-25-NNN | H1B250AAT1DANBTBVTFSBA30NN068Z25NNN |
| 83037318 | H1-B-250-A-A-D2-MA-N-B-PB-VS-DS-S-A-30-NP-050-N-26-NNN | H1B250AAD2MANBPBVSDSSA30NP050N26NNN |
| 83037924 | H1-B-250-A-A-HE-HE-N-A-TB-VN-DN-N-A-20-NN-MB0-Z-00-NNN | H1B250AAHEHENATBVNDNNA20NNMB0Z00NNN |
| 83038142 | H1-B-250-A-A-T2-D2-N-B-TB-VN-DN-N-A-20-NN-080-Z-30-NNN | H1B250AAT2D2NBTBVNDNNA20NN080Z30NNN |
| 83038245 | H1-B-250-A-A-L1-BA-N-A-PA-VS-DS-S-A-30-NP-052-N-00-NNN | H1B250AAL1BANAPAVSDSSA30NP052N00NNN |
| 83038429 | H1-B-250-A-A-M2-CA-N-A-RA-VN-DN-N-N-NN-NP-MB0-N-00-NNN | H1B250AAM2CANARAVNDNNNNNNPMB0N00NNN |
| 83038471 | H1-B-250-A-A-D2-M2-N-A-PB-VS-DS-B-A-30-NP-112-N-26-NNN | H1B250AAD2M2NAPBVSDSBA30NP112N26NNN |
| 83038545 | H1-B-250-A-A-HE-HE-N-B-TB-VS-DS-S-A-20-NN-169-S-00-NNN | H1B250AAHEHENBTBVSDSSA20NN169S00NNN |
| 83038633 | H1-B-250-A-A-L2-BA-N-A-PA-VS-DS-S-A-30-NP-MB0-N-00-N21 | H1B250AAL2BANAPAVSDSSA30NPMB0N00N21 |
| 83038708 | H1-B-250-A-A-D2-M2-N-B-PB-VS-DS-S-A-20-NP-115-N-24-NNN | H1B250AAD2M2NBPBVSDSSA20NP115N24NNN |
| 83038739 | H1-B-250-A-A-L2-BA-N-B-PB-VN-FN-N-A-20-NP-125-N-00-NNN | H1B250AAL2BANBPBVNFNNA20NP125N00NNN |
| 83038800 | H1-B-250-A-A-E2-AA-N-B-TB-VN-DN-N-B-40-NN-050-Z-00-NNN | H1B250AAE2AANBTBVNDNNB40NN050Z00NNN |
| 83039366 | H1-B-250-A-A-TA-DA-N-B-TA-VS-FS-P-A-15-NN-095-T-37-NNN | H1B250AATADANBTAVSFSPA15NN095T37NNN |
| 83039459 | H1-B-250-A-A-L1-BA-N-B-PB-VS-FS-S-A-20-NP-055-N-00-NNN | H1B250AAL1BANBPBVSFSSA20NP055N00NNN |
| 83039591 | H1-B-250-A-A-L2-BA-N-B-PA-VS-DS-S-A-30-NP-070-N-00-NNN | H1B250AAL2BANBPAVSDSSA30NP070N00NNN |
| 83039596 | H1-B-250-A-A-L2-BA-N-B-PB-VS-FS-S-A-30-NP-050-N-00-NNN | H1B250AAL2BANBPBVSFSSA30NP050N00NNN |
| 83039636 | H1-B-250-A-A-L1-BA-N-B-PA-VS-FS-S-A-20-NP-055-N-00-NNN | H1B250AAL1BANBPAVSFSSA20NP055N00NNN |
| 83039641 | H1-B-250-A-A-F2-EA-N-B-TA-VN-FN-N-N-NN-NN-107-T-00-NNN | H1B250AAF2EANBTAVNFNNNNNNN107T00NNN |
| 83039799 | H1-B-250-A-A-HF-HF-N-B-TB-VN-FN-N-A-30-NN-078-Z-00-N03 | H1B250AAHFHFNBTBVNFNNA30NN078Z00N03 |
| 83039800 | H1-B-250-A-A-HF-HF-N-B-TB-VN-FN-N-A-15-NN-064-Z-00-N03 | H1B250AAHFHFNBTBVNFNNA15NN064Z00N03 |
| 83039801 | H1-B-250-A-A-HF-HF-N-B-TB-VN-FN-N-A-20-NN-078-Z-00-N03 | H1B250AAHFHFNBTBVNFNNA20NN078Z00N03 |
| 83039869 | H1-B-250-A-A-LH-BA-E-B-PB-VS-FS-P-A-15-NP-085-N-00-NNN | H1B250AALHBAEBPBVSFSPA15NP085N00NNN |
| 83040041 | H1-B-250-A-A-HE-HE-N-B-TB-VN-DN-N-A-30-NN-100-Z-00-NNN | H1B250AAHEHENBTBVNDNNA30NN100Z00NNN |
| 83040232 | H1-B-250-A-A-M1-CA-N-B-RB-VS-DS-B-A-20-NP-MB0-N-00-NNN | H1B250AAM1CANBRBVSDSBA20NPMB0N00NNN |
| 83040319 | H1-B-250-A-A-L2-BB-N-N-PF-VS-FS-S-A-30-NP-050-N-00-N05 | H1B250AAL2BBNNPFVSFSSA30NP050N00N05 |
| 83040348 | H1-B-250-A-A-T2-DA-N-B-TB-VS-FS-B-A-30-NN-058-Z-22-NNN | H1B250AAT2DANBTBVSFSBA30NN058Z22NNN |
| 83040401 | H1-B-250-A-A-L2-BJ-N-A-PA-VS-DS-S-A-30-NP-090-N-00-N08 | H1B250AAL2BJNAPAVSDSSA30NP090N00N08 |
| 83040559 | H1-B-250-A-A-NB-NT-N-N-TB-VN-DN-N-A-30-NN-050-Z-00-NNN | H1B250AANBNTNNTBVNDNNA30NN050Z00NNN |
| 83040752 | H1-B-250-A-A-T2-D2-N-B-TA-VN-FN-N-A-30-NN-100-Z-25-NNN | H1B250AAT2D2NBTAVNFNNA30NN100Z25NNN |
| 83040753 | H1-B-250-A-A-T2-D2-N-B-TA-VS-FS-S-A-30-NN-100-Z-25-NNN | H1B250AAT2D2NBTAVSFSSA30NN100Z25NNN |
| 83040974 | H1-B-250-A-A-L1-BA-N-B-PB-VN-FN-N-A-20-NP-050-N-00-NNN | H1B250AAL1BANBPBVNFNNA20NP050N00NNN |
| 83041112 | H1-B-250-A-A-L2-BA-N-A-PA-VS-FS-B-A-20-NP-070-N-00-NNN | H1B250AAL2BANAPAVSFSBA20NP070N00NNN |
| 83041166 | H1-B-250-A-A-LH-BA-D-B-PA-VN-FN-N-N-NN-NP-168-N-00-NNN | H1B250AALHBADBPAVNFNNNNNNP168N00NNN |
| 83041609 | H1-B-250-A-A-HE-HE-N-B-TA-VN-DN-N-B-30-NN-120-Z-00-NNN | H1B250AAHEHENBTAVNDNNB30NN120Z00NNN |
| 83041906 | H1-B-250-A-A-E2-AA-N-B-TB-VN-FN-N-A-20-NN-100-Z-00-NNN | H1B250AAE2AANBTBVNFNNA20NN100Z00NNN |
| 83042514 | H1-B-250-A-A-E1-AA-N-A-TB-VN-FN-N-A-20-NN-050-R-00-NNN | H1B250AAE1AANATBVNFNNA20NN050R00NNN |
| 83042726 | H1-B-250-A-A-TH-HC-N-B-TB-VN-FN-N-A-15-NN-072-Z-30-NNN | H1B250AATHHCNBTBVNFNNA15NN072Z30NNN |
| 83042897 | H1-B-250-A-A-D2-M2-N-A-PB-VS-DS-B-A-30-SP-112-N-30-NNN | H1B250AAD2M2NAPBVSDSBA30SP112N30NNN |
| 83042933 | H1-B-250-A-A-T2-DA-N-A-TB-VS-FS-B-A-20-NN-050-Z-30-NNN | H1B250AAT2DANATBVSFSBA20NN050Z30NNN |
| 83043020 | H1-B-250-A-A-F2-EA-N-B-TB-VN-DN-N-A-30-NN-050-Z-00-NNN | H1B250AAF2EANBTBVNDNNA30NN050Z00NNN |
| 83043023 | H1-B-250-A-A-T2-DA-N-B-TA-VN-FN-N-A-30-NN-085-Z-30-NNN | H1B250AAT2DANBTAVNFNNA30NN085Z30NNN |
| 83043027 | H1-B-250-A-A-NB-NT-N-N-TB-VS-DS-P-A-30-NN-050-Z-00-NNN | H1B250AANBNTNNTBVSDSPA30NN050Z00NNN |
| 83043418 | H1-B-250-A-A-D2-M2-N-A-PA-VS-DS-S-A-30-NP-082-N-27-NNN | H1B250AAD2M2NAPAVSDSSA30NP082N27NNN |
| 83044050 | H1-B-250-A-A-L2-BB-N-N-PF-VS-FS-S-A-20-NP-050-N-00-N05 | H1B250AAL2BBNNPFVSFSSA20NP050N00N05 |
| 83044336 | H1-B-250-A-A-L2-BA-N-A-PB-VS-FS-S-B-20-NP-MB0-N-00-NNN | H1B250AAL2BANAPBVSFSSB20NPMB0N00NNN |
| 83044446 | H1-B-250-A-A-L1-BA-N-A-PA-VS-DS-S-A-30-NP-065-N-00-NNN | H1B250AAL1BANAPAVSDSSA30NP065N00NNN |
| 83044623 | H1-B-250-A-A-D2-M2-N-A-PB-VS-DS-S-A-30-NP-082-N-30-N18 | H1B250AAD2M2NAPBVSDSSA30NP082N30N18 |
| 83044745 | H1-B-250-A-A-T2-D2-N-B-TA-VN-DN-N-A-30-NN-105-Z-25-NNN | H1B250AAT2D2NBTAVNDNNA30NN105Z25NNN |
| 83044804 | H1-B-250-A-A-TA-DA-N-B-TB-VN-DN-N-B-20-NN-169-Z-25-NNN | H1B250AATADANBTBVNDNNB20NN169Z25NNN |
| 83045077 | H1-B-250-A-A-T1-BD-N-B-TB-VT-FS-S-A-30-NN-068-Z-25-NNN | H1B250AAT1BDNBTBVTFSSA30NN068Z25NNN |
| 83045101 | H1-B-250-A-A-T2-BD-N-B-TB-VS-FS-B-A-30-NN-058-Z-22-NNN | H1B250AAT2BDNBTBVSFSBA30NN058Z22NNN |
| 83045296 | H1-B-250-A-A-TA-DA-N-B-TA-VS-FS-P-A-15-NN-074-T-37-NNN | H1B250AATADANBTAVSFSPA15NN074T37NNN |
| 83045443 | H1-B-250-A-A-L2-BA-N-A-PA-VS-FS-S-N-NN-NP-050-N-00-NNN | H1B250AAL2BANAPAVSFSSNNNNP050N00NNN |
| 83045449 | H1-B-250-A-A-L1-BA-N-B-PB-VS-DS-B-A-15-NP-050-N-00-NNN | H1B250AAL1BANBPBVSDSBA15NP050N00NNN |
| 83045573 | H1-B-250-A-A-LH-BA-J-B-PB-VS-FS-P-N-NN-NP-050-N-00-NNN | H1B250AALHBAJBPBVSFSPNNNNP050N00NNN |
| 83045732 | H1-B-250-A-A-L2-BA-N-B-PB-VS-FS-S-N-NN-NP-085-N-00-NNN | H1B250AAL2BANBPBVSFSSNNNNP085N00NNN |
| 83045836 | H1-B-250-A-A-TA-DA-N-C-TB-VN-DN-N-N-NN-NN-075-Z-20-NNN | H1B250AATADANCTBVNDNNNNNNN075Z20NNN |
| 83045851 | H1-B-250-A-A-M1-CA-N-B-RB-VS-DS-B-A-10-NP-MB0-N-00-NNN | H1B250AAM1CANBRBVSDSBA10NPMB0N00NNN |
| 83045870 | H1-B-250-A-A-T2-D2-N-B-TB-VS-FS-S-A-30-NN-110-Z-25-NNN | H1B250AAT2D2NBTBVSFSSA30NN110Z25NNN |
| 83046006 | H1-B-250-A-A-D2-M2-N-A-PA-VS-DS-S-A-30-NP-103-N-27-N18 | H1B250AAD2M2NAPAVSDSSA30NP103N27N18 |
| 83046093 | H1-B-250-A-A-LH-BA-F-B-PB-VN-FN-N-A-30-NP-053-N-00-NNN | H1B250AALHBAFBPBVNFNNA30NP053N00NNN |
| 83046217 | H1-B-250-A-A-L1-BA-N-B-PB-VS-DS-S-A-20-NP-090-N-00-NNN | H1B250AAL1BANBPBVSDSSA20NP090N00NNN |
| 83046286 | H1-B-250-A-A-L1-BA-N-B-PB-VS-DS-S-A-20-NP-090-N-00-N06 | H1B250AAL1BANBPBVSDSSA20NP090N00N06 |
| 83046544 | H1-B-250-A-A-HE-HE-N-B-TB-VN-DN-N-A-30-NN-MB0-Z-00-NNN | H1B250AAHEHENBTBVNDNNA30NNMB0Z00NNN |
| 83046549 | H1-B-250-A-A-E2-AA-N-B-TB-VN-FN-N-N-NN-NN-133-Z-00-NNN | H1B250AAE2AANBTBVNFNNNNNNN133Z00NNN |
| 83046679 | H1-B-250-A-M-L1-BA-N-B-PA-VS-DS-S-B-40-NP-000-N-00-NNN | H1B250AML1BANBPAVSDSSB40NP000N00NNN |
| 83047213 | H1-B-250-A-A-E2-AA-N-B-TB-VN-FN-N-A-20-NN-160-Z-00-NNN | H1B250AAE2AANBTBVNFNNA20NN160Z00NNN |
| 83047487 | H1-B-250-A-A-L1-BA-N-A-PA-VS-DS-S-B-50-NP-080-N-00-NNN | H1B250AAL1BANAPAVSDSSB50NP080N00NNN |
| 83047605 | H1-B-250-A-A-D1-MA-N-B-PB-VS-FS-P-A-20-NP-050-N-32-NNN | H1B250AAD1MANBPBVSFSPA20NP050N32NNN |
| 83047849 | H1-B-250-A-A-DH-MA-G-B-PB-VN-DN-N-A-10-NP-050-N-25-NNN | H1B250AADHMAGBPBVNDNNA10NP050N25NNN |
| 83048451 | H1-B-250-A-A-LH-BA-E-B-PB-VS-FS-P-A-20-NP-MB0-N-00-NNN | H1B250AALHBAEBPBVSFSPA20NPMB0N00NNN |
| 83048510 | H1-B-250-A-A-LH-BA-E-B-PA-VN-FN-N-A-20-NP-050-N-00-NNN | H1B250AALHBAEBPAVNFNNA20NP050N00NNN |
| 83048741 | H1-B-250-A-M-HE-HE-N-B-TA-VN-DN-N-A-10-NN-100-Z-00-NNN | H1B250AMHEHENBTAVNDNNA10NN100Z00NNN |
| 83048854 | H1-B-250-A-A-TH-HA-N-B-TB-VN-FN-N-N-NN-NN-070-Z-28-NNN | H1B250AATHHANBTBVNFNNNNNNN070Z28NNN |
| 83049053 | H1-B-250-A-A-LH-BA-K-B-PB-VN-DN-N-A-30-NP-050-N-00-NNN | H1B250AALHBAKBPBVNDNNA30NP050N00NNN |
| 83049111 | H1-B-250-A-A-T2-DA-N-A-TB-VN-DN-N-A-20-NN-105-Z-25-NNN | H1B250AAT2DANATBVNDNNA20NN105Z25NNN |
| 83049112 | H1-B-250-A-A-T2-DA-N-A-TB-VN-DN-N-A-20-NN-100-Z-25-NNN | H1B250AAT2DANATBVNDNNA20NN100Z25NNN |
| 83049115 | H1-B-250-A-A-M2-CA-N-A-RA-VN-DN-N-A-30-NP-050-N-00-NNN | H1B250AAM2CANARAVNDNNA30NP050N00NNN |
| 83049122 | H1-B-250-A-A-T2-DA-N-A-TB-VS-DS-S-A-20-NN-105-Z-25-NNN | H1B250AAT2DANATBVSDSSA20NN105Z25NNN |
| 83049705 | H1-B-250-A-A-M2-CA-N-B-RB-VS-DS-B-A-10-NP-MB0-N-00-NNN | H1B250AAM2CANBRBVSDSBA10NPMB0N00NNN |
| 83049743 | H1-B-250-A-A-P2-D2-N-B-TA-VS-DS-S-A-30-NN-150-Z-24-NNN | H1B250AAP2D2NBTAVSDSSA30NN150Z24NNN |
| 83049794 | H1-B-250-A-A-LH-BA-D-B-PA-VN-DN-N-A-20-NP-053-N-00-NNN | H1B250AALHBADBPAVNDNNA20NP053N00NNN |
| 83049803 | H1-B-250-A-A-L2-BA-N-B-PB-VN-FN-N-A-20-NP-075-N-00-NNN | H1B250AAL2BANBPBVNFNNA20NP075N00NNN |
| 83049841 | H1-B-250-A-A-LH-BA-F-B-PA-VN-DN-N-A-20-NP-053-N-00-NNN | H1B250AALHBAFBPAVNDNNA20NP053N00NNN |
| 83049909 | H1-B-250-A-A-LH-BA-F-B-PA-VN-DN-N-A-10-NP-053-N-00-NNN | H1B250AALHBAFBPAVNDNNA10NP053N00NNN |
| 83050192 | H1-B-250-A-A-TH-HA-N-B-TA-VN-DN-N-A-20-NN-160-Z-20-NNN | H1B250AATHHANBTAVNDNNA20NN160Z20NNN |
| 83050331 | H1-B-250-A-A-L2-BA-N-B-PA-VN-DN-N-A-20-NP-060-N-00-NNN | H1B250AAL2BANBPAVNDNNA20NP060N00NNN |
| 83050347 | H1-B-250-A-A-NB-NT-N-N-TB-VN-FN-N-A-20-NN-169-Z-00-NNN | H1B250AANBNTNNTBVNFNNA20NN169Z00NNN |
| 83050354 | H1-B-250-A-A-NB-NT-N-N-TA-VN-FN-N-N-NN-NN-169-S-00-NNN | H1B250AANBNTNNTAVNFNNNNNNN169S00NNN |
| 83050549 | H1-B-250-A-A-L2-BA-N-B-PA-VS-FS-S-A-20-NP-MB0-N-00-NNN | H1B250AAL2BANBPAVSFSSA20NPMB0N00NNN |
| 83050646 | H1-B-250-A-A-TA-DA-N-B-TA-VN-FN-N-A-20-NN-074-Z-20-NNN | H1B250AATADANBTAVNFNNA20NN074Z20NNN |
| 83051162 | H1-B-250-A-A-M1-CA-N-N-RA-VS-FS-S-N-NN-NP-MB0-N-00-NNN | H1B250AAM1CANNRAVSFSSNNNNPMB0N00NNN |
| 83051163 | H1-B-250-A-A-L1-BA-N-N-PA-VS-FS-S-B-50-NP-MB0-N-00-NNN | H1B250AAL1BANNPAVSFSSB50NPMB0N00NNN |
| 83051247 | H1-B-250-A-A-T2-D2-N-B-TB-VN-FN-N-A-20-NN-080-Z-26-NNN | H1B250AAT2D2NBTBVNFNNA20NN080Z26NNN |
| 83051391 | H1-B-250-A-A-D1-MA-N-B-PB-VS-FS-S-A-20-NP-050-N-30-NNN | H1B250AAD1MANBPBVSFSSA20NP050N30NNN |
| 83052137 | H1-B-250-A-A-T2-DA-N-A-TB-VN-DN-N-A-20-NN-105-S-25-NNN | H1B250AAT2DANATBVNDNNA20NN105S25NNN |
| 83052292 | H1-B-250-A-A-L1-BA-N-B-PB-VS-DS-S-N-NN-NP-169-N-00-NNN | H1B250AAL1BANBPBVSDSSNNNNP169N00NNN |
| 83052556 | H1-B-250-A-A-TA-DA-N-A-TA-VN-FN-N-A-20-NN-054-Z-16-NNN | H1B250AATADANATAVNFNNA20NN054Z16NNN |
| 83052760 | H1-B-250-A-M-L1-BA-N-A-PA-VS-DS-S-B-40-NP-MB0-N-00-NNN | H1B250AML1BANAPAVSDSSB40NPMB0N00NNN |
| 83052881 | H1-B-250-A-A-KH-KH-H-B-RB-VS-FS-S-A-10-NP-050-N-32-NNN | H1B250AAKHKHHBRBVSFSSA10NP050N32NNN |
| 83053383 | H1-B-250-A-A-TH-HA-N-B-TA-VS-DS-S-A-20-NN-110-Z-20-NNN | H1B250AATHHANBTAVSDSSA20NN110Z20NNN |
| 83053599 | H1-B-250-A-M-L2-BC-N-N-PF-VS-FS-S-A-30-NP-050-N-00-N05 | H1B250AML2BCNNPFVSFSSA30NP050N00N05 |
| 83053698 | H1-B-250-A-A-E2-AA-N-B-TA-VN-DN-N-N-NN-NN-083-Z-00-NNN | H1B250AAE2AANBTAVNDNNNNNNN083Z00NNN |
| 83054383 | H1-B-250-A-A-TA-DA-N-B-TB-VN-FN-N-A-30-NN-085-Z-24-NNN | H1B250AATADANBTBVNFNNA30NN085Z24NNN |
| 83054751 | H1-B-250-A-A-HE-HE-N-B-TB-VN-FN-N-A-30-NN-168-Z-00-NNN | H1B250AAHEHENBTBVNFNNA30NN168Z00NNN |
| 83054829 | H1-B-250-A-A-MH-CA-D-B-RA-VN-FN-N-N-NN-NP-168-N-00-NNN | H1B250AAMHCADBRAVNFNNNNNNP168N00NNN |
| 83054843 | H1-B-250-A-A-HE-HE-N-A-TB-VS-FS-B-A-20-NN-050-Z-00-NNN | H1B250AAHEHENATBVSFSBA20NN050Z00NNN |
| 83054932 | H1-B-250-A-A-L2-BA-N-B-PB-VN-FN-N-A-20-NP-050-N-00-NNN | H1B250AAL2BANBPBVNFNNA20NP050N00NNN |
| 83054956 | H1-B-250-A-A-T2-DA-N-A-TB-VS-DS-B-A-30-NN-080-Z-20-NNN | H1B250AAT2DANATBVSDSBA30NN080Z20NNN |
| 83055030 | H1-B-250-A-A-TA-DA-N-B-TB-VN-FN-N-A-15-NN-072-Z-30-NNN | H1B250AATADANBTBVNFNNA15NN072Z30NNN |
| 83055031 | H1-B-250-A-A-TA-DA-N-B-TB-VN-FN-N-A-20-NN-074-Z-20-NNN | H1B250AATADANBTBVNFNNA20NN074Z20NNN |
| 83055085 | H1-B-250-A-A-D2-M2-N-B-PA-VN-FN-N-A-20-NP-140-N-18-NNN | H1B250AAD2M2NBPAVNFNNA20NP140N18NNN |
| 83055323 | H1-B-250-A-A-D2-MA-N-A-PA-VN-DN-N-A-20-NP-000-N-37-NNN | H1B250AAD2MANAPAVNDNNA20NP000N37NNN |
| 83055417 | H1-B-250-A-A-E2-AA-N-A-TA-VS-FS-B-N-NN-NN-060-Z-00-NNN | H1B250AAE2AANATAVSFSBNNNNN060Z00NNN |
| 83055515 | H1-B-250-A-A-T2-DA-N-B-TA-VN-DN-N-A-20-NN-142-Z-30-NNN | H1B250AAT2DANBTAVNDNNA20NN142Z30NNN |
| 83055542 | H1-B-250-A-A-L1-BA-N-A-PA-VS-DS-S-A-30-NP-MB0-N-00-NNN | H1B250AAL1BANAPAVSDSSA30NPMB0N00NNN |
| 83055578 | H1-B-250-A-A-L1-BA-N-A-PA-VS-DS-S-A-10-NP-MB0-N-00-NNN | H1B250AAL1BANAPAVSDSSA10NPMB0N00NNN |
| 83055616 | H1-B-250-A-A-TH-HB-N-B-TA-VN-FN-N-A-20-NN-169-Z-19-NNN | H1B250AATHHBNBTAVNFNNA20NN169Z19NNN |
| 83055863 | H1-B-250-A-A-L2-BA-N-B-PB-VS-FS-S-A-30-NP-115-N-00-NNN | H1B250AAL2BANBPBVSFSSA30NP115N00NNN |
| 83055998 | H1-B-250-A-A-E2-AA-N-B-TB-VS-FS-B-A-20-NN-100-Z-00-NNN | H1B250AAE2AANBTBVSFSBA20NN100Z00NNN |
| 83056111 | H1-B-250-A-A-LH-BA-K-B-PA-VN-DN-N-A-20-NP-050-N-00-NNN | H1B250AALHBAKBPAVNDNNA20NP050N00NNN |
| 83056329 | H1-B-250-A-A-L2-BA-N-B-PA-VS-DS-S-B-50-NP-MB0-N-00-NNN | H1B250AAL2BANBPAVSDSSB50NPMB0N00NNN |
| 83056469 | H1-B-250-A-A-E2-AA-N-A-TB-VS-FS-S-A-30-NN-103-Z-00-NNN | H1B250AAE2AANATBVSFSSA30NN103Z00NNN |
| 83056752 | H1-B-250-A-A-L2-BA-N-A-PA-VN-DN-N-A-20-NP-MB0-N-00-NNN | H1B250AAL2BANAPAVNDNNA20NPMB0N00NNN |
| 83056843 | H1-B-250-A-A-LH-BA-I-B-PA-VN-FN-N-A-20-NP-050-N-00-NNN | H1B250AALHBAIBPAVNFNNA20NP050N00NNN |
| 83056892 | H1-B-250-A-A-L2-BA-N-B-PB-VS-FS-S-A-30-NP-065-N-00-NNN | H1B250AAL2BANBPBVSFSSA30NP065N00NNN |
| 83057321 | H1-B-250-A-A-NB-NT-N-N-TA-VN-DN-N-A-20-NN-000-Z-00-NNN | H1B250AANBNTNNTAVNDNNA20NN000Z00NNN |
| 83057428 | H1-B-250-A-A-LH-BA-K-B-PB-VN-FN-N-A-30-NP-050-N-00-NNN | H1B250AALHBAKBPBVNFNNA30NP050N00NNN |
| 83057454 | H1-B-250-A-A-NB-NT-N-N-TB-VS-DS-S-A-20-NN-000-Z-00-NNN | H1B250AANBNTNNTBVSDSSA20NN000Z00NNN |
| 83057632 | H1-B-250-A-A-DH-MA-I-A-PB-VN-FN-N-N-NN-NP-140-N-17-NNN | H1B250AADHMAIAPBVNFNNNNNNP140N17NNN |
| 83057793 | H1-B-250-A-A-T2-D2-N-B-TB-VN-DN-N-A-30-NN-158-Z-25-NNN | H1B250AAT2D2NBTBVNDNNA30NN158Z25NNN |
| 83058053 | H1-B-250-A-A-TA-DA-N-B-TA-VN-DN-N-N-NN-NN-125-Z-18-NNN | H1B250AATADANBTAVNDNNNNNNN125Z18NNN |
| 83058054 | H1-B-250-A-A-TA-DA-N-B-TA-VN-DN-N-N-NN-NN-088-Z-16-NNN | H1B250AATADANBTAVNDNNNNNNN088Z16NNN |
| 83058141 | H1-B-250-A-A-M1-CA-N-A-RA-VN-DN-N-B-50-NP-080-N-00-N07 | H1B250AAM1CANARAVNDNNB50NP080N00N07 |
| 83059207 | H1-B-250-A-A-M2-CA-N-B-RB-VS-DS-P-A-20-NP-MB0-N-00-N12 | H1B250AAM2CANBRBVSDSPA20NPMB0N00N12 |
| 83059456 | H1-B-250-A-A-D1-MA-N-B-PB-VS-FS-P-A-30-NP-050-N-30-NNN | H1B250AAD1MANBPBVSFSPA30NP050N30NNN |
| 83059460 | H1-B-250-A-A-TA-DA-N-B-TB-VS-FS-P-B-20-NN-072-Z-20-NNN | H1B250AATADANBTBVSFSPB20NN072Z20NNN |
| 83059511 | H1-B-250-A-A-TA-DA-N-B-TA-VS-FS-P-A-15-NN-083-T-28-NNN | H1B250AATADANBTAVSFSPA15NN083T28NNN |
| 83059919 | H1-B-250-A-A-LH-BA-J-B-PB-VS-DS-P-N-NN-NP-050-N-00-NNN | H1B250AALHBAJBPBVSDSPNNNNP050N00NNN |
| 83060268 | H1-B-250-A-A-NB-NT-N-N-TB-VN-FN-N-A-20-NN-050-Z-00-NNN | H1B250AANBNTNNTBVNFNNA20NN050Z00NNN |
| 83060420 | H1-B-250-A-A-L2-BA-N-B-PB-VS-FS-S-B-20-NP-060-N-00-NNN | H1B250AAL2BANBPBVSFSSB20NP060N00NNN |
| 83060472 | H1-B-250-A-A-TH-HC-N-B-TB-VN-FN-N-A-20-NN-072-Z-30-N26 | H1B250AATHHCNBTBVNFNNA20NN072Z30N26 |
| 83060546 | H1-B-250-A-A-HE-HE-N-A-TA-VN-DN-N-N-NN-NN-160-Z-00-NNN | H1B250AAHEHENATAVNDNNNNNNN160Z00NNN |
| 83060547 | H1-B-250-A-A-E2-AA-N-C-TA-VN-DN-N-N-NN-NN-050-Z-00-NNN | H1B250AAE2AANCTAVNDNNNNNNN050Z00NNN |
| 83060574 | H1-B-250-A-A-E2-AA-N-C-TA-VN-DN-N-N-NN-NN-100-Z-00-NNN | H1B250AAE2AANCTAVNDNNNNNNN100Z00NNN |
| 83060575 | H1-B-250-A-A-K2-K2-N-B-RB-VS-DS-B-B-20-NP-060-N-25-NNN | H1B250AAK2K2NBRBVSDSBB20NP060N25NNN |
| 83060578 | H1-B-250-A-A-TA-DA-N-B-TB-VN-FN-N-A-20-NN-055-Z-25-NNN | H1B250AATADANBTBVNFNNA20NN055Z25NNN |
| 83060658 | H1-B-250-A-A-E2-AA-N-B-TB-VN-FN-N-N-NN-NN-125-Z-00-NNN | H1B250AAE2AANBTBVNFNNNNNNN125Z00NNN |
| 83060740 | H1-B-250-A-A-HE-HE-N-B-TB-VS-DS-B-A-30-NN-050-Z-00-NNN | H1B250AAHEHENBTBVSDSBA30NN050Z00NNN |
| 83060840 | H1-B-250-A-A-TA-DA-N-B-TA-VN-DN-N-N-NN-NN-088-Z-16-0NN | H1B250AATADANBTAVNDNNNNNNN088Z160NN |
| 83060858 | H1-B-250-A-A-TA-DA-N-B-TA-VN-DN-N-N-NN-NN-125-Z-18-0NN | H1B250AATADANBTAVNDNNNNNNN125Z180NN |
| 83060916 | H1-B-250-A-A-K2-K2-N-A-RA-VS-FS-S-A-50-NP-053-N-30-NNN | H1B250AAK2K2NARAVSFSSA50NP053N30NNN |
| 83061273 | H1-B-250-A-A-L1-BA-N-B-PB-VS-DS-S-N-NN-NP-MB0-N-00-NNN | H1B250AAL1BANBPBVSDSSNNNNPMB0N00NNN |
| 83061332 | H1-B-250-A-A-T1-D1-N-B-TB-VS-FS-S-A-20-NN-050-Z-20-NNN | H1B250AAT1D1NBTBVSFSSA20NN050Z20NNN |
| 83061566 | H1-B-250-A-A-HE-HE-N-B-TB-VN-FN-N-B-40-NN-140-R-00-NNN | H1B250AAHEHENBTBVNFNNB40NN140R00NNN |
| 83062060 | H1-B-250-A-A-HE-HE-N-A-TB-VN-FN-N-A-20-NN-075-Z-00-NNN | H1B250AAHEHENATBVNFNNA20NN075Z00NNN |
| 83062146 | H1-B-250-A-A-TA-DA-N-B-TB-VN-FN-N-A-20-NN-085-Z-24-NNN | H1B250AATADANBTBVNFNNA20NN085Z24NNN |
| 83062379 | H1-B-250-A-A-N2-NN-N-N-TB-VN-FN-N-A-15-NN-050-Z-00-NNN | H1B250AAN2NNNNTBVNFNNA15NN050Z00NNN |
| 83062724 | H1-B-250-A-A-K2-K2-N-B-RA-VS-DS-S-A-20-NP-150-N-29-NNN | H1B250AAK2K2NBRAVSDSSA20NP150N29NNN |
| 83062753 | H1-B-250-A-A-DH-MA-G-B-PB-VN-DN-N-A-10-NP-050-N-26-NNN | H1B250AADHMAGBPBVNDNNA10NP050N26NNN |
| 83062769 | H1-B-250-A-A-TA-DA-N-C-TB-VN-FN-N-A-20-NN-085-Z-24-NNN | H1B250AATADANCTBVNFNNA20NN085Z24NNN |
| 83062901 | H1-B-250-A-A-MH-CA-I-B-RB-VS-DS-S-N-NN-NP-050-N-00-NNN | H1B250AAMHCAIBRBVSDSSNNNNP050N00NNN |
| 83063022 | H1-B-250-A-A-L2-BA-N-A-PA-VS-FS-B-N-NN-NP-050-N-00-NNN | H1B250AAL2BANAPAVSFSBNNNNP050N00NNN |
| 83063386 | H1-B-250-A-A-E2-AA-N-B-TB-VN-DN-N-N-NN-NN-050-Z-00-NNN | H1B250AAE2AANBTBVNDNNNNNNN050Z00NNN |
| 83063406 | H1-B-250-A-A-L2-BA-N-B-PA-VN-DN-N-N-NN-NP-050-N-00-NNN | H1B250AAL2BANBPAVNDNNNNNNP050N00NNN |
| 83063415 | H1-B-250-A-A-DH-MH-K-B-PB-VN-FN-N-A-20-NP-115-N-23-NNN | H1B250AADHMHKBPBVNFNNA20NP115N23NNN |
| 83063867 | H1-B-250-A-A-L2-BA-N-B-PB-VS-DS-S-A-20-NP-MB0-N-00-NNN | H1B250AAL2BANBPBVSDSSA20NPMB0N00NNN |
| 83063872 | H1-B-250-A-A-DH-MH-B-B-PB-VS-FS-S-B-30-NP-144-N-25-NNN | H1B250AADHMHBBPBVSFSSB30NP144N25NNN |
| 83064179 | H1-B-250-A-A-T1-D1-N-B-TB-VS-DS-B-A-20-NN-107-Z-28-NNN | H1B250AAT1D1NBTBVSDSBA20NN107Z28NNN |
| 83064794 | H1-B-250-A-M-L1-BC-N-N-PF-VD-LS-D-B-50-NP-MB0-N-00-N05 | H1B250AML1BCNNPFVDLSDB50NPMB0N00N05 |
| 83064945 | H1-B-250-A-A-TA-DA-N-C-TB-VN-FN-N-A-20-NN-085-Z-23-NNN | H1B250AATADANCTBVNFNNA20NN085Z23NNN |
| 83065065 | H1-B-250-A-A-K2-K2-N-B-RA-VS-DS-S-A-20-NP-075-N-24-NNN | H1B250AAK2K2NBRAVSDSSA20NP075N24NNN |
| 83065088 | H1-B-250-A-A-L2-BA-N-B-PB-VN-DN-N-N-NN-NP-050-N-00-NNN | H1B250AAL2BANBPBVNDNNNNNNP050N00NNN |
| 83065109 | H1-B-250-A-A-D2-MA-N-A-PA-VN-DN-N-A-20-NP-169-N-37-NNN | H1B250AAD2MANAPAVNDNNA20NP169N37NNN |
| 83065110 | H1-B-250-A-A-E1-AA-N-B-TB-VN-DN-N-N-NN-NN-085-Z-00-NNN | H1B250AAE1AANBTBVNDNNNNNNN085Z00NNN |
| 83065111 | H1-B-250-A-A-M2-CA-N-A-RA-VS-DS-P-N-NN-NP-MB0-N-00-NNN | H1B250AAM2CANARAVSDSPNNNNPMB0N00NNN |
| 83065146 | H1-B-250-A-A-D2-MA-N-A-PA-VN-DN-N-A-20-NP-140-N-37-NNN | H1B250AAD2MANAPAVNDNNA20NP140N37NNN |
| 83065826 | H1-B-250-A-A-M2-CA-N-A-RB-VN-DN-N-N-NN-NP-MB0-N-00-NNN | H1B250AAM2CANARBVNDNNNNNNPMB0N00NNN |
| 83066039 | H1-B-250-A-A-LH-BA-E-B-PB-VN-DN-N-A-30-NP-112-N-00-NNN | H1B250AALHBAEBPBVNDNNA30NP112N00NNN |
| 83066375 | H1-B-250-A-A-L2-BA-N-B-PB-VS-FS-S-B-20-NP-063-N-00-NNN | H1B250AAL2BANBPBVSFSSB20NP063N00NNN |
| 83066518 | H1-B-250-A-A-D2-M2-N-B-PB-VS-FS-B-B-20-NP-080-N-26-NNN | H1B250AAD2M2NBPBVSFSBB20NP080N26NNN |
| 83066571 | H1-B-250-A-A-K2-K2-N-B-RB-VS-FS-B-A-20-NP-080-N-24-NNN | H1B250AAK2K2NBRBVSFSBA20NP080N24NNN |
| 83066671 | H1-B-250-A-A-P1-D1-N-A-TA-VS-DS-S-A-30-NN-052-Z-24-NNN | H1B250AAP1D1NATAVSDSSA30NN052Z24NNN |
| 83066693 | H1-B-250-A-A-P1-D1-N-A-TA-VS-DS-S-A-30-NN-065-Z-24-NNN | H1B250AAP1D1NATAVSDSSA30NN065Z24NNN |
| 83066701 | H1-B-250-A-A-E2-AA-N-A-TB-VN-DN-N-B-20-NN-169-Z-00-NNN | H1B250AAE2AANATBVNDNNB20NN169Z00NNN |
| 83066843 | H1-B-250-A-A-D2-MA-N-A-PA-VN-DN-N-A-20-NP-090-N-37-NNN | H1B250AAD2MANAPAVNDNNA20NP090N37NNN |
| 83067135 | H1-B-250-A-A-K2-KA-N-B-RB-VS-FS-B-A-20-NP-080-N-24-NNN | H1B250AAK2KANBRBVSFSBA20NP080N24NNN |
| 83067632 | H1-B-250-A-A-L1-BA-N-B-PB-VS-FS-P-N-NN-NP-050-N-00-NNN | H1B250AAL1BANBPBVSFSPNNNNP050N00NNN |
| 83067834 | H1-B-250-A-A-L2-BA-N-B-PA-VS-DS-P-A-30-NP-120-N-00-NNN | H1B250AAL2BANBPAVSDSPA30NP120N00NNN |
| 83067872 | H1-B-250-A-A-TA-DA-N-B-TB-VN-FN-N-N-NN-NN-160-Z-30-NNN | H1B250AATADANBTBVNFNNNNNNN160Z30NNN |
| 83068117 | H1-B-250-A-A-TA-DA-N-A-TB-VN-DN-N-A-30-NN-169-R-30-NNN | H1B250AATADANATBVNDNNA30NN169R30NNN |
| 83068307 | H1-B-250-A-A-TA-DA-N-B-TB-VN-FN-N-N-NN-NN-050-S-29-NNN | H1B250AATADANBTBVNFNNNNNNN050S29NNN |
| 83068331 | H1-B-250-A-A-TA-DA-N-B-TB-VN-FN-N-A-20-NN-125-Z-18-NNN | H1B250AATADANBTBVNFNNA20NN125Z18NNN |
| 83068608 | H1-B-250-A-A-LH-BA-K-B-PB-VN-FN-N-N-NN-NP-050-N-00-NNN | H1B250AALHBAKBPBVNFNNNNNNP050N00NNN |
| 83068787 | H1-B-250-A-A-E2-AA-N-A-TB-VS-DS-B-A-20-NN-109-Z-00-NNN | H1B250AAE2AANATBVSDSBA20NN109Z00NNN |
| 83068850 | H1-B-250-A-A-LH-BA-I-B-PB-VN-FN-N-N-NN-NP-050-N-00-NNN | H1B250AALHBAIBPBVNFNNNNNNP050N00NNN |
| 83069015 | H1-B-250-A-A-E2-AA-N-B-TB-VN-FN-N-A-20-NN-095-S-00-NNN | H1B250AAE2AANBTBVNFNNA20NN095S00NNN |
| 83069317 | H1-B-250-A-A-T2-D2-N-B-TA-VS-DS-S-A-20-NN-107-Z-21-NNN | H1B250AAT2D2NBTAVSDSSA20NN107Z21NNN |
| 83069318 | H1-B-250-A-A-T2-G2-N-B-TA-VS-DS-S-A-20-NN-107-Z-21-NNN | H1B250AAT2G2NBTAVSDSSA20NN107Z21NNN |
| 83069337 | H1-B-250-A-A-E2-AA-N-A-TA-VS-FS-S-A-20-NN-120-Z-00-NNN | H1B250AAE2AANATAVSFSSA20NN120Z00NNN |
| 83069640 | H1-B-250-A-A-HE-HE-N-B-TB-VN-FN-N-A-30-NN-066-Z-00-NNN | H1B250AAHEHENBTBVNFNNA30NN066Z00NNN |
| 83069642 | H1-B-250-A-A-HE-HE-N-B-TB-VN-DN-N-A-20-NN-169-Q-00-NNN | H1B250AAHEHENBTBVNDNNA20NN169Q00NNN |
| 83069688 | H1-B-250-A-A-HE-HE-N-B-TB-VN-FN-N-A-20-NN-066-Z-00-NNN | H1B250AAHEHENBTBVNFNNA20NN066Z00NNN |
| 83069840 | H1-B-250-A-A-NB-NT-N-N-TA-VN-DN-N-A-30-NN-000-Z-00-NNN | H1B250AANBNTNNTAVNDNNA30NN000Z00NNN |
| 83071842 | H1-B-250-A-A-L2-BA-N-A-PA-VS-DS-P-A-20-NP-160-N-00-NNN | H1B250AAL2BANAPAVSDSPA20NP160N00NNN |
| 83072253 | H1-B-250-A-A-D2-MA-N-A-PA-VN-DN-N-N-NN-NP-050-N-30-NNN | H1B250AAD2MANAPAVNDNNNNNNP050N30NNN |
| 83072326 | H1-B-250-A-A-L2-BA-N-A-PA-VS-DS-P-B-15-NP-160-N-00-NNN | H1B250AAL2BANAPAVSDSPB15NP160N00NNN |
| 83072336 | H1-B-250-A-A-L2-BA-N-A-PA-VS-DS-S-A-20-NP-070-N-00-NNN | H1B250AAL2BANAPAVSDSSA20NP070N00NNN |
| 83072426 | H1-B-250-A-A-T2-DA-N-A-TB-VN-DN-N-B-20-NN-105-S-25-NNN | H1B250AAT2DANATBVNDNNB20NN105S25NNN |
| 83072600 | H1-B-250-A-A-HE-HE-N-A-TA-VS-FS-S-A-30-NN-MB0-Z-00-NNN | H1B250AAHEHENATAVSFSSA30NNMB0Z00NNN |
| 83072888 | H1-B-250-A-A-L1-BA-N-A-PA-VS-DS-S-A-20-NP-070-N-00-NNN | H1B250AAL1BANAPAVSDSSA20NP070N00NNN |
| 83072979 | H1-B-250-A-A-D1-M1-N-B-PB-VS-DS-P-N-NN-NP-053-N-25-NNN | H1B250AAD1M1NBPBVSDSPNNNNP053N25NNN |
| 83073023 | H1-B-250-A-A-TA-DA-N-B-TA-VN-FN-N-N-NN-NN-125-Z-16-NNN | H1B250AATADANBTAVNFNNNNNNN125Z16NNN |
| 83073026 | H1-B-250-A-A-LH-BA-T-C-PA-VN-FN-N-N-NN-NP-125-N-00-NNN | H1B250AALHBATCPAVNFNNNNNNP125N00NNN |
| 83073107 | H1-B-250-A-A-TH-HA-N-B-TB-VS-FS-S-A-30-NN-050-Z-19-NNN | H1B250AATHHANBTBVSFSSA30NN050Z19NNN |
| 83073236 | H1-B-250-A-A-K2-K2-N-B-RA-VS-DS-S-A-20-NP-120-N-29-NNN | H1B250AAK2K2NBRAVSDSSA20NP120N29NNN |
| 83073295 | H1-B-250-A-A-L2-BA-N-B-PB-VN-DN-N-N-NN-NP-105-N-00-NNN | H1B250AAL2BANBPBVNDNNNNNNP105N00NNN |
| 83073557 | H1-B-250-A-A-TH-HA-N-B-TA-VS-FS-S-A-30-NN-111-Z-37-NNN | H1B250AATHHANBTAVSFSSA30NN111Z37NNN |
| 83073725 | H1-B-250-A-A-DH-MA-I-B-PA-VN-DN-N-N-NN-NP-090-N-19-NNN | H1B250AADHMAIBPAVNDNNNNNNP090N19NNN |
| 83073751 | H1-B-250-A-A-DH-MA-L-B-PB-VN-FN-N-B-20-NP-050-N-29-NNN | H1B250AADHMALBPBVNFNNB20NP050N29NNN |
| 83073832 | H1-B-250-A-A-T2-DA-N-A-TA-VS-DS-P-B-20-NN-125-Z-25-NNN | H1B250AAT2DANATAVSDSPB20NN125Z25NNN |
| 83074040 | H1-B-250-A-A-L2-BA-N-B-PA-VS-DS-S-N-NN-NP-050-N-00-NNN | H1B250AAL2BANBPAVSDSSNNNNP050N00NNN |
| 83074109 | H1-B-250-A-A-HE-HE-N-B-TB-VN-DN-N-A-15-NN-050-Z-00-NNN | H1B250AAHEHENBTBVNDNNA15NN050Z00NNN |
| 83074285 | H1-B-250-A-A-M2-CA-N-A-RA-VS-FS-S-B-30-NP-MB0-N-00-NNN | H1B250AAM2CANARAVSFSSB30NPMB0N00NNN |
| 83074334 | H1-B-250-A-A-E2-AA-N-C-TB-VS-DS-B-N-NN-NN-053-Z-00-NNN | H1B250AAE2AANCTBVSDSBNNNNN053Z00NNN |
| 83074904 | H1-B-250-A-A-L2-BA-N-A-PA-VS-DS-S-A-30-NP-100-N-00-NNN | H1B250AAL2BANAPAVSDSSA30NP100N00NNN |
| 83075315 | H1-B-250-A-A-NB-NT-N-N-TA-VS-FS-B-A-20-NN-000-Z-00-NNN | H1B250AANBNTNNTAVSFSBA20NN000Z00NNN |
| 83075346 | H1-B-250-A-A-L2-BA-N-A-PA-VS-DS-S-A-20-NP-060-N-00-NNN | H1B250AAL2BANAPAVSDSSA20NP060N00NNN |
| 83075773 | H1-B-250-A-A-M2-CA-N-A-RB-VS-FS-S-B-30-NP-MB0-N-00-NNN | H1B250AAM2CANARBVSFSSB30NPMB0N00NNN |
| 83076052 | H1-B-250-A-A-E2-AA-N-B-TB-VN-FN-N-N-NN-NN-050-Z-00-NNN | H1B250AAE2AANBTBVNFNNNNNNN050Z00NNN |
| 83076078 | H1-B-250-A-A-L1-BA-N-A-PA-VS-DS-S-B-30-NP-MB0-N-00-NNN | H1B250AAL1BANAPAVSDSSB30NPMB0N00NNN |
| 83076107 | H1-B-250-A-A-L1-BA-N-A-PA-VS-DS-S-B-10-NP-MB0-N-00-NNN | H1B250AAL1BANAPAVSDSSB10NPMB0N00NNN |
| 83076935 | H1-B-250-A-A-L2-BA-N-A-PA-VS-DS-S-A-30-NP-MB0-N-00-NNN | H1B250AAL2BANAPAVSDSSA30NPMB0N00NNN |
| 83077167 | H1-B-250-A-A-P2-D2-N-C-TB-VS-FS-S-B-40-NN-110-Z-24-NNN | H1B250AAP2D2NCTBVSFSSB40NN110Z24NNN |
| 83077437 | H1-B-250-A-A-E1-AA-N-B-TB-VN-DN-N-B-20-NN-050-R-00-NNN | H1B250AAE1AANBTBVNDNNB20NN050R00NNN |
| 83077736 | H1-B-250-A-A-D2-M2-N-B-PB-VN-DN-N-A-20-NP-062-N-28-NNN | H1B250AAD2M2NBPBVNDNNA20NP062N28NNN |
| 83077823 | H1-B-250-A-A-L2-BA-N-A-PA-VS-DS-S-A-30-NP-073-C-00-NNN | H1B250AAL2BANAPAVSDSSA30NP073C00NNN |
| 83078227 | H1-B-250-A-A-M2-CA-N-A-RA-VS-FS-S-A-30-NP-MB0-N-00-NNN | H1B250AAM2CANARAVSFSSA30NPMB0N00NNN |
| 83078305 | H1-B-250-A-A-L2-BA-N-B-PB-VN-FN-N-A-20-NP-078-N-00-NNN | H1B250AAL2BANBPBVNFNNA20NP078N00NNN |
| 83078343 | H1-B-250-A-A-T2-DA-N-B-TB-VN-DN-N-A-20-NN-050-Z-24-NNN | H1B250AAT2DANBTBVNDNNA20NN050Z24NNN |
| 83078634 | H1-B-250-A-A-TA-DA-N-B-TB-VN-FN-N-A-20-NN-108-R-25-NNN | H1B250AATADANBTBVNFNNA20NN108R25NNN |
| 83078747 | H1-B-250-A-A-L2-BA-N-C-PB-VS-DS-B-A-30-NP-085-N-00-NNN | H1B250AAL2BANCPBVSDSBA30NP085N00NNN |
| 83079639 | H1-B-250-A-A-T2-D2-N-B-TA-VS-DS-S-A-10-NN-115-Z-22-NNN | H1B250AAT2D2NBTAVSDSSA10NN115Z22NNN |
| 83079843 | H1-B-250-A-A-NB-NT-N-N-TB-VS-FS-P-A-20-NN-000-R-00-NNN | H1B250AANBNTNNTBVSFSPA20NN000R00NNN |
| 83080359 | H1-B-250-A-A-MH-CA-I-B-RB-VS-DS-S-N-NN-NP-110-N-00-NNN | H1B250AAMHCAIBRBVSDSSNNNNP110N00NNN |
| 83080387 | H1-B-250-A-A-TA-DA-N-B-TA-VN-DN-N-N-NN-NN-090-Z-19-NNN | H1B250AATADANBTAVNDNNNNNNN090Z19NNN |
| 83080590 | H1-B-250-A-A-E1-AA-N-B-TB-VN-DN-N-A-30-NN-050-Z-00-NNN | H1B250AAE1AANBTBVNDNNA30NN050Z00NNN |
| 83080791 | H1-B-250-A-A-LH-BA-E-B-PB-VS-FS-P-A-20-NP-085-N-00-NNN | H1B250AALHBAEBPBVSFSPA20NP085N00NNN |
| 83081121 | H1-B-250-A-A-HF-HF-N-B-TA-VN-DN-N-N-NN-NN-088-Z-00-NNN | H1B250AAHFHFNBTAVNDNNNNNNN088Z00NNN |
| 83081132 | H1-B-250-A-A-HF-HF-N-B-TA-VN-DN-N-N-NN-NN-125-Z-00-NNN | H1B250AAHFHFNBTAVNDNNNNNNN125Z00NNN |
| 83081211 | H1-B-250-A-A-E2-AA-N-B-TB-VN-DN-N-N-NN-NN-125-Z-00-NNN | H1B250AAE2AANBTBVNDNNNNNNN125Z00NNN |
| 83081287 | H1-B-250-A-A-DH-MA-O-B-PA-VN-DN-N-N-NN-NP-088-N-16-NNN | H1B250AADHMAOBPAVNDNNNNNNP088N16NNN |
| 83081288 | H1-B-250-A-A-DH-MA-O-B-PA-VN-DN-N-N-NN-NP-125-N-16-NNN | H1B250AADHMAOBPAVNDNNNNNNP125N16NNN |
| 83081500 | H1-B-250-A-A-LH-BA-M-B-PA-VN-FN-N-A-20-NP-100-N-00-NNN | H1B250AALHBAMBPAVNFNNA20NP100N00NNN |
| 83081559 | H1-B-250-A-A-DH-MH-T-B-PB-VN-FN-N-B-20-NP-088-N-30-NNN | H1B250AADHMHTBPBVNFNNB20NP088N30NNN |
| 83081805 | H1-B-250-A-A-T1-DA-N-B-TA-VS-FS-S-A-20-NN-087-Z-29-NNN | H1B250AAT1DANBTAVSFSSA20NN087Z29NNN |
| 83082175 | H1-B-250-A-A-L2-BA-N-B-PA-VS-DS-S-B-30-NP-072-N-00-NNN | H1B250AAL2BANBPAVSDSSB30NP072N00NNN |
| 83082382 | H1-B-250-A-A-T2-DA-N-A-TB-DN-LN-N-A-30-NN-078-Z-26-NNN | H1B250AAT2DANATBDNLNNA30NN078Z26NNN |
| 83082479 | H1-B-250-A-A-D2-MA-N-B-PA-VS-FS-P-B-30-NP-132-N-30-NNN | H1B250AAD2MANBPAVSFSPB30NP132N30NNN |
| 83082515 | H1-B-250-A-A-NB-NT-N-N-TA-VS-FS-S-A-20-NN-050-Q-00-NNN | H1B250AANBNTNNTAVSFSSA20NN050Q00NNN |
| 83083491 | H1-B-250-A-A-TH-HA-N-A-TA-VN-DN-N-N-NN-NN-169-Z-16-NNN | H1B250AATHHANATAVNDNNNNNNN169Z16NNN |
| 83083601 | H1-B-250-A-A-L2-BA-N-B-PA-VN-FN-N-A-20-NP-100-N-00-NNN | H1B250AAL2BANBPAVNFNNA20NP100N00NNN |
| 83083616 | H1-B-250-A-A-M2-CA-N-B-RA-VS-DS-S-B-30-NP-MB0-N-00-NNN | H1B250AAM2CANBRAVSDSSB30NPMB0N00NNN |
| 83083952 | H1-B-250-A-A-E2-AA-N-B-TA-VS-FS-P-N-NN-NN-130-Z-00-NNN | H1B250AAE2AANBTAVSFSPNNNNN130Z00NNN |
| 83084210 | H1-B-250-A-A-D2-MA-N-B-PA-VN-DN-N-N-NN-NP-169-N-30-NNN | H1B250AAD2MANBPAVNDNNNNNNP169N30NNN |
| 83084572 | H1-B-250-A-A-D1-MA-N-B-PB-VS-DS-S-A-20-NP-100-N-28-NNN | H1B250AAD1MANBPBVSDSSA20NP100N28NNN |
| 83084573 | H1-B-250-A-A-D1-MA-N-B-PB-DS-DS-S-A-20-NP-100-N-28-NNN | H1B250AAD1MANBPBDSDSSA20NP100N28NNN |
| 83084616 | H1-B-250-A-A-D2-MA-N-B-PB-VS-DS-S-A-20-NP-100-N-28-NNN | H1B250AAD2MANBPBVSDSSA20NP100N28NNN |
| 83085428 | H1-B-250-A-A-P2-D2-N-B-TB-VS-DS-S-A-20-NN-120-Z-24-NNN | H1B250AAP2D2NBTBVSDSSA20NN120Z24NNN |
| 83085575 | H1-B-250-A-A-M2-CA-N-B-RB-VS-FS-B-A-20-NP-050-N-00-NNN | H1B250AAM2CANBRBVSFSBA20NP050N00NNN |
| 83085664 | H1-B-250-A-A-HE-HE-N-B-TB-VN-FN-N-N-NN-NN-125-Z-00-NNN | H1B250AAHEHENBTBVNFNNNNNNN125Z00NNN |
| 83085873 | H1-B-250-A-A-LH-BA-I-B-PA-DS-LS-B-N-NN-NP-080-N-00-NNN | H1B250AALHBAIBPADSLSBNNNNP080N00NNN |
| 83086000 | H1-B-250-A-A-D2-MA-N-B-PB-VS-DS-P-A-20-NP-100-N-28-NNN | H1B250AAD2MANBPBVSDSPA20NP100N28NNN |
| 83086167 | H1-B-250-A-A-T2-BD-N-B-TA-VS-DS-S-A-10-NN-065-Z-27-NNN | H1B250AAT2BDNBTAVSDSSA10NN065Z27NNN |
| 83086572 | H1-B-250-A-A-TA-D2-N-B-TA-VN-FN-N-A-30-NN-062-Z-30-NNN | H1B250AATAD2NBTAVNFNNA30NN062Z30NNN |
| 83086964 | H1-B-250-A-A-K2-KA-N-A-RA-VN-DN-N-A-30-NP-070-N-22-NNN | H1B250AAK2KANARAVNDNNA30NP070N22NNN |
| 83087123 | H1-B-250-A-A-D2-MA-N-B-PB-VS-FS-P-N-NN-NP-130-N-24-NNN | H1B250AAD2MANBPBVSFSPNNNNP130N24NNN |
| 83087591 | H1-B-250-A-A-L2-BA-N-B-PA-VS-DS-P-A-30-NP-050-N-00-NNN | H1B250AAL2BANBPAVSDSPA30NP050N00NNN |
| 83087612 | H1-B-250-A-A-M1-CA-N-A-RA-VS-DS-S-B-50-NP-080-N-00-NNN | H1B250AAM1CANARAVSDSSB50NP080N00NNN |
| 83087705 | H1-B-250-A-A-TA-DA-N-B-TB-VS-FS-S-A-20-NN-050-Z-19-NNN | H1B250AATADANBTBVSFSSA20NN050Z19NNN |
| 83087868 | H1-B-250-A-A-HE-HE-N-B-TA-VN-DN-N-N-NN-NN-125-Z-00-NNN | H1B250AAHEHENBTAVNDNNNNNNN125Z00NNN |
| 83088479 | H1-B-250-A-A-E1-AA-N-B-TB-VS-FS-S-B-10-NN-050-Z-00-NNN | H1B250AAE1AANBTBVSFSSB10NN050Z00NNN |
| 83089081 | H1-B-250-A-A-TH-HC-N-A-TB-VS-FS-S-A-20-NN-072-Z-30-N26 | H1B250AATHHCNATBVSFSSA20NN072Z30N26 |
| 83089120 | H1-B-250-A-A-E2-AA-N-B-TB-VN-FN-N-A-15-NN-168-Z-00-NNN | H1B250AAE2AANBTBVNFNNA15NN168Z00NNN |
| 83089202 | H1-B-250-A-A-TH-HC-N-A-TB-VN-FN-N-A-20-NN-072-Z-30-N26 | H1B250AATHHCNATBVNFNNA20NN072Z30N26 |
| 83089359 | H1-B-250-A-A-L1-BA-N-B-PA-VS-DS-S-A-20-NP-050-N-00-NNN | H1B250AAL1BANBPAVSDSSA20NP050N00NNN |
| 83090215 | H1-B-250-A-A-L2-BA-N-B-PB-VS-FS-P-N-NN-NP-050-N-00-NNN | H1B250AAL2BANBPBVSFSPNNNNP050N00NNN |
| 83090309 | H1-B-250-A-A-E2-AA-N-B-TB-VN-FN-N-A-20-NN-165-Z-00-NNN | H1B250AAE2AANBTBVNFNNA20NN165Z00NNN |
| 83091281 | H1-B-250-A-A-T2-G2-N-B-TB-VS-FS-B-A-30-NN-058-Z-22-NNN | H1B250AAT2G2NBTBVSFSBA30NN058Z22NNN |
| 83091298 | H1-B-250-A-A-TA-DA-N-B-TA-VS-FS-P-A-15-NN-074-R-37-NNN | H1B250AATADANBTAVSFSPA15NN074R37NNN |
| 83091302 | H1-B-250-A-A-M2-CA-N-B-RB-VN-FN-N-A-20-NP-150-N-00-NNN | H1B250AAM2CANBRBVNFNNA20NP150N00NNN |
| 83091563 | H1-B-250-A-A-LH-BA-I-B-PB-DN-LN-N-N-NN-NP-050-N-00-NNN | H1B250AALHBAIBPBDNLNNNNNNP050N00NNN |
| 83091785 | H1-B-250-A-A-L2-BA-N-A-PA-VS-DS-B-B-50-NP-MB0-N-00-NNN | H1B250AAL2BANAPAVSDSBB50NPMB0N00NNN |
| 83091865 | H1-B-250-A-A-K2-K2-N-B-RA-VS-FS-S-A-30-NP-168-N-30-NNN | H1B250AAK2K2NBRAVSFSSA30NP168N30NNN |
| 83091987 | H1-B-250-A-A-L1-BA-N-B-PB-VN-DN-N-A-30-NP-050-N-00-NNN | H1B250AAL1BANBPBVNDNNA30NP050N00NNN |
| 83092105 | H1-B-250-A-A-HE-HE-N-B-TB-VN-DN-N-A-20-NN-169-Z-00-NNN | H1B250AAHEHENBTBVNDNNA20NN169Z00NNN |
| 83092383 | H1-B-250-A-A-D2-M2-N-A-PB-VS-DS-S-A-30-NP-075-N-30-NNN | H1B250AAD2M2NAPBVSDSSA30NP075N30NNN |
| 83092502 | H1-B-250-A-A-L2-BA-N-B-PB-VS-FS-S-N-NN-NP-140-N-00-NNN | H1B250AAL2BANBPBVSFSSNNNNP140N00NNN |
| 83093021 | H1-B-250-A-A-HE-HE-N-B-TA-VN-FN-N-N-NN-NN-130-R-00-NNN | H1B250AAHEHENBTAVNFNNNNNNN130R00NNN |
| 83093255 | H1-B-250-A-A-D2-MA-N-A-PB-VS-FS-B-N-NN-SP-110-N-32-N03 | H1B250AAD2MANAPBVSFSBNNNSP110N32N03 |
| 83093278 | H1-B-250-A-A-NB-NT-N-N-TB-VN-FN-N-N-NN-NN-MB0-Z-00-NNN | H1B250AANBNTNNTBVNFNNNNNNNMB0Z00NNN |
| 83093294 | H1-B-250-A-A-L2-BA-N-B-PA-DS-LS-S-N-NN-NP-090-N-00-NNN | H1B250AAL2BANBPADSLSSNNNNP090N00NNN |
| 83093354 | H1-B-250-A-A-L2-BA-N-B-PA-DS-LS-B-N-NN-NP-090-N-00-NNN | H1B250AAL2BANBPADSLSBNNNNP090N00NNN |
| 83093776 | H1-B-250-A-A-D1-M1-N-A-PB-VS-DS-S-A-20-NP-075-N-20-NNN | H1B250AAD1M1NAPBVSDSSA20NP075N20NNN |
| 83093992 | H1-B-250-A-A-L2-BA-N-B-PB-DS-LS-B-N-NN-NP-090-N-00-NNN | H1B250AAL2BANBPBDSLSBNNNNP090N00NNN |
| 83094203 | H1-B-250-A-A-NB-NT-N-N-TB-VS-FS-P-A-20-NN-MB0-Z-00-NNN | H1B250AANBNTNNTBVSFSPA20NNMB0Z00NNN |
| 83094633 | H1-B-250-A-A-NB-NT-N-N-TB-VN-DN-N-N-NN-NN-MB0-Z-00-NNN | H1B250AANBNTNNTBVNDNNNNNNNMB0Z00NNN |
| 83094661 | H1-B-250-A-A-HE-HE-N-B-TB-VN-FN-N-A-30-NN-MB0-Z-00-NNN | H1B250AAHEHENBTBVNFNNA30NNMB0Z00NNN |
| 83094709 | H1-B-250-A-A-L2-BA-N-B-PA-VS-DS-S-A-20-NP-067-N-00-NNN | H1B250AAL2BANBPAVSDSSA20NP067N00NNN |
| 83094834 | H1-B-250-A-A-D2-MA-N-B-PB-VS-DS-S-A-20-NP-050-N-26-NNN | H1B250AAD2MANBPBVSDSSA20NP050N26NNN |
| 83095005 | H1-B-250-A-A-HE-HE-N-B-TB-VN-FN-N-A-30-NN-AC5-Z-00-NNN | H1B250AAHEHENBTBVNFNNA30NNAC5Z00NNN |
| 83095188 | H1-B-250-A-A-L1-BA-N-A-PA-VS-DS-S-N-NN-NP-MB0-N-00-NNN | H1B250AAL1BANAPAVSDSSNNNNPMB0N00NNN |