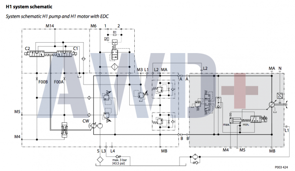
Гидростатические моторы и насосы серии H1 могут применяться вместе или по отдельности с оборудованием других производителей. Двигатели переменного рабочего объема серии H1 имеют конструкцию с изогнутой осью и оснащены сферическими поршнями.
Мотор H1B110 предназначен для работы с устройствами в системах с замкнутым контуром. Двигатели серии H1 имеют большое соотношение максимального/минимального перемещения 5:1 и высокую выходную скорость. Расширенная функция нулевого рабочего объема в сочетании с высокопроизводительным максимальным углом наклона 32 градуса создает возможности для легкого повышения производительности машины.
Рабочий объем мотора 110 см3.
Номинальная и максимальная частота вращения мотора H1B110 зависит от рабочего объема.
Гидромоторы серии H1B110 запускаются при максимальном рабочем объеме. Это обеспечивает максимальный пусковой момент при высоком ускорении.
Моторы Серии H1 Danfoss применяются в ГСТ (гидростатической трансмиссии) на таких машинах как бульдозер, экскаватор,трубоукладчик, мини-погрузчик, ратрак, а так же на приводе тяговой лебедки и в буровых установках.
| Артикул | Полный код | Полный код |
| 11003494 | H1-B-110-A-A-L1-BA-N-B-PB-CS-JS-S-A-10-NP-022-N-00-N01 | H1B110AAL1BANBPBCSJSSA10NP022N00N01 |
| 11025841 | H1-B-110-A-A-M1-CA-N-A-RB-CS-JS-S-A-15-NP-000-N-00-NNN | H1B110AAM1CANARBCSJSSA15NP000N00NNN |
| 11039118 | H1-B-110-A-A-P1-D1-N-C-TA-DN-KN-N-A-15-NN-030-Z-24-N06 | H1B110AAP1D1NCTADNKNNA15NN030Z24N06 |
| 11041573 | H1-B-110-A-A-P1-D1-N-A-TA-DN-JN-N-A-15-NN-048-Z-24-N11 | H1B110AAP1D1NATADNJNNA15NN048Z24N11 |
| 83003019 | H1-B-110-A-A-L1-BA-N-A-PA-VN-EN-N-A-15-NP-MB0-N-00-NNN | H1B110AAL1BANAPAVNENNA15NPMB0N00NNN |
| 83003020 | H1-B-110-A-A-E1-AA-N-B-TA-CS-JS-S-A-10-NN-000-Z-00-NNN | H1B110AAE1AANBTACSJSSA10NN000Z00NNN |
| 83003021 | H1-B-110-A-A-K1-K1-N-B-RB-VS-ES-S-A-15-NP-000-N-24-NNN | H1B110AAK1K1NBRBVSESSA15NP000N24NNN |
| 83003032 | H1-B-110-A-A-T1-D1-N-B-TB-CN-JN-N-A-15-NN-022-Z-24-NNN | H1B110AAT1D1NBTBCNJNNA15NN022Z24NNN |
| 83003516 | H1-B-110-A-A-M1-CA-N-A-RA-VS-DS-S-A-10-NP-MB0-N-00-NNN | H1B110AAM1CANARAVSDSSA10NPMB0N00NNN |
| 83003552 | H1-B-110-A-A-E1-AA-N-A-TB-DN-KN-N-A-15-NN-035-Z-00-NNN | H1B110AAE1AANATBDNKNNA15NN035Z00NNN |
| 83004571 | H1-B-110-A-A-L1-BA-N-C-PA-DN-JN-N-A-10-NP-035-N-00-NNN | H1B110AAL1BANCPADNJNNA10NP035N00NNN |
| 83004579 | H1-B-110-A-A-K2-K2-N-B-RB-VS-ES-S-A-15-NP-036-N-25-NNN | H1B110AAK2K2NBRBVSESSA15NP036N25NNN |
| 83005518 | H1-B-110-A-A-E2-AA-N-B-TB-DN-JN-N-A-10-NN-050-Z-00-NNN | H1B110AAE2AANBTBDNJNNA10NN050Z00NNN |
| 83005520 | H1-B-110-A-A-E2-AA-N-B-TB-DN-JN-N-A-10-NN-040-Z-00-NNN | H1B110AAE2AANBTBDNJNNA10NN040Z00NNN |
| 83005996 | H1-B-110-A-A-E1-AA-N-B-TB-VN-DN-N-N-NN-NN-061-Z-00-N03 | H1B110AAE1AANBTBVNDNNNNNNN061Z00N03 |
| 83006021 | H1-B-110-A-A-E2-AA-N-A-TB-DN-KN-N-A-15-NN-035-Z-00-NNN | H1B110AAE2AANATBDNKNNA15NN035Z00NNN |
| 83006022 | H1-B-110-A-A-P1-D1-N-B-TL-DS-JS-S-A-15-NN-030-Z-24-NNN | H1B110AAP1D1NBTLDSJSSA15NN030Z24NNN |
| 83006509 | H1-B-110-A-A-E2-AA-N-B-TA-CS-JS-S-N-NN-NN-050-Z-00-NNN | H1B110AAE2AANBTACSJSSNNNNN050Z00NNN |
| 83006536 | H1-B-110-A-A-K2-K2-N-C-RA-DN-JN-N-A-10-NP-034-N-36-NNN | H1B110AAK2K2NCRADNJNNA10NP034N36NNN |
| 83006620 | H1-B-110-A-A-P2-D2-N-B-TA-DN-JN-N-A-15-NN-040-Z-24-NNN | H1B110AAP2D2NBTADNJNNA15NN040Z24NNN |
| 83006703 | H1-B-110-A-A-L1-BA-N-B-PB-VS-DS-S-A-15-NP-030-N-00-NNN | H1B110AAL1BANBPBVSDSSA15NP030N00NNN |
| 83006756 | H1-B-110-A-A-T1-D1-N-B-TA-DS-KS-S-A-15-NN-032-Z-19-NNN | H1B110AAT1D1NBTADSKSSA15NN032Z19NNN |
| 83007221 | H1-B-110-A-A-L2-BA-N-B-PB-VN-EN-N-A-10-NP-030-N-00-NNN | H1B110AAL2BANBPBVNENNA10NP030N00NNN |
| 83007277 | H1-B-110-A-A-K1-K1-N-B-RB-VS-ES-S-A-10-NP-000-N-23-NNN | H1B110AAK1K1NBRBVSESSA10NP000N23NNN |
| 83007295 | H1-B-110-A-A-T2-D2-N-C-TB-VS-DS-P-A-10-NN-037-Z-19-N02 | H1B110AAT2D2NCTBVSDSPA10NN037Z19N02 |
| 83007416 | H1-B-110-A-A-T1-D1-N-B-TB-VS-ES-S-A-10-NN-022-Z-23-NNN | H1B110AAT1D1NBTBVSESSA10NN022Z23NNN |
| 83007441 | H1-B-110-A-A-E2-AA-N-B-TB-DN-KN-N-N-NN-NN-065-Z-00-NNN | H1B110AAE2AANBTBDNKNNNNNNN065Z00NNN |
| 83007563 | H1-B-110-A-A-T2-D2-N-C-TB-VS-DS-P-A-10-NN-037-S-17-N02 | H1B110AAT2D2NCTBVSDSPA10NN037S17N02 |
| 83007810 | H1-B-110-A-A-L2-BA-N-B-PA-VS-DS-S-A-15-NP-074-N-00-NNN | H1B110AAL2BANBPAVSDSSA15NP074N00NNN |
| 83008206 | H1-B-110-A-A-HE-HE-N-B-TB-CS-JS-S-A-10-NN-054-Z-00-N04 | H1B110AAHEHENBTBCSJSSA10NN054Z00N04 |
| 83008678 | H1-B-110-A-A-L1-BA-N-A-PB-CS-JS-S-A-15-NP-MB0-N-00-NNN | H1B110AAL1BANAPBCSJSSA15NPMB0N00NNN |
| 83009087 | H1-B-110-A-A-L2-BA-N-B-PA-CS-JS-S-N-NN-NP-055-N-00-NNN | H1B110AAL2BANBPACSJSSNNNNP055N00NNN |
| 83009197 | H1-B-110-A-A-M2-CA-N-B-RA-DS-KS-S-A-10-NP-022-N-00-NNN | H1B110AAM2CANBRADSKSSA10NP022N00NNN |
| 83009322 | H1-B-110-A-A-P1-D1-N-B-TL-DS-JS-S-A-15-NN-040-Z-24-NNN | H1B110AAP1D1NBTLDSJSSA15NN040Z24NNN |
| 83009323 | H1-B-110-A-A-P1-D1-N-B-TL-DS-JS-S-A-15-NN-024-Z-24-NNN | H1B110AAP1D1NBTLDSJSSA15NN024Z24NNN |
| 83009359 | H1-B-110-A-A-M1-CA-N-B-RA-VB-PS-S-A-E3-NP-MB0-N-00-N07 | H1B110AAM1CANBRAVBPSSAE3NPMB0N00N07 |
| 83009409 | H1-B-110-A-A-L2-BA-N-B-PB-VS-DS-S-A-10-NP-MB0-N-00-NNN | H1B110AAL2BANBPBVSDSSA10NPMB0N00NNN |
| 83009427 | H1-B-110-A-A-E2-AA-N-A-TB-DN-JN-N-A-10-NN-060-Z-00-NNN | H1B110AAE2AANATBDNJNNA10NN060Z00NNN |
| 83009428 | H1-B-110-A-A-E2-AA-N-A-TB-DN-JN-N-N-NN-NN-060-Z-00-NNN | H1B110AAE2AANATBDNJNNNNNNN060Z00NNN |
| 83009429 | H1-B-110-A-A-E2-AA-N-A-TB-DN-JN-N-N-NN-NN-040-Z-00-NNN | H1B110AAE2AANATBDNJNNNNNNN040Z00NNN |
| 83009506 | H1-B-110-A-A-TA-DA-N-B-TA-VN-EN-N-A-10-NN-AA1-Z-35-NNN | H1B110AATADANBTAVNENNA10NNAA1Z35NNN |
| 83009755 | H1-B-110-A-A-L2-BA-N-B-PB-VS-ES-S-A-10-NP-MB0-N-00-N02 | H1B110AAL2BANBPBVSESSA10NPMB0N00N02 |
| 83009893 | H1-B-110-A-A-HE-HE-N-B-TB-CS-JS-S-A-10-NN-074-Z-00-N04 | H1B110AAHEHENBTBCSJSSA10NN074Z00N04 |
| 83009927 | H1-B-110-A-A-L1-BA-N-B-PB-DS-KS-S-A-10-NP-022-N-00-N01 | H1B110AAL1BANBPBDSKSSA10NP022N00N01 |
| 83009956 | H1-B-110-A-A-L2-BA-N-A-PA-DS-KS-S-N-NN-NP-042-N-00-NNN | H1B110AAL2BANAPADSKSSNNNNP042N00NNN |
| 83009960 | H1-B-110-A-A-K2-K2-N-A-RA-DS-JS-S-N-NN-NP-030-N-26-NNN | H1B110AAK2K2NARADSJSSNNNNP030N26NNN |
| 83010295 | H1-B-110-A-A-K1-K1-N-A-RA-DN-JN-N-A-15-NP-035-N-25-NNN | H1B110AAK1K1NARADNJNNA15NP035N25NNN |
| 83010456 | H1-B-110-A-A-E2-AA-N-A-TB-CS-JS-S-A-10-NN-040-Z-00-NNN | H1B110AAE2AANATBCSJSSA10NN040Z00NNN |
| 83010457 | H1-B-110-A-A-E2-AA-N-A-TB-CS-JS-S-A-10-NN-050-Z-00-NNN | H1B110AAE2AANATBCSJSSA10NN050Z00NNN |
| 83010458 | H1-B-110-A-A-E2-AA-N-A-TB-CN-JN-N-A-10-NN-040-Z-00-NNN | H1B110AAE2AANATBCNJNNA10NN040Z00NNN |
| 83010459 | H1-B-110-A-A-E2-AA-N-A-TB-CN-JN-N-A-10-NN-050-Z-00-NNN | H1B110AAE2AANATBCNJNNA10NN050Z00NNN |
| 83010585 | H1-B-110-A-A-M1-CA-N-B-RB-VS-DS-S-A-10-NP-000-N-00-NNN | H1B110AAM1CANBRBVSDSSA10NP000N00NNN |
| 83010736 | H1-B-110-A-A-K1-K1-N-A-RA-DS-JS-S-A-10-NP-050-N-24-NNN | H1B110AAK1K1NARADSJSSA10NP050N24NNN |
| 83011102 | H1-B-110-A-A-K2-K2-N-A-RB-VS-ES-S-A-10-NP-055-N-21-NNN | H1B110AAK2K2NARBVSESSA10NP055N21NNN |
| 83011238 | H1-B-110-A-A-T1-D1-N-B-TA-DS-KS-S-A-15-NN-032-Z-21-NNN | H1B110AAT1D1NBTADSKSSA15NN032Z21NNN |
| 83011253 | H1-B-110-A-A-L2-BA-N-B-PA-VS-ES-S-N-NN-NP-055-N-00-NNN | H1B110AAL2BANBPAVSESSNNNNP055N00NNN |
| 83011619 | H1-B-110-A-A-HE-HE-N-B-TA-VN-EN-N-N-NN-NN-030-U-00-NNN | H1B110AAHEHENBTAVNENNNNNNN030U00NNN |
| 83011801 | H1-B-110-A-A-L1-BA-N-A-PB-VN-EN-N-N-NN-NP-022-N-00-NNN | H1B110AAL1BANAPBVNENNNNNNP022N00NNN |
| 83011839 | H1-B-110-A-A-K1-KA-N-A-RB-VN-EN-N-A-10-NP-065-N-20-NNN | H1B110AAK1KANARBVNENNA10NP065N20NNN |
| 83011895 | H1-B-110-A-A-K1-KA-N-A-RA-VS-ES-S-A-10-NP-040-N-25-NNN | H1B110AAK1KANARAVSESSA10NP040N25NNN |
| 83012299 | H1-B-110-A-A-T2-D2-N-B-TB-VN-DN-N-A-15-NN-072-Z-28-NNN | H1B110AAT2D2NBTBVNDNNA15NN072Z28NNN |
| 83012470 | H1-B-110-A-A-L2-BA-N-A-PA-DN-JN-N-A-10-NP-022-N-00-NNN | H1B110AAL2BANAPADNJNNA10NP022N00NNN |
| 83012676 | H1-B-110-A-A-E1-AA-N-B-TA-DN-JN-N-A-15-NN-057-Z-00-NNN | H1B110AAE1AANBTADNJNNA15NN057Z00NNN |
| 83012730 | H1-B-110-A-A-E2-AA-N-B-TA-VS-DS-S-A-15-NN-050-Z-00-NNN | H1B110AAE2AANBTAVSDSSA15NN050Z00NNN |
| 83012822 | H1-B-110-A-A-L2-BA-N-B-PB-VS-DS-S-A-10-NP-034-N-00-NNN | H1B110AAL2BANBPBVSDSSA10NP034N00NNN |
| 83013115 | H1-B-110-A-A-P1-D1-N-B-TB-DS-JS-S-A-10-NN-025-Z-24-NNN | H1B110AAP1D1NBTBDSJSSA10NN025Z24NNN |
| 83013309 | H1-B-110-A-A-L2-BA-N-A-PB-CS-JS-S-A-10-NP-050-N-00-NNN | H1B110AAL2BANAPBCSJSSA10NP050N00NNN |
| 83013505 | H1-B-110-A-A-E2-AA-N-B-TB-VN-EN-N-A-10-NN-055-Z-00-N02 | H1B110AAE2AANBTBVNENNA10NN055Z00N02 |
| 83013506 | H1-B-110-A-A-K2-K2-N-B-RB-VS-DS-S-A-10-NP-032-N-30-NNN | H1B110AAK2K2NBRBVSDSSA10NP032N30NNN |
| 83013530 | H1-B-110-A-A-T1-DA-N-C-TA-DN-KN-N-A-10-NN-070-Z-30-NNN | H1B110AAT1DANCTADNKNNA10NN070Z30NNN |
| 83013666 | H1-B-110-A-A-L2-BA-N-A-PA-CS-JS-S-A-15-NP-040-N-00-NNN | H1B110AAL2BANAPACSJSSA15NP040N00NNN |
| 83013710 | H1-B-110-A-A-E1-AA-N-B-TB-VN-DN-N-A-15-NN-030-Z-00-NNN | H1B110AAE1AANBTBVNDNNA15NN030Z00NNN |
| 83013806 | H1-B-110-A-A-E2-AA-N-B-TB-VN-DN-N-A-15-NN-050-Z-00-NNN | H1B110AAE2AANBTBVNDNNA15NN050Z00NNN |
| 83013807 | H1-B-110-A-A-E1-AA-N-B-TB-DN-KN-N-A-15-NN-063-Z-00-NNN | H1B110AAE1AANBTBDNKNNA15NN063Z00NNN |
| 83013963 | H1-B-110-A-A-P2-D2-N-B-TA-DS-KS-S-A-10-NN-040-Z-24-NNN | H1B110AAP2D2NBTADSKSSA10NN040Z24NNN |
| 83013968 | H1-B-110-A-A-L2-BA-N-B-PB-CS-JS-S-A-15-NP-042-N-00-NNN | H1B110AAL2BANBPBCSJSSA15NP042N00NNN |
| 83014022 | H1-B-110-A-A-L2-BA-N-A-PB-DS-JS-S-A-10-NP-022-N-00-NNN | H1B110AAL2BANAPBDSJSSA10NP022N00NNN |
| 83014073 | H1-B-110-A-A-E1-AA-N-B-TB-VN-DN-N-A-10-NN-055-Z-00-NNN | H1B110AAE1AANBTBVNDNNA10NN055Z00NNN |
| 83014173 | H1-B-110-A-A-T2-DA-N-B-TB-VN-DN-N-A-15-NN-055-Z-24-NNN | H1B110AAT2DANBTBVNDNNA15NN055Z24NNN |
| 83014243 | H1-B-110-A-A-T1-DA-N-B-TA-DS-KS-S-A-10-NN-022-Z-25-NNN | H1B110AAT1DANBTADSKSSA10NN022Z25NNN |
| 83014244 | H1-B-110-A-A-L1-BA-N-B-PA-DS-KS-S-A-10-NP-MB0-N-00-NNN | H1B110AAL1BANBPADSKSSA10NPMB0N00NNN |
| 83014255 | H1-B-110-A-A-E2-AA-N-B-TB-DS-KS-S-A-10-NN-061-Z-00-NNN | H1B110AAE2AANBTBDSKSSA10NN061Z00NNN |
| 83014341 | H1-B-110-A-A-E1-AA-N-B-TB-CN-JN-N-A-10-NN-040-Z-00-NNN | H1B110AAE1AANBTBCNJNNA10NN040Z00NNN |
| 83014452 | H1-B-110-A-A-E2-AA-N-B-TB-CN-JN-N-A-10-NN-040-Z-00-NNN | H1B110AAE2AANBTBCNJNNA10NN040Z00NNN |
| 83014533 | H1-B-110-A-A-T1-D1-N-B-TB-DN-JN-N-A-10-NN-023-Z-20-NNN | H1B110AAT1D1NBTBDNJNNA10NN023Z20NNN |
| 83014534 | H1-B-110-A-A-K1-K1-N-B-RB-DN-JN-N-A-10-NP-023-N-20-NNN | H1B110AAK1K1NBRBDNJNNA10NP023N20NNN |
| 83014572 | H1-B-110-A-A-L2-BA-N-A-PA-DN-KN-N-N-NN-NP-042-N-00-NNN | H1B110AAL2BANAPADNKNNNNNNP042N00NNN |
| 83014621 | H1-B-110-A-A-K1-K1-N-B-RA-DN-JN-N-A-10-NP-023-N-20-NNN | H1B110AAK1K1NBRADNJNNA10NP023N20NNN |
| 83014650 | H1-B-110-A-A-T1-D1-N-B-TA-DN-JN-N-A-10-NN-023-Z-20-NNN | H1B110AAT1D1NBTADNJNNA10NN023Z20NNN |
| 83014839 | H1-B-110-A-A-M2-CA-N-B-RA-VS-DS-S-N-NN-NP-MB0-N-00-NNN | H1B110AAM2CANBRAVSDSSNNNNPMB0N00NNN |
| 83014907 | H1-B-110-A-A-K2-K2-N-B-RB-VN-DN-N-A-15-NP-056-N-25-NNN | H1B110AAK2K2NBRBVNDNNA15NP056N25NNN |
| 83014962 | H1-B-110-A-A-TA-DA-N-C-TB-VN-EN-N-A-10-NN-074-Z-30-NNN | H1B110AATADANCTBVNENNA10NN074Z30NNN |
| 83015165 | H1-B-110-A-A-E2-AA-N-A-TB-VS-ES-S-A-15-NN-050-Z-00-NNN | H1B110AAE2AANATBVSESSA15NN050Z00NNN |
| 83015166 | H1-B-110-A-A-E2-AA-N-A-TB-VN-EN-N-A-15-NN-050-Z-00-NNN | H1B110AAE2AANATBVNENNA15NN050Z00NNN |
| 83015244 | H1-B-110-A-A-L2-BA-N-B-PA-DS-KS-S-A-10-NP-MB0-N-00-NNN | H1B110AAL2BANBPADSKSSA10NPMB0N00NNN |
| 83015437 | H1-B-110-A-A-E2-AA-N-B-TB-VN-EN-N-A-15-NN-022-Z-00-NNN | H1B110AAE2AANBTBVNENNA15NN022Z00NNN |
| 83015665 | H1-B-110-A-A-P2-D2-N-A-TA-DS-KS-S-A-10-NN-030-Z-24-NNN | H1B110AAP2D2NATADSKSSA10NN030Z24NNN |
| 83015823 | H1-B-110-A-A-HE-HE-N-B-TA-CN-JN-N-N-NN-NN-050-Z-00-NNN | H1B110AAHEHENBTACNJNNNNNNN050Z00NNN |
| 83015834 | H1-B-110-A-A-E2-AA-N-B-TB-CS-KS-S-A-10-NN-065-Z-00-NNN | H1B110AAE2AANBTBCSKSSA10NN065Z00NNN |
| 83015875 | H1-B-110-A-A-K1-K1-N-B-RB-DN-KN-N-A-10-NP-036-N-34-NNN | H1B110AAK1K1NBRBDNKNNA10NP036N34NNN |
| 83015879 | H1-B-110-A-A-K1-K1-N-B-RB-DN-KN-N-A-10-NP-029-N-34-NNN | H1B110AAK1K1NBRBDNKNNA10NP029N34NNN |
| 83015947 | H1-B-110-A-A-M1-CA-N-B-RA-DS-KS-S-A-15-NP-MB0-N-00-NNN | H1B110AAM1CANBRADSKSSA15NPMB0N00NNN |
| 83016028 | H1-B-110-A-A-F1-EA-N-B-TB-VN-DN-N-A-10-NN-022-Z-00-NNN | H1B110AAF1EANBTBVNDNNA10NN022Z00NNN |
| 83016035 | H1-B-110-A-A-E2-AA-N-B-TA-VN-DN-N-N-NN-NN-040-Z-00-NNN | H1B110AAE2AANBTAVNDNNNNNNN040Z00NNN |
| 83016117 | H1-B-110-A-A-L2-BA-N-B-PB-VS-ES-S-A-10-NP-022-N-00-NNN | H1B110AAL2BANBPBVSESSA10NP022N00NNN |
| 83016215 | H1-B-110-A-A-L1-BA-N-C-PA-VS-DS-S-A-10-NP-022-N-00-NNN | H1B110AAL1BANCPAVSDSSA10NP022N00NNN |
| 83016452 | H1-B-110-A-A-E2-AA-N-B-TA-DN-JN-N-A-15-NN-060-Z-00-NNN | H1B110AAE2AANBTADNJNNA15NN060Z00NNN |
| 83016470 | H1-B-110-A-A-L2-BA-N-A-PB-CN-JN-N-A-10-NP-MB0-N-00-NNN | H1B110AAL2BANAPBCNJNNA10NPMB0N00NNN |
| 83016480 | H1-B-110-A-A-E2-AA-N-B-TB-VN-DN-N-A-10-NN-055-Z-00-NNN | H1B110AAE2AANBTBVNDNNA10NN055Z00NNN |
| 83016496 | H1-B-110-A-A-TA-D1-N-B-TB-DN-JN-N-A-10-NN-030-Z-26-NNN | H1B110AATAD1NBTBDNJNNA10NN030Z26NNN |
| 83016525 | H1-B-110-A-A-E2-AA-N-B-TB-VN-EN-N-N-NN-NN-061-Z-00-N06 | H1B110AAE2AANBTBVNENNNNNNN061Z00N06 |
| 83016598 | H1-B-110-A-A-M2-CA-N-B-RB-DS-JS-S-A-10-NP-MB0-N-00-NNN | H1B110AAM2CANBRBDSJSSA10NPMB0N00NNN |
| 83016621 | H1-B-110-A-A-E2-AA-N-B-TA-DS-JS-S-A-10-NN-MB0-Z-00-NNN | H1B110AAE2AANBTADSJSSA10NNMB0Z00NNN |
| 83016662 | H1-B-110-A-A-K2-KA-N-B-RB-CN-JN-N-A-10-NP-030-N-25-NNN | H1B110AAK2KANBRBCNJNNA10NP030N25NNN |
| 83016986 | H1-B-110-A-A-L2-BA-N-B-PB-VN-EN-N-A-10-NP-050-N-00-NNN | H1B110AAL2BANBPBVNENNA10NP050N00NNN |
| 83017018 | H1-B-110-A-A-L1-BA-N-B-PB-DS-JS-S-A-10-NP-040-N-00-NNN | H1B110AAL1BANBPBDSJSSA10NP040N00NNN |
| 83017107 | H1-B-110-A-A-D2-M2-N-B-PB-VN-DN-N-A-15-NP-040-N-25-NNN | H1B110AAD2M2NBPBVNDNNA15NP040N25NNN |
| 83017225 | H1-B-110-A-A-E1-AA-N-B-TB-VN-DN-N-A-10-NN-043-Z-00-NNN | H1B110AAE1AANBTBVNDNNA10NN043Z00NNN |
| 83017298 | H1-B-110-A-A-E1-AA-N-A-TB-VS-ES-S-A-15-NN-MB0-Z-00-NNN | H1B110AAE1AANATBVSESSA15NNMB0Z00NNN |
| 83017404 | H1-B-110-A-A-E2-AA-N-A-TA-VN-EN-N-N-NN-NN-036-Z-00-NNN | H1B110AAE2AANATAVNENNNNNNN036Z00NNN |
| 83017560 | H1-B-110-A-A-M1-CA-N-B-RB-CS-JS-P-N-NN-NP-000-N-00-N05 | H1B110AAM1CANBRBCSJSPNNNNP000N00N05 |
| 83017561 | H1-B-110-A-A-M1-CA-N-B-RB-CS-JS-P-A-10-NP-MB0-N-00-N05 | H1B110AAM1CANBRBCSJSPA10NPMB0N00N05 |
| 83017605 | H1-B-110-A-A-E2-AA-N-B-TB-DN-KN-N-N-NN-NN-055-Z-00-NNN | H1B110AAE2AANBTBDNKNNNNNNN055Z00NNN |
| 83017635 | H1-B-110-A-A-K1-K1-N-A-RA-DS-KS-S-A-10-NP-050-N-24-NNN | H1B110AAK1K1NARADSKSSA10NP050N24NNN |
| 83017696 | H1-B-110-A-A-T1-DA-N-B-TB-VN-EN-N-A-10-NN-059-Z-17-NNN | H1B110AAT1DANBTBVNENNA10NN059Z17NNN |
| 83017804 | H1-B-110-A-A-TA-DA-N-B-TB-VN-EN-N-A-10-NN-074-Z-25-NNN | H1B110AATADANBTBVNENNA10NN074Z25NNN |
| 83017814 | H1-B-110-A-A-L1-BA-N-A-PB-CN-JN-N-A-10-NP-022-N-00-NNN | H1B110AAL1BANAPBCNJNNA10NP022N00NNN |
| 83017981 | H1-B-110-A-A-E2-AA-N-B-TB-CN-KN-N-N-NN-NN-060-Z-00-NNN | H1B110AAE2AANBTBCNKNNNNNNN060Z00NNN |
| 83017999 | H1-B-110-A-A-T2-D2-N-C-TB-VS-DS-S-A-10-NN-070-Z-25-NNN | H1B110AAT2D2NCTBVSDSSA10NN070Z25NNN |
| 83018239 | H1-B-110-A-A-E2-AA-N-B-TB-CS-JS-S-A-10-NN-045-Z-00-NNN | H1B110AAE2AANBTBCSJSSA10NN045Z00NNN |
| 83018311 | H1-B-110-A-A-HE-HE-N-A-TB-VN-EN-N-N-NN-NN-055-Z-00-NNN | H1B110AAHEHENATBVNENNNNNNN055Z00NNN |
| 83018347 | H1-B-110-A-A-HE-HE-N-A-TB-CN-JN-N-A-10-NN-074-Z-00-NNN | H1B110AAHEHENATBCNJNNA10NN074Z00NNN |
| 83018562 | H1-B-110-A-A-HE-HE-N-A-TB-VN-EN-N-N-NN-NN-035-Z-00-NNN | H1B110AAHEHENATBVNENNNNNNN035Z00NNN |
| 83018658 | H1-B-110-A-A-E1-AA-N-C-TB-DN-JN-N-A-15-NN-030-Z-00-N02 | H1B110AAE1AANCTBDNJNNA15NN030Z00N02 |
| 83018661 | H1-B-110-A-A-L2-BA-N-B-PA-VS-DS-S-A-15-NP-000-N-00-NNN | H1B110AAL2BANBPAVSDSSA15NP000N00NNN |
| 83018862 | H1-B-110-A-A-HE-HE-N-A-TB-CN-JN-N-N-NN-NN-AA1-Z-00-NNN | H1B110AAHEHENATBCNJNNNNNNNAA1Z00NNN |
| 83019251 | H1-B-110-A-A-HE-HE-N-C-TA-CN-KN-N-N-NN-NN-055-Z-00-NNN | H1B110AAHEHENCTACNKNNNNNNN055Z00NNN |
| 83019277 | H1-B-110-A-A-M2-CA-N-B-RB-VS-ES-S-A-15-NP-029-N-00-NNN | H1B110AAM2CANBRBVSESSA15NP029N00NNN |
| 83019334 | H1-B-110-A-A-D2-MA-N-C-PB-VN-EN-N-A-10-NP-046-N-20-NNN | H1B110AAD2MANCPBVNENNA10NP046N20NNN |
| 83019341 | H1-B-110-A-A-K1-K1-N-A-RB-VN-EN-N-A-15-NP-062-N-30-NNN | H1B110AAK1K1NARBVNENNA15NP062N30NNN |
| 83019650 | H1-B-110-A-A-E1-AA-N-B-TB-VN-EN-N-N-NN-NN-030-Z-00-NNN | H1B110AAE1AANBTBVNENNNNNNN030Z00NNN |
| 83019877 | H1-B-110-A-A-E2-AA-N-B-TB-VS-DS-S-A-15-NN-022-Z-00-NNN | H1B110AAE2AANBTBVSDSSA15NN022Z00NNN |
| 83019977 | H1-B-110-A-A-T2-DA-N-A-TB-CS-JS-P-N-NN-NN-022-Z-20-NNN | H1B110AAT2DANATBCSJSPNNNNN022Z20NNN |
| 83020007 | H1-B-110-A-A-P2-D2-N-B-TB-VS-DS-S-A-10-NN-040-Z-24-NNN | H1B110AAP2D2NBTBVSDSSA10NN040Z24NNN |
| 83020107 | H1-B-110-A-A-HE-HE-N-B-TB-DN-KN-N-N-NN-NN-074-Z-00-NNN | H1B110AAHEHENBTBDNKNNNNNNN074Z00NNN |
| 83020239 | H1-B-110-A-A-HE-HE-N-A-TB-CN-JN-N-N-NN-NN-074-Z-00-NNN | H1B110AAHEHENATBCNJNNNNNNN074Z00NNN |
| 83020286 | H1-B-110-A-A-HE-HE-N-B-TB-DN-KN-N-N-NN-NN-055-Z-00-NNN | H1B110AAHEHENBTBDNKNNNNNNN055Z00NNN |
| 83020420 | H1-B-110-A-A-HE-HE-N-B-TA-VN-EN-N-N-NN-NN-074-Z-00-NNN | H1B110AAHEHENBTAVNENNNNNNN074Z00NNN |
| 83020515 | H1-B-110-A-A-L1-BA-N-B-PB-VS-ES-S-A-15-NP-048-N-00-NNN | H1B110AAL1BANBPBVSESSA15NP048N00NNN |
| 83020516 | H1-B-110-A-A-L1-BA-N-B-PB-VS-ES-S-A-15-NP-038-N-00-NNN | H1B110AAL1BANBPBVSESSA15NP038N00NNN |
| 83020534 | H1-B-110-A-A-HE-HE-N-C-TA-VS-ES-S-A-15-NN-AA6-Z-00-NNN | H1B110AAHEHENCTAVSESSA15NNAA6Z00NNN |
| 83020649 | H1-B-110-A-A-HE-HE-N-A-TB-CN-KN-N-N-NN-NN-074-Z-00-NNN | H1B110AAHEHENATBCNKNNNNNNN074Z00NNN |
| 83020696 | H1-B-110-A-A-HE-HE-N-B-TB-VN-DN-N-A-15-NN-074-Z-00-NNN | H1B110AAHEHENBTBVNDNNA15NN074Z00NNN |
| 83020830 | H1-B-110-A-A-K1-K1-N-C-RB-DN-JN-N-A-10-NP-031-N-31-NNN | H1B110AAK1K1NCRBDNJNNA10NP031N31NNN |
| 83021049 | H1-B-110-A-A-D2-M2-N-B-PB-VN-DN-N-A-15-NP-050-N-25-NNN | H1B110AAD2M2NBPBVNDNNA15NP050N25NNN |
| 83021050 | H1-B-110-A-A-L2-BA-N-A-PA-DN-JN-N-A-15-NP-022-N-00-NNN | H1B110AAL2BANAPADNJNNA15NP022N00NNN |
| 83021153 | H1-B-110-A-A-L2-BA-N-B-PA-VS-DS-S-A-10-NP-025-N-00-NNN | H1B110AAL2BANBPAVSDSSA10NP025N00NNN |
| 83021154 | H1-B-110-A-A-L2-BA-N-B-PA-VS-DS-S-A-10-NP-050-N-00-NNN | H1B110AAL2BANBPAVSDSSA10NP050N00NNN |
| 83021244 | H1-B-110-A-A-E1-AA-N-C-TB-DN-JN-N-A-15-NN-074-Z-00-N02 | H1B110AAE1AANCTBDNJNNA15NN074Z00N02 |
| 83021587 | H1-B-110-A-A-P1-D1-N-A-TA-DS-KS-S-A-15-NN-034-Z-24-N11 | H1B110AAP1D1NATADSKSSA15NN034Z24N11 |
| 83021685 | H1-B-110-A-A-T1-D1-N-B-TA-VS-JS-S-A-15-NN-030-Z-30-NNN | H1B110AAT1D1NBTAVSJSSA15NN030Z30NNN |
| 83021693 | H1-B-110-A-A-TA-DA-N-B-TB-VN-DN-N-N-NN-NN-060-Z-20-NNN | H1B110AATADANBTBVNDNNNNNNN060Z20NNN |
| 83021764 | H1-B-110-A-A-E2-AA-N-B-TB-VN-EN-N-A-15-NN-063-S-00-NNN | H1B110AAE2AANBTBVNENNA15NN063S00NNN |
| 83021865 | H1-B-110-A-A-E2-AA-N-B-TB-DN-JN-N-A-15-NN-040-Z-00-NNN | H1B110AAE2AANBTBDNJNNA15NN040Z00NNN |
| 83021866 | H1-B-110-A-A-E2-AA-N-B-TB-DN-JN-N-N-NN-NN-050-Z-00-NNN | H1B110AAE2AANBTBDNJNNNNNNN050Z00NNN |
| 83021877 | H1-B-110-A-A-E1-AA-N-B-TB-VN-EN-N-N-NN-NN-034-Z-00-NNN | H1B110AAE1AANBTBVNENNNNNNN034Z00NNN |
| 83022017 | H1-B-110-A-A-K2-K2-N-B-RA-DS-KS-S-A-15-NP-022-N-24-NNN | H1B110AAK2K2NBRADSKSSA15NP022N24NNN |
| 83022068 | H1-B-110-A-A-E1-AA-N-B-TB-VN-DN-N-A-10-NN-036-Z-00-NNN | H1B110AAE1AANBTBVNDNNA10NN036Z00NNN |
| 83022499 | H1-B-110-A-A-E1-AA-N-B-TA-CN-JN-N-A-10-NN-053-Z-00-NNN | H1B110AAE1AANBTACNJNNA10NN053Z00NNN |
| 83022520 | H1-B-110-A-A-T1-D1-N-A-TA-DN-KN-N-A-15-NN-050-Z-24-NNN | H1B110AAT1D1NATADNKNNA15NN050Z24NNN |
| 83022668 | H1-B-110-A-A-HE-HE-N-B-TA-CN-JN-N-N-NN-NN-054-Z-00-NNN | H1B110AAHEHENBTACNJNNNNNNN054Z00NNN |
| 83022708 | H1-B-110-A-A-HE-HE-N-A-TA-VN-DN-N-N-NN-NN-055-Z-00-NNN | H1B110AAHEHENATAVNDNNNNNNN055Z00NNN |
| 83022710 | H1-B-110-A-A-T1-D1-N-B-TA-DS-JS-S-A-15-NN-030-Z-30-NNN | H1B110AAT1D1NBTADSJSSA15NN030Z30NNN |
| 83022711 | H1-B-110-A-A-E2-AA-N-B-TB-VN-EN-N-N-NN-NN-044-Z-00-NNN | H1B110AAE2AANBTBVNENNNNNNN044Z00NNN |
| 83022893 | H1-B-110-A-A-NB-NT-N-N-TA-VS-ES-P-A-10-NN-022-Z-00-0NN | H1B110AANBNTNNTAVSESPA10NN022Z000NN |
| 83022894 | H1-B-110-A-A-NB-NT-N-N-TB-VS-JS-P-A-10-NN-022-Z-00-0NN | H1B110AANBNTNNTBVSJSPA10NN022Z000NN |
| 83022899 | H1-B-110-A-A-NA-NR-N-N-PA-VS-ES-P-A-10-NP-022-N-00-0NN | H1B110AANANRNNPAVSESPA10NP022N000NN |
| 83022900 | H1-B-110-A-A-NA-NR-N-N-PB-VS-JS-P-A-10-NP-022-N-00-0NN | H1B110AANANRNNPBVSJSPA10NP022N000NN |
| 83023038 | H1-B-110-A-A-L2-BA-N-B-PB-VS-DS-S-A-10-NP-046-N-00-NNN | H1B110AAL2BANBPBVSDSSA10NP046N00NNN |
| 83023129 | H1-B-110-A-A-K1-K1-N-B-RB-VS-DS-S-A-20-NP-046-N-28-NNN | H1B110AAK1K1NBRBVSDSSA20NP046N28NNN |
| 83023130 | H1-B-110-A-A-HE-HE-N-B-TB-VN-DN-N-A-30-NN-022-Z-00-NNN | H1B110AAHEHENBTBVNDNNA30NN022Z00NNN |
| 83023155 | H1-B-110-A-A-M1-CA-N-A-RA-DS-JS-S-A-15-NP-MB0-N-00-NNN | H1B110AAM1CANARADSJSSA15NPMB0N00NNN |
| 83023338 | H1-B-110-A-A-TA-D1-N-B-TB-VS-ES-S-A-10-NN-035-Z-28-NNN | H1B110AATAD1NBTBVSESSA10NN035Z28NNN |
| 83023454 | H1-B-110-A-A-E1-AA-N-B-TB-CN-JN-N-A-10-NN-022-Z-00-N02 | H1B110AAE1AANBTBCNJNNA10NN022Z00N02 |
| 83023455 | H1-B-110-A-A-E1-AA-N-B-TB-VS-DS-S-A-15-NN-053-Z-00-N02 | H1B110AAE1AANBTBVSDSSA15NN053Z00N02 |
| 83023456 | H1-B-110-A-A-E1-AA-N-B-TB-CS-JS-S-A-10-NN-022-Z-00-N02 | H1B110AAE1AANBTBCSJSSA10NN022Z00N02 |
| 83023613 | H1-B-110-A-A-E1-AA-N-B-TB-VN-DN-N-A-15-NN-053-Z-00-N02 | H1B110AAE1AANBTBVNDNNA15NN053Z00N02 |
| 83023673 | H1-B-110-A-A-TA-DA-N-B-TA-VN-EN-N-A-10-NN-AA1-Z-30-NNN | H1B110AATADANBTAVNENNA10NNAA1Z30NNN |
| 83023762 | H1-B-110-A-A-HE-HE-N-A-TB-CN-JN-N-A-10-NN-054-Z-00-NNN | H1B110AAHEHENATBCNJNNA10NN054Z00NNN |
| 83023884 | H1-B-110-A-A-E2-AA-N-B-TA-VN-EN-N-A-30-NN-055-Z-00-NNN | H1B110AAE2AANBTAVNENNA30NN055Z00NNN |
| 83023997 | H1-B-110-A-A-L1-BA-N-B-PB-VN-EN-N-A-10-NP-056-N-00-NNN | H1B110AAL1BANBPBVNENNA10NP056N00NNN |
| 83024011 | H1-B-110-A-A-L1-BA-N-A-PM-CS-JS-S-A-15-NP-MB0-N-00-NNN | H1B110AAL1BANAPMCSJSSA15NPMB0N00NNN |
| 83024012 | H1-B-110-A-A-D2-MA-N-B-PB-DN-KN-N-A-10-NP-022-N-20-NNN | H1B110AAD2MANBPBDNKNNA10NP022N20NNN |
| 83024021 | H1-B-110-A-A-E2-AA-N-B-TB-VN-EN-N-A-15-NN-070-Z-00-NNN | H1B110AAE2AANBTBVNENNA15NN070Z00NNN |
| 83024036 | H1-B-110-A-A-P2-D2-N-A-TA-DS-JS-S-A-10-NN-036-Z-24-NNN | H1B110AAP2D2NATADSJSSA10NN036Z24NNN |
| 83024039 | H1-B-110-A-A-HE-HE-N-B-TB-VN-EN-N-A-10-NN-MB0-Z-00-NNN | H1B110AAHEHENBTBVNENNA10NNMB0Z00NNN |
| 83024124 | H1-B-110-A-A-T2-D2-N-B-TB-DS-ES-S-N-NN-NN-028-Z-22-NNN | H1B110AAT2D2NBTBDSESSNNNNN028Z22NNN |
| 83024127 | H1-B-110-A-A-E2-AA-N-B-TA-DN-KN-N-N-NN-NN-055-Z-00-NNN | H1B110AAE2AANBTADNKNNNNNNN055Z00NNN |
| 83024293 | H1-B-110-A-A-T1-D1-N-B-TB-CS-JS-S-A-10-NN-074-Z-18-NNN | H1B110AAT1D1NBTBCSJSSA10NN074Z18NNN |
| 83024387 | H1-B-110-A-A-L2-BA-N-B-PA-VS-DS-S-A-10-NP-022-N-00-NNN | H1B110AAL2BANBPAVSDSSA10NP022N00NNN |
| 83024400 | H1-B-110-A-A-T2-D2-N-C-TA-VS-ES-S-A-10-NN-074-Z-25-NNN | H1B110AAT2D2NCTAVSESSA10NN074Z25NNN |
| 83024422 | H1-B-110-A-A-E2-AA-N-B-TA-VN-EN-N-A-20-NN-055-Z-00-NNN | H1B110AAE2AANBTAVNENNA20NN055Z00NNN |
| 83024448 | H1-B-110-A-A-E2-AA-N-B-TB-VN-DN-N-A-10-NN-070-Z-00-NNN | H1B110AAE2AANBTBVNDNNA10NN070Z00NNN |
| 83024515 | H1-B-110-A-A-HE-HE-N-B-TB-VN-EN-N-A-15-NN-064-Z-00-NNN | H1B110AAHEHENBTBVNENNA15NN064Z00NNN |
| 83024535 | H1-B-110-A-A-T2-DA-N-B-TB-DS-JS-S-A-15-NN-044-Z-28-NNN | H1B110AAT2DANBTBDSJSSA15NN044Z28NNN |
| 83024708 | H1-B-110-A-A-HE-HE-N-B-TA-DS-KS-S-A-15-NN-070-Z-00-NNN | H1B110AAHEHENBTADSKSSA15NN070Z00NNN |
| 83024790 | H1-B-110-A-A-P1-D1-N-B-TA-DS-JS-S-A-15-NN-031-Z-24-NNN | H1B110AAP1D1NBTADSJSSA15NN031Z24NNN |
| 83024893 | H1-B-110-A-A-L2-BA-N-B-PB-CN-JN-N-A-10-NP-030-N-00-NNN | H1B110AAL2BANBPBCNJNNA10NP030N00NNN |
| 83024935 | H1-B-110-A-A-TA-DA-N-B-TA-VS-ES-S-N-NN-NN-070-Z-16-NNN | H1B110AATADANBTAVSESSNNNNN070Z16NNN |
| 83024952 | H1-B-110-A-A-E1-AA-N-B-TA-CN-JN-N-A-15-NN-032-Z-00-NNN | H1B110AAE1AANBTACNJNNA15NN032Z00NNN |
| 83024993 | H1-B-110-A-A-HE-HE-N-B-TA-VN-EN-N-A-15-NN-064-Z-00-NNN | H1B110AAHEHENBTAVNENNA15NN064Z00NNN |
| 83025009 | H1-B-110-A-A-E1-AA-N-C-TB-DN-KN-N-A-15-NN-AA9-Z-00-NNN | H1B110AAE1AANCTBDNKNNA15NNAA9Z00NNN |
| 83025052 | H1-B-110-A-A-HE-HE-N-A-TB-VN-EN-N-A-10-NN-022-Z-00-NNN | H1B110AAHEHENATBVNENNA10NN022Z00NNN |
| 83025122 | H1-B-110-A-A-L2-BA-N-B-PB-VS-DS-B-A-15-NP-MB0-N-00-NNN | H1B110AAL2BANBPBVSDSBA15NPMB0N00NNN |
| 83025124 | H1-B-110-A-A-K1-K1-N-B-RB-DN-KN-N-A-10-NP-036-N-36-NNN | H1B110AAK1K1NBRBDNKNNA10NP036N36NNN |
| 83025370 | H1-B-110-A-A-M1-CA-N-A-RA-DS-JS-S-N-NN-NP-MB0-N-00-NNN | H1B110AAM1CANARADSJSSNNNNPMB0N00NNN |
| 83025394 | H1-B-110-A-A-TA-DA-N-B-TA-DN-JN-N-N-NN-NN-046-Z-23-NNN | H1B110AATADANBTADNJNNNNNNN046Z23NNN |
| 83025425 | H1-B-110-A-A-L2-BA-N-B-PB-CS-JS-S-A-10-NP-025-N-00-NNN | H1B110AAL2BANBPBCSJSSA10NP025N00NNN |
| 83025472 | H1-B-110-A-A-E2-AA-N-B-TB-DN-KN-N-N-NN-NN-046-Z-00-NNN | H1B110AAE2AANBTBDNKNNNNNNN046Z00NNN |
| 83025478 | H1-B-110-A-A-T1-D1-N-C-TA-DN-JN-N-A-15-NN-055-Z-29-NNN | H1B110AAT1D1NCTADNJNNA15NN055Z29NNN |
| 83025779 | H1-B-110-A-A-T2-D2-N-B-TB-VN-EN-N-N-NN-NN-057-Z-25-NNN | H1B110AAT2D2NBTBVNENNNNNNN057Z25NNN |
| 83027704 | H1-B-110-A-A-TA-DA-N-A-TB-CN-JN-N-N-NN-NN-056-Z-18-NNN | H1B110AATADANATBCNJNNNNNNN056Z18NNN |
| 83027755 | H1-B-110-A-A-M1-CA-N-A-RB-VS-ES-S-N-NN-NP-MB0-N-00-NNN | H1B110AAM1CANARBVSESSNNNNPMB0N00NNN |
| 83027841 | H1-B-110-A-A-L2-BA-N-A-PB-CS-JS-B-A-10-NP-050-N-00-NNN | H1B110AAL2BANAPBCSJSBA10NP050N00NNN |
| 83027858 | H1-B-110-A-A-T2-D2-N-B-TB-VS-ES-S-N-NN-NN-028-Z-22-NNN | H1B110AAT2D2NBTBVSESSNNNNN028Z22NNN |
| 83027885 | H1-B-110-A-A-E2-AA-N-B-TA-VN-DN-N-A-10-NN-022-Z-00-NNN | H1B110AAE2AANBTAVNDNNA10NN022Z00NNN |
| 83028005 | H1-B-110-A-A-L2-BA-N-A-PB-VS-ES-S-A-15-NP-070-N-00-NNN | H1B110AAL2BANAPBVSESSA15NP070N00NNN |
| 83028084 | H1-B-110-A-A-T2-DA-N-B-TB-CS-JS-S-A-15-NN-055-Z-35-NNN | H1B110AAT2DANBTBCSJSSA15NN055Z35NNN |
| 83028107 | H1-B-110-A-A-L2-BA-N-B-PA-VN-DN-N-A-15-NP-040-N-00-NNN | H1B110AAL2BANBPAVNDNNA15NP040N00NNN |
| 83028108 | H1-B-110-A-A-E2-AA-N-B-TA-VN-DN-N-A-15-NN-040-Z-00-NNN | H1B110AAE2AANBTAVNDNNA15NN040Z00NNN |
| 83028160 | H1-B-110-A-A-T2-D2-N-C-TB-VS-DS-S-A-10-NN-037-S-17-N02 | H1B110AAT2D2NCTBVSDSSA10NN037S17N02 |
| 83028172 | H1-B-110-A-A-L2-BA-N-A-PB-DN-JN-N-A-15-NP-040-N-00-NNN | H1B110AAL2BANAPBDNJNNA15NP040N00NNN |
| 83028250 | H1-B-110-A-A-K1-K1-N-C-RA-DS-JS-S-A-15-NP-037-N-30-NNN | H1B110AAK1K1NCRADSJSSA15NP037N30NNN |
| 83028306 | H1-B-110-A-A-HE-HE-N-C-TB-CS-JS-S-A-10-NN-058-Z-00-NNN | H1B110AAHEHENCTBCSJSSA10NN058Z00NNN |
| 83028331 | H1-B-110-A-A-T2-D2-N-B-TB-VN-EN-N-A-10-NN-060-Z-28-NNN | H1B110AAT2D2NBTBVNENNA10NN060Z28NNN |
| 83028332 | H1-B-110-A-A-P1-D1-N-A-TA-DS-KS-S-A-10-NN-025-Z-24-NNN | H1B110AAP1D1NATADSKSSA10NN025Z24NNN |
| 83028336 | H1-B-110-A-A-P1-D1-N-C-TA-DS-KS-S-A-15-NN-030-Z-24-NNN | H1B110AAP1D1NCTADSKSSA15NN030Z24NNN |
| 83028582 | H1-B-110-A-A-L1-BA-N-B-PB-VN-EN-N-A-10-NP-074-N-00-NNN | H1B110AAL1BANBPBVNENNA10NP074N00NNN |
| 83028829 | H1-B-110-A-A-L1-BA-N-A-PB-VN-EN-N-N-NN-NP-MB0-N-00-NNN | H1B110AAL1BANAPBVNENNNNNNPMB0N00NNN |
| 83028904 | H1-B-110-A-A-E2-AA-N-B-TB-VS-DS-B-A-10-NN-070-Z-00-NNN | H1B110AAE2AANBTBVSDSBA10NN070Z00NNN |
| 83028933 | H1-B-110-A-A-D2-M2-N-B-PA-VS-DS-S-A-15-NP-025-N-30-NNN | H1B110AAD2M2NBPAVSDSSA15NP025N30NNN |
| 83028936 | H1-B-110-A-A-D2-M2-N-B-PA-VS-DS-S-A-15-NP-050-N-30-NNN | H1B110AAD2M2NBPAVSDSSA15NP050N30NNN |
| 83029029 | H1-B-110-A-A-T2-DA-N-B-TA-DN-JN-N-A-15-NN-039-Z-28-NNN | H1B110AAT2DANBTADNJNNA15NN039Z28NNN |
| 83029076 | H1-B-110-A-A-E2-AA-N-B-TA-VN-EN-N-N-NN-NN-MB0-Z-00-NNN | H1B110AAE2AANBTAVNENNNNNNNMB0Z00NNN |
| 83029083 | H1-B-110-A-A-T1-D1-N-B-TA-DN-JN-N-A-05-NN-040-Z-27-NNN | H1B110AAT1D1NBTADNJNNA05NN040Z27NNN |
| 83029093 | H1-B-110-A-A-P2-D2-N-A-TA-DS-JS-S-A-10-NN-027-Z-24-NNN | H1B110AAP2D2NATADSJSSA10NN027Z24NNN |
| 83029252 | H1-B-110-A-A-E2-AA-N-B-TB-DS-JS-P-N-NN-NN-035-Z-00-NNN | H1B110AAE2AANBTBDSJSPNNNNN035Z00NNN |
| 83029300 | H1-B-110-A-A-L2-BA-N-A-PB-DS-JS-P-A-15-NP-030-N-00-NNN | H1B110AAL2BANAPBDSJSPA15NP030N00NNN |
| 83029324 | H1-B-110-A-A-E2-AA-N-B-TB-DN-JN-N-A-10-NN-044-Z-00-NNN | H1B110AAE2AANBTBDNJNNA10NN044Z00NNN |
| 83029325 | H1-B-110-A-A-E2-AA-N-B-TB-CS-JS-B-A-10-NN-044-Z-00-NNN | H1B110AAE2AANBTBCSJSBA10NN044Z00NNN |
| 83029326 | H1-B-110-A-A-E2-AA-N-B-TB-DN-JN-N-A-10-NN-036-Z-00-NNN | H1B110AAE2AANBTBDNJNNA10NN036Z00NNN |
| 83029327 | H1-B-110-A-A-E2-AA-N-B-TB-CS-JS-B-A-10-NN-036-Z-00-NNN | H1B110AAE2AANBTBCSJSBA10NN036Z00NNN |
| 83029388 | H1-B-110-A-A-D2-M2-N-A-PA-VN-DN-N-A-15-NP-022-N-25-N10 | H1B110AAD2M2NAPAVNDNNA15NP022N25N10 |
| 83029435 | H1-B-110-A-A-T1-D1-N-B-TB-CN-JN-N-A-10-NN-030-Z-20-NNN | H1B110AAT1D1NBTBCNJNNA10NN030Z20NNN |
| 83029461 | H1-B-110-A-A-E2-AA-N-B-TB-VN-DN-N-A-15-NN-055-Z-00-NNN | H1B110AAE2AANBTBVNDNNA15NN055Z00NNN |
| 83029510 | H1-B-110-A-A-HE-HE-N-B-TB-DN-JN-N-A-10-NN-060-Z-00-NNN | H1B110AAHEHENBTBDNJNNA10NN060Z00NNN |
| 83029548 | H1-B-110-A-A-L1-BA-N-B-PB-CS-JS-S-A-15-NP-MB0-N-00-NNN | H1B110AAL1BANBPBCSJSSA15NPMB0N00NNN |
| 83029638 | H1-B-110-A-A-T1-DA-N-B-TA-DN-KN-N-A-15-NN-037-Z-30-NNN | H1B110AAT1DANBTADNKNNA15NN037Z30NNN |
| 83029693 | H1-B-110-A-A-T1-D1-N-B-TB-DN-JN-N-A-10-NN-030-Z-20-NNN | H1B110AAT1D1NBTBDNJNNA10NN030Z20NNN |
| 83029715 | H1-B-110-A-A-L2-BA-N-B-PB-DN-JN-N-N-NN-NP-050-N-00-NNN | H1B110AAL2BANBPBDNJNNNNNNP050N00NNN |
| 83029750 | H1-B-110-A-A-T1-D1-N-B-TA-DN-JN-N-A-10-NN-030-Z-20-NNN | H1B110AAT1D1NBTADNJNNA10NN030Z20NNN |
| 83029751 | H1-B-110-A-A-HE-HE-N-A-TA-VN-EN-N-N-NN-NN-055-Z-00-NNN | H1B110AAHEHENATAVNENNNNNNN055Z00NNN |
| 83029767 | H1-B-110-A-A-E2-AA-N-A-TB-VS-ES-B-A-15-NN-050-Z-00-NNN | H1B110AAE2AANATBVSESBA15NN050Z00NNN |
| 83029824 | H1-B-110-A-A-TA-DA-N-B-TB-VN-DN-N-N-NN-NN-055-Z-23-NNN | H1B110AATADANBTBVNDNNNNNNN055Z23NNN |
| 83029916 | H1-B-110-A-A-TA-DA-N-B-TA-VN-DN-N-A-20-NN-AA1-Z-25-NNN | H1B110AATADANBTAVNDNNA20NNAA1Z25NNN |
| 83029932 | H1-B-110-A-A-L2-BA-N-B-PB-DN-JN-N-A-15-NP-050-N-00-NNN | H1B110AAL2BANBPBDNJNNA15NP050N00NNN |
| 83029947 | H1-B-110-A-A-TA-DA-N-B-TB-VN-DN-N-N-NN-NN-AA1-Z-28-NNN | H1B110AATADANBTBVNDNNNNNNNAA1Z28NNN |
| 83030063 | H1-B-110-A-A-E2-AA-N-B-TA-CN-JN-N-A-20-NN-055-Z-00-NNN | H1B110AAE2AANBTACNJNNA20NN055Z00NNN |
| 83030216 | H1-B-110-A-A-HE-HE-N-B-TA-VN-EN-N-A-15-NN-055-Z-00-NNN | H1B110AAHEHENBTAVNENNA15NN055Z00NNN |
| 83030239 | H1-B-110-A-A-E1-AA-N-B-TB-VN-EN-N-A-15-NN-074-Z-00-NNN | H1B110AAE1AANBTBVNENNA15NN074Z00NNN |
| 83030388 | H1-B-110-A-A-L2-BA-N-B-PA-VS-ES-S-A-15-NP-050-N-00-NNN | H1B110AAL2BANBPAVSESSA15NP050N00NNN |
| 83030448 | H1-B-110-A-A-E1-AA-N-C-TB-VN-DN-N-A-15-NN-030-Z-00-N02 | H1B110AAE1AANCTBVNDNNA15NN030Z00N02 |
| 83030604 | H1-B-110-A-A-E2-AA-N-B-TB-DS-JS-P-A-15-NN-040-Z-00-NNN | H1B110AAE2AANBTBDSJSPA15NN040Z00NNN |
| 83030605 | H1-B-110-A-A-E2-AA-N-B-TB-DS-JS-P-N-NN-NN-050-Z-00-NNN | H1B110AAE2AANBTBDSJSPNNNNN050Z00NNN |
| 83030755 | H1-B-110-A-A-P1-D1-N-C-TA-DS-KS-S-A-15-NN-029-Z-24-N06 | H1B110AAP1D1NCTADSKSSA15NN029Z24N06 |
| 83030796 | H1-B-110-A-A-E2-AA-N-A-TA-VS-DS-S-A-15-NN-052-Z-00-NNN | H1B110AAE2AANATAVSDSSA15NN052Z00NNN |
| 83030842 | H1-B-110-A-A-K2-K2-N-C-RA-DN-JN-N-A-10-NP-031-N-31-NNN | H1B110AAK2K2NCRADNJNNA10NP031N31NNN |
| 83030949 | H1-B-110-A-A-M1-CA-N-B-RA-VS-JS-S-A-10-NP-022-N-00-NNN | H1B110AAM1CANBRAVSJSSA10NP022N00NNN |
| 83030999 | H1-B-110-A-A-L2-BA-N-B-PB-CS-JS-S-A-10-NP-MB0-N-00-NNN | H1B110AAL2BANBPBCSJSSA10NPMB0N00NNN |
| 83031022 | H1-B-110-A-A-E1-AA-N-B-TB-DS-KS-S-A-10-NN-035-Z-00-N01 | H1B110AAE1AANBTBDSKSSA10NN035Z00N01 |
| 83031023 | H1-B-110-A-A-E1-AA-N-B-TB-DS-KS-S-A-10-NN-050-Z-00-N01 | H1B110AAE1AANBTBDSKSSA10NN050Z00N01 |
| 83031024 | H1-B-110-A-A-E1-AA-N-B-TB-CS-JS-S-A-10-NN-035-Z-00-N01 | H1B110AAE1AANBTBCSJSSA10NN035Z00N01 |
| 83031025 | H1-B-110-A-A-E1-AA-N-B-TB-CS-JS-S-A-10-NN-050-Z-00-N01 | H1B110AAE1AANBTBCSJSSA10NN050Z00N01 |
| 83031066 | H1-B-110-A-A-E2-AA-N-B-TB-DN-KN-N-A-10-NN-025-Z-00-NNN | H1B110AAE2AANBTBDNKNNA10NN025Z00NNN |
| 83031067 | H1-B-110-A-A-E1-AA-N-B-TB-DN-KN-N-A-10-NN-025-Z-00-NNN | H1B110AAE1AANBTBDNKNNA10NN025Z00NNN |
| 83031068 | H1-B-110-A-A-E2-AA-N-B-TB-CS-JS-B-A-10-NN-050-Z-00-NNN | H1B110AAE2AANBTBCSJSBA10NN050Z00NNN |
| 83031069 | H1-B-110-A-A-E2-AA-N-B-TB-CS-JS-B-A-10-NN-040-Z-00-NNN | H1B110AAE2AANBTBCSJSBA10NN040Z00NNN |
| 83031071 | H1-B-110-A-A-E2-AA-N-B-TB-DN-KN-N-A-10-NN-050-Z-00-NNN | H1B110AAE2AANBTBDNKNNA10NN050Z00NNN |
| 83031072 | H1-B-110-A-A-E2-AA-N-B-TB-CS-JS-B-A-10-NN-035-Z-00-NNN | H1B110AAE2AANBTBCSJSBA10NN035Z00NNN |
| 83031077 | H1-B-110-A-A-E2-AA-N-B-TB-VN-EN-N-A-15-NN-045-Z-00-NNN | H1B110AAE2AANBTBVNENNA15NN045Z00NNN |
| 83031092 | H1-B-110-A-A-E2-AA-N-B-TB-DN-JN-N-A-10-NN-060-Z-00-NNN | H1B110AAE2AANBTBDNJNNA10NN060Z00NNN |
| 83031179 | H1-B-110-A-A-L1-BA-N-A-PM-CS-JS-B-A-15-NP-MB0-N-00-N06 | H1B110AAL1BANAPMCSJSBA15NPMB0N00N06 |
| 83031294 | H1-B-110-A-A-T1-D1-N-A-TA-DS-KS-S-A-15-NN-050-Z-24-NNN | H1B110AAT1D1NATADSKSSA15NN050Z24NNN |
| 83031297 | H1-B-110-A-A-T1-D1-N-C-TA-DN-JN-N-A-15-NN-054-Z-30-NNN | H1B110AAT1D1NCTADNJNNA15NN054Z30NNN |
| 83031414 | H1-B-110-A-A-E2-AA-N-B-TB-DS-KS-B-A-10-NN-040-Z-00-NNN | H1B110AAE2AANBTBDSKSBA10NN040Z00NNN |
| 83031466 | H1-B-110-A-A-TA-DA-N-B-TA-VS-ES-B-N-NN-NN-070-Z-16-NNN | H1B110AATADANBTAVSESBNNNNN070Z16NNN |
| 83031964 | H1-B-110-A-A-NB-NT-N-N-TB-VS-ES-S-A-15-NN-000-Z-00-NNN | H1B110AANBNTNNTBVSESSA15NN000Z00NNN |
| 83031970 | H1-B-110-A-A-HE-HE-N-A-TA-VS-ES-B-A-10-NN-025-Z-00-NNN | H1B110AAHEHENATAVSESBA10NN025Z00NNN |
| 83032041 | H1-B-110-A-A-E1-AA-N-B-TB-VN-EN-N-N-NN-NN-061-Z-00-NNN | H1B110AAE1AANBTBVNENNNNNNN061Z00NNN |
| 83032106 | H1-B-110-A-A-TA-DA-N-B-TA-VN-EN-N-A-10-NN-062-Z-22-NNN | H1B110AATADANBTAVNENNA10NN062Z22NNN |
| 83032142 | H1-B-110-A-A-TA-DA-N-C-TB-VN-DN-N-N-NN-NN-060-Z-19-NNN | H1B110AATADANCTBVNDNNNNNNN060Z19NNN |
| 83032246 | H1-B-110-A-A-L2-BA-N-A-PB-DS-JS-P-N-NN-NP-050-N-00-NNN | H1B110AAL2BANAPBDSJSPNNNNP050N00NNN |
| 83032271 | H1-B-110-A-A-L2-BA-N-B-PA-VN-EN-N-N-NN-NP-022-N-00-NNN | H1B110AAL2BANBPAVNENNNNNNP022N00NNN |
| 83032361 | H1-B-110-A-A-E2-AA-N-A-TB-DS-JS-B-N-NN-NN-040-Z-00-NNN | H1B110AAE2AANATBDSJSBNNNNN040Z00NNN |
| 83032362 | H1-B-110-A-A-L2-BA-N-B-PB-VS-ES-S-N-NN-NP-022-N-00-NNN | H1B110AAL2BANBPBVSESSNNNNP022N00NNN |
| 83032496 | H1-B-110-A-A-D1-MF-N-B-PA-DS-KS-S-A-30-NP-022-N-37-NNN | H1B110AAD1MFNBPADSKSSA30NP022N37NNN |
| 83032526 | H1-B-110-A-A-TA-DA-N-B-TB-DN-KN-N-A-10-NN-060-Z-22-NNN | H1B110AATADANBTBDNKNNA10NN060Z22NNN |
| 83032531 | H1-B-110-A-A-T2-DA-N-B-TB-VS-DS-P-A-15-NN-055-Z-28-N12 | H1B110AAT2DANBTBVSDSPA15NN055Z28N12 |
| 83032551 | H1-B-110-A-A-L2-BA-N-A-PB-DS-JS-P-N-NN-NP-040-N-00-NNN | H1B110AAL2BANAPBDSJSPNNNNP040N00NNN |
| 83032737 | H1-B-110-A-A-M1-CA-N-B-RB-CS-JS-S-N-NN-NP-MB0-N-00-N05 | H1B110AAM1CANBRBCSJSSNNNNPMB0N00N05 |
| 83032768 | H1-B-110-A-A-E1-AA-N-A-TA-VN-DN-N-N-NN-NN-MB0-Z-00-NNN | H1B110AAE1AANATAVNDNNNNNNNMB0Z00NNN |
| 83033132 | H1-B-110-A-A-T2-DA-N-B-TB-VS-DS-P-A-15-NN-048-Z-30-N12 | H1B110AAT2DANBTBVSDSPA15NN048Z30N12 |
| 83033341 | H1-B-110-A-A-L2-BA-N-A-PB-VS-DS-S-A-15-NP-MB0-N-00-NNN | H1B110AAL2BANAPBVSDSSA15NPMB0N00NNN |
| 83033463 | H1-B-110-A-A-E2-AA-N-B-TB-VS-DS-S-A-10-NN-035-Z-00-NNN | H1B110AAE2AANBTBVSDSSA10NN035Z00NNN |
| 83033494 | H1-B-110-A-A-E1-AA-N-B-TB-DS-JS-S-N-NN-NN-055-Z-00-NNN | H1B110AAE1AANBTBDSJSSNNNNN055Z00NNN |
| 83033525 | H1-B-110-A-A-E2-AA-N-B-TA-DS-KS-S-A-10-NN-070-Z-00-NNN | H1B110AAE2AANBTADSKSSA10NN070Z00NNN |
| 83033592 | H1-B-110-A-A-M1-CA-N-B-RB-CS-JS-B-N-NN-NP-000-N-00-N05 | H1B110AAM1CANBRBCSJSBNNNNP000N00N05 |
| 83033596 | H1-B-110-A-A-HE-HE-N-B-TB-VS-DS-B-A-15-NN-032-Z-00-NNN | H1B110AAHEHENBTBVSDSBA15NN032Z00NNN |
| 83033659 | H1-B-110-A-A-E1-AA-N-B-TB-DS-JS-S-N-NN-NN-061-R-00-NNN | H1B110AAE1AANBTBDSJSSNNNNN061R00NNN |
| 83033804 | H1-B-110-A-A-NB-NT-N-N-TB-DS-KS-S-A-15-NN-032-Z-00-NNN | H1B110AANBNTNNTBDSKSSA15NN032Z00NNN |
| 83034009 | H1-B-110-A-A-E1-AA-N-B-TB-VN-EN-N-N-NN-NN-061-Z-00-N13 | H1B110AAE1AANBTBVNENNNNNNN061Z00N13 |
| 83034011 | H1-B-110-A-A-L1-BA-N-C-PA-DN-JN-N-A-05-NP-035-N-00-C02 | H1B110AAL1BANCPADNJNNA05NP035N00C02 |
| 83034014 | H1-B-110-A-A-HE-HE-N-B-TA-DN-KN-N-A-10-NN-055-T-00-NNN | H1B110AAHEHENBTADNKNNA10NN055T00NNN |
| 83034231 | H1-B-110-A-A-E2-AA-N-B-TB-VN-EN-N-A-10-NN-036-Z-00-NNN | H1B110AAE2AANBTBVNENNA10NN036Z00NNN |
| 83034248 | H1-B-110-A-A-HE-HE-N-B-TA-DN-KN-N-N-NN-NN-030-Z-00-NNN | H1B110AAHEHENBTADNKNNNNNNN030Z00NNN |
| 83034253 | H1-B-110-A-A-T2-DA-N-B-TA-DN-KN-N-A-10-NN-058-Z-24-NNN | H1B110AAT2DANBTADNKNNA10NN058Z24NNN |
| 83034262 | H1-B-110-A-A-L2-BA-N-B-PB-VS-DS-B-A-30-NP-045-N-00-NNN | H1B110AAL2BANBPBVSDSBA30NP045N00NNN |
| 83034548 | H1-B-110-A-A-D2-M2-N-A-PA-DN-DN-N-A-15-NP-022-N-25-N10 | H1B110AAD2M2NAPADNDNNA15NP022N25N10 |
| 83034560 | H1-B-110-A-A-NB-NT-N-N-TA-VS-ES-P-N-NN-NN-000-Z-00-0NN | H1B110AANBNTNNTAVSESPNNNNN000Z000NN |
| 83034561 | H1-B-110-A-A-NB-NT-N-N-TB-VS-ES-P-N-NN-NN-000-Z-00-0NN | H1B110AANBNTNNTBVSESPNNNNN000Z000NN |
| 83034572 | H1-B-110-A-A-NB-NT-N-N-TB-VN-EN-N-A-15-NN-000-Z-00-NNN | H1B110AANBNTNNTBVNENNA15NN000Z00NNN |
| 83034727 | H1-B-110-A-A-L2-BA-N-B-PB-VS-DS-B-A-15-NP-022-N-00-NNN | H1B110AAL2BANBPBVSDSBA15NP022N00NNN |
| 83035072 | H1-B-110-A-A-T1-D1-N-B-TA-CN-JN-N-A-15-NN-070-Z-24-NNN | H1B110AAT1D1NBTACNJNNA15NN070Z24NNN |
| 83035076 | H1-B-110-A-A-TA-D2-N-B-TA-CN-JN-N-A-10-NN-074-Z-24-NNN | H1B110AATAD2NBTACNJNNA10NN074Z24NNN |
| 83035078 | H1-B-110-A-A-T2-D2-N-B-TA-DS-JS-S-A-15-NN-074-S-28-NNN | H1B110AAT2D2NBTADSJSSA15NN074S28NNN |
| 83035113 | H1-B-110-A-A-K1-K1-N-B-RA-VS-DS-S-A-10-NP-065-N-27-NNN | H1B110AAK1K1NBRAVSDSSA10NP065N27NNN |
| 83035278 | H1-B-110-A-A-P1-D1-N-B-TA-DS-JS-S-A-15-NN-026-Z-24-N14 | H1B110AAP1D1NBTADSJSSA15NN026Z24N14 |
| 83035326 | H1-B-110-A-A-T1-DA-N-C-TB-CN-JN-N-A-15-NN-070-Z-24-NNN | H1B110AAT1DANCTBCNJNNA15NN070Z24NNN |
| 83035443 | H1-B-110-A-A-TA-D1-N-B-TA-VN-DN-N-A-10-NN-055-Z-30-NNN | H1B110AATAD1NBTAVNDNNA10NN055Z30NNN |
| 83035488 | H1-B-110-A-A-E2-AA-N-B-TB-CS-JS-P-A-10-NN-045-Z-00-NNN | H1B110AAE2AANBTBCSJSPA10NN045Z00NNN |
| 83035552 | H1-B-110-A-A-E2-AA-N-B-TA-DS-JS-S-N-NN-NN-054-R-00-NNN | H1B110AAE2AANBTADSJSSNNNNN054R00NNN |
| 83036041 | H1-B-110-A-A-L2-BA-N-A-PA-CN-JN-N-N-NN-NP-074-N-00-NNN | H1B110AAL2BANAPACNJNNNNNNP074N00NNN |
| 83036106 | H1-B-110-A-A-E1-AA-N-B-TB-VN-DN-N-A-15-NN-055-Z-00-NNN | H1B110AAE1AANBTBVNDNNA15NN055Z00NNN |
| 83036280 | H1-B-110-A-A-M1-CA-N-A-RA-CS-JS-S-A-15-NP-000-N-00-NNN | H1B110AAM1CANARACSJSSA15NP000N00NNN |
| 83036292 | H1-B-110-A-A-E1-AA-N-B-TB-VS-ES-P-N-NN-NN-050-R-00-N13 | H1B110AAE1AANBTBVSESPNNNNN050R00N13 |
| 83036293 | H1-B-110-A-A-E1-AA-N-B-TB-VS-ES-P-N-NN-NN-061-R-00-N13 | H1B110AAE1AANBTBVSESPNNNNN061R00N13 |
| 83036294 | H1-B-110-A-A-E2-AA-N-B-TB-VN-EN-N-N-NN-NN-061-Z-00-N13 | H1B110AAE2AANBTBVNENNNNNNN061Z00N13 |
| 83036296 | H1-B-110-A-A-E2-AA-N-B-TB-VS-ES-P-N-NN-NN-061-R-00-N13 | H1B110AAE2AANBTBVSESPNNNNN061R00N13 |
| 83036374 | H1-B-110-A-A-E1-AA-N-B-TB-VN-EN-N-A-20-NN-AA1-Z-00-NNN | H1B110AAE1AANBTBVNENNA20NNAA1Z00NNN |
| 83036468 | H1-B-110-A-A-P2-D2-N-B-TA-DS-KS-S-A-15-NN-022-Z-24-NNN | H1B110AAP2D2NBTADSKSSA15NN022Z24NNN |
| 83036475 | H1-B-110-A-A-TA-DA-N-B-TB-VN-EN-N-A-15-NN-063-Z-21-NNN | H1B110AATADANBTBVNENNA15NN063Z21NNN |
| 83036568 | H1-B-110-A-A-K2-K2-N-B-RB-DN-JN-N-A-15-NP-026-N-30-NNN | H1B110AAK2K2NBRBDNJNNA15NP026N30NNN |
| 83036669 | H1-B-110-A-A-E2-AA-N-B-TA-VN-DN-N-A-10-NN-030-Z-00-NNN | H1B110AAE2AANBTAVNDNNA10NN030Z00NNN |
| 83036925 | H1-B-110-A-A-T2-DA-N-B-TB-VS-DS-S-A-15-NN-044-Z-28-NNN | H1B110AAT2DANBTBVSDSSA15NN044Z28NNN |
| 83036934 | H1-B-110-A-A-M1-CA-N-A-RA-CS-JS-S-A-15-NP-MB0-N-00-N06 | H1B110AAM1CANARACSJSSA15NPMB0N00N06 |
| 83036978 | H1-B-110-A-A-E1-AA-N-A-TB-VN-EN-N-N-NN-NN-050-R-00-NNN | H1B110AAE1AANATBVNENNNNNNN050R00NNN |
| 83037046 | H1-B-110-A-A-TA-D1-N-A-TB-VS-ES-S-A-10-NN-060-Z-20-NNN | H1B110AATAD1NATBVSESSA10NN060Z20NNN |
| 83037048 | H1-B-110-A-A-E2-AA-N-B-TB-DN-JN-N-N-NN-NN-055-Z-00-NNN | H1B110AAE2AANBTBDNJNNNNNNN055Z00NNN |
| 83037051 | H1-B-110-A-A-HE-HE-N-B-TB-VN-EN-N-A-10-NN-022-Z-00-NNN | H1B110AAHEHENBTBVNENNA10NN022Z00NNN |
| 83037276 | H1-B-110-A-A-TA-DA-N-B-TB-DS-JS-P-A-15-NN-074-Z-25-NNN | H1B110AATADANBTBDSJSPA15NN074Z25NNN |
| 83037302 | H1-B-110-A-A-E1-AA-N-B-TB-VS-ES-B-N-NN-NN-050-R-00-NNN | H1B110AAE1AANBTBVSESBNNNNN050R00NNN |
| 83037329 | H1-B-110-A-A-E2-AA-N-B-TA-VN-EN-N-N-NN-NN-050-Z-00-NNN | H1B110AAE2AANBTAVNENNNNNNN050Z00NNN |
| 83037800 | H1-B-110-A-A-L2-BA-N-B-PB-VS-ES-S-A-15-NP-067-N-00-NNN | H1B110AAL2BANBPBVSESSA15NP067N00NNN |
| 83037805 | H1-B-110-A-A-P1-D1-N-A-TA-DS-JS-S-A-15-NN-048-Z-24-N11 | H1B110AAP1D1NATADSJSSA15NN048Z24N11 |
| 83037819 | H1-B-110-A-A-L2-BA-N-A-PB-VN-EN-N-A-10-NP-047-N-00-NNN | H1B110AAL2BANAPBVNENNA10NP047N00NNN |
| 83037955 | H1-B-110-A-A-K1-KA-N-B-RA-VN-DN-N-A-10-NP-022-N-30-NNN | H1B110AAK1KANBRAVNDNNA10NP022N30NNN |
| 83037956 | H1-B-110-A-A-DH-MA-L-B-PA-VN-EN-N-N-NN-NP-046-N-21-NNN | H1B110AADHMALBPAVNENNNNNNP046N21NNN |
| 83038205 | H1-B-110-A-A-HE-HE-N-A-TA-VN-EN-N-A-10-NN-055-Z-00-NNN | H1B110AAHEHENATAVNENNA10NN055Z00NNN |
| 83038375 | H1-B-110-A-A-E1-AA-N-B-TB-VN-EN-N-N-NN-NN-000-Z-00-NNN | H1B110AAE1AANBTBVNENNNNNNN000Z00NNN |
| 83038522 | H1-B-110-A-A-TA-DA-N-C-TA-DN-JN-N-A-10-NN-074-Z-28-NNN | H1B110AATADANCTADNJNNA10NN074Z28NNN |
| 83038587 | H1-B-110-A-A-E1-AA-N-B-TB-VS-ES-B-N-NN-NN-050-R-00-N13 | H1B110AAE1AANBTBVSESBNNNNN050R00N13 |
| 83038588 | H1-B-110-A-A-E1-AA-N-B-TB-VS-ES-B-N-NN-NN-061-R-00-N13 | H1B110AAE1AANBTBVSESBNNNNN061R00N13 |
| 83038589 | H1-B-110-A-A-E2-AA-N-B-TB-VS-ES-S-N-NN-NN-061-Z-00-N13 | H1B110AAE2AANBTBVSESSNNNNN061Z00N13 |
| 83038590 | H1-B-110-A-A-E1-AA-N-B-TB-VS-ES-S-N-NN-NN-061-Z-00-N13 | H1B110AAE1AANBTBVSESSNNNNN061Z00N13 |
| 83038627 | H1-B-110-A-A-L2-BA-N-A-PA-VN-KN-N-N-NN-NP-035-N-00-NNN | H1B110AAL2BANAPAVNKNNNNNNP035N00NNN |
| 83038628 | H1-B-110-A-A-L2-BA-N-B-PB-DS-KS-S-A-10-NP-MB0-N-00-NNN | H1B110AAL2BANBPBDSKSSA10NPMB0N00NNN |
| 83038794 | H1-B-110-A-A-TA-DA-N-B-TA-DN-JN-N-N-NN-NN-046-Z-27-NNN | H1B110AATADANBTADNJNNNNNNN046Z27NNN |
| 83038807 | H1-B-110-A-A-L2-BA-N-A-PA-DN-JN-N-A-10-NP-047-N-00-NNN | H1B110AAL2BANAPADNJNNA10NP047N00NNN |
| 83038815 | H1-B-110-A-M-M1-CA-N-A-RA-VS-DS-S-A-E3-NP-MB0-N-00-NNN | H1B110AMM1CANARAVSDSSAE3NPMB0N00NNN |
| 83038923 | H1-B-110-A-A-L2-BA-N-B-PB-VS-DS-B-A-10-NP-MB0-N-00-NNN | H1B110AAL2BANBPBVSDSBA10NPMB0N00NNN |
| 83038946 | H1-B-110-A-A-E2-AA-N-B-TB-CS-KS-S-A-10-NN-064-Z-00-NNN | H1B110AAE2AANBTBCSKSSA10NN064Z00NNN |
| 83038979 | H1-B-110-A-A-E2-AA-N-B-TB-DN-KN-N-A-10-NN-040-Z-00-NNN | H1B110AAE2AANBTBDNKNNA10NN040Z00NNN |
| 83039010 | H1-B-110-A-A-TA-DA-N-B-TA-VN-EN-N-A-15-NN-074-Z-30-NNN | H1B110AATADANBTAVNENNA15NN074Z30NNN |
| 83039266 | H1-B-110-A-A-E2-AA-N-B-TB-VS-ES-S-A-10-NN-055-Z-00-N02 | H1B110AAE2AANBTBVSESSA10NN055Z00N02 |
| 83039315 | H1-B-110-A-A-HE-HE-N-B-TB-VN-EN-N-A-10-NN-060-Z-00-NNN | H1B110AAHEHENBTBVNENNA10NN060Z00NNN |
| 83039417 | H1-B-110-A-A-L1-BA-N-A-PB-VN-DN-N-A-15-NP-050-N-00-NNN | H1B110AAL1BANAPBVNDNNA15NP050N00NNN |
| 83039495 | H1-B-110-A-A-TA-D1-N-A-TB-VS-ES-S-A-15-NN-060-Z-20-NNN | H1B110AATAD1NATBVSESSA15NN060Z20NNN |
| 83039655 | H1-B-110-A-A-TA-DA-N-B-TB-VN-EN-N-A-15-NN-041-Z-32-NNN | H1B110AATADANBTBVNENNA15NN041Z32NNN |
| 83039682 | H1-B-110-A-A-HE-HE-N-C-TA-CS-JS-S-A-10-NN-030-Z-00-N04 | H1B110AAHEHENCTACSJSSA10NN030Z00N04 |
| 83039720 | H1-B-110-A-A-L2-BA-N-B-PB-VS-DS-B-N-NN-NP-022-N-00-NNN | H1B110AAL2BANBPBVSDSBNNNNP022N00NNN |
| 83039796 | H1-B-110-A-A-D1-MA-N-B-PB-VS-ES-P-N-NN-NP-050-N-34-N03 | H1B110AAD1MANBPBVSESPNNNNP050N34N03 |
| 83039803 | H1-B-110-A-A-L2-BA-N-B-PB-VS-ES-P-N-NN-NP-050-N-00-N03 | H1B110AAL2BANBPBVSESPNNNNP050N00N03 |
| 83039887 | H1-B-110-A-A-T1-DA-N-B-TB-DN-KN-N-A-15-NN-055-Z-30-NNN | H1B110AAT1DANBTBDNKNNA15NN055Z30NNN |
| 83040186 | H1-B-110-A-A-L2-BA-N-A-PA-DN-DN-N-A-15-NP-022-N-00-N10 | H1B110AAL2BANAPADNDNNA15NP022N00N10 |
| 83040194 | H1-B-110-A-A-E1-AA-N-A-TB-VS-ES-P-A-15-NN-074-Z-00-NNN | H1B110AAE1AANATBVSESPA15NN074Z00NNN |
| 83040215 | H1-B-110-A-A-LH-BA-T-B-PA-VN-EN-N-A-10-NP-022-N-00-NNN | H1B110AALHBATBPAVNENNA10NP022N00NNN |
| 83040332 | H1-B-110-A-A-L2-BA-N-B-PB-DS-JS-S-A-10-NP-022-N-00-NNN | H1B110AAL2BANBPBDSJSSA10NP022N00NNN |
| 83040333 | H1-B-110-A-A-L2-BA-N-B-PB-DS-JS-S-N-NN-NP-022-N-00-NNN | H1B110AAL2BANBPBDSJSSNNNNP022N00NNN |
| 83040394 | H1-B-110-A-A-TA-DA-N-B-TB-VN-EN-N-N-NN-NN-036-Z-20-NNN | H1B110AATADANBTBVNENNNNNNN036Z20NNN |
| 83040419 | H1-B-110-A-A-M1-CA-N-A-RB-CS-JS-S-B-15-NP-MB0-N-00-NNN | H1B110AAM1CANARBCSJSSB15NPMB0N00NNN |
| 83040449 | H1-B-110-A-A-E2-AA-N-B-TB-DN-JN-N-N-NN-NN-035-Z-00-NNN | H1B110AAE2AANBTBDNJNNNNNNN035Z00NNN |
| 83040452 | H1-B-110-A-A-D2-MA-N-B-PB-VN-DN-N-A-10-NP-064-N-27-NNN | H1B110AAD2MANBPBVNDNNA10NP064N27NNN |
| 83040459 | H1-B-110-A-A-D1-MA-N-B-PB-DS-JS-S-A-10-NP-031-N-30-NNN | H1B110AAD1MANBPBDSJSSA10NP031N30NNN |
| 83040465 | H1-B-110-A-M-L1-BA-N-A-PB-CS-JS-S-A-10-NP-MB0-N-00-NNN | H1B110AML1BANAPBCSJSSA10NPMB0N00NNN |
| 83040481 | H1-B-110-A-A-E1-AA-N-B-TB-VS-ES-P-A-10-NN-041-Z-00-NNN | H1B110AAE1AANBTBVSESPA10NN041Z00NNN |
| 83040723 | H1-B-110-A-A-E2-AA-N-B-TB-CN-JN-N-A-10-NN-045-Z-00-NNN | H1B110AAE2AANBTBCNJNNA10NN045Z00NNN |
| 83040724 | H1-B-110-A-A-E2-AA-N-B-TB-DN-JN-N-A-10-NN-055-Z-00-NNN | H1B110AAE2AANBTBDNJNNA10NN055Z00NNN |
| 83040747 | H1-B-110-A-A-TA-DA-N-A-TB-VN-EN-N-A-15-NN-070-Z-16-NNN | H1B110AATADANATBVNENNA15NN070Z16NNN |
| 83040820 | H1-B-110-A-A-D1-MA-N-B-PA-DS-JS-S-A-10-NP-028-N-30-NNN | H1B110AAD1MANBPADSJSSA10NP028N30NNN |
| 83040821 | H1-B-110-A-A-D2-M2-N-B-PB-VS-ES-S-A-15-NP-065-N-30-NNN | H1B110AAD2M2NBPBVSESSA15NP065N30NNN |
| 83040822 | H1-B-110-A-A-L2-BA-N-B-PB-VS-ES-S-A-15-NP-043-N-00-NNN | H1B110AAL2BANBPBVSESSA15NP043N00NNN |
| 83040841 | H1-B-110-A-A-E2-AA-N-B-TA-DS-JS-S-N-NN-NN-050-R-00-NNN | H1B110AAE2AANBTADSJSSNNNNN050R00NNN |
| 83040845 | H1-B-110-A-A-HE-HE-N-A-TB-CN-JN-N-N-NN-NN-032-R-00-NNN | H1B110AAHEHENATBCNJNNNNNNN032R00NNN |
| 83040909 | H1-B-110-A-A-L2-BA-N-A-PB-DS-JS-P-A-15-NP-040-N-00-NNN | H1B110AAL2BANAPBDSJSPA15NP040N00NNN |
| 83040954 | H1-B-110-A-A-TA-DA-N-B-TB-VS-ES-P-A-15-NN-036-Z-23-NNN | H1B110AATADANBTBVSESPA15NN036Z23NNN |
| 83041027 | H1-B-110-A-A-DH-MA-F-B-PB-VN-EN-N-N-NN-NP-022-N-24-0NN | H1B110AADHMAFBPBVNENNNNNNP022N240NN |
| 83041077 | H1-B-110-A-A-T2-DA-N-A-TB-DN-KN-N-A-15-NN-035-Z-30-NNN | H1B110AAT2DANATBDNKNNA15NN035Z30NNN |
| 83041126 | H1-B-110-A-A-E2-AA-N-B-TB-VN-EN-N-A-15-NN-047-Z-00-NNN | H1B110AAE2AANBTBVNENNA15NN047Z00NNN |
| 83041139 | H1-B-110-A-A-M1-CA-N-B-RB-CS-JS-S-A-10-NP-037-N-00-NNN | H1B110AAM1CANBRBCSJSSA10NP037N00NNN |
| 83041283 | H1-B-110-A-A-HE-HE-N-B-TB-VN-EN-N-N-NN-NN-070-R-00-0NN | H1B110AAHEHENBTBVNENNNNNNN070R000NN |
| 83041284 | H1-B-110-A-A-LH-BA-O-B-PB-VN-EN-N-A-10-NP-030-N-00-NNN | H1B110AALHBAOBPBVNENNA10NP030N00NNN |
| 83041406 | H1-B-110-A-A-E2-AA-N-B-TA-CS-JS-B-N-NN-NN-050-Z-00-NNN | H1B110AAE2AANBTACSJSBNNNNN050Z00NNN |
| 83041498 | H1-B-110-A-A-E2-AA-N-B-TB-VS-DS-B-A-10-NN-065-Z-00-NNN | H1B110AAE2AANBTBVSDSBA10NN065Z00NNN |
| 83041567 | H1-B-110-A-A-HE-HE-N-B-TA-VS-ES-S-A-10-NN-MB0-Z-00-NNN | H1B110AAHEHENBTAVSESSA10NNMB0Z00NNN |
| 83041581 | H1-B-110-A-A-DH-MA-R-B-PB-DN-KN-N-N-NN-NP-036-N-28-NNN | H1B110AADHMARBPBDNKNNNNNNP036N28NNN |
| 83041620 | H1-B-110-A-A-HF-HF-N-B-TA-VN-JN-N-A-10-NN-053-Z-00-NNN | H1B110AAHFHFNBTAVNJNNA10NN053Z00NNN |
| 83041637 | H1-B-110-A-A-M1-CA-N-A-RA-DN-KN-N-A-15-NP-MB0-N-00-NNN | H1B110AAM1CANARADNKNNA15NPMB0N00NNN |
| 83041704 | H1-B-110-A-A-E1-AA-N-B-TB-DS-JS-B-N-NN-NN-055-Z-00-NNN | H1B110AAE1AANBTBDSJSBNNNNN055Z00NNN |
| 83041826 | H1-B-110-A-A-L2-BA-N-B-PB-CS-JS-S-A-10-NP-022-N-00-NNN | H1B110AAL2BANBPBCSJSSA10NP022N00NNN |
| 83041884 | H1-B-110-A-A-M2-CA-N-B-RA-VS-ES-S-N-NN-NP-MB0-N-00-N08 | H1B110AAM2CANBRAVSESSNNNNPMB0N00N08 |
| 83041886 | H1-B-110-A-A-E1-AA-N-B-TB-DS-KS-S-A-10-NN-035-Z-00-F01 | H1B110AAE1AANBTBDSKSSA10NN035Z00F01 |
| 83041887 | H1-B-110-A-A-E1-AA-N-B-TB-DS-KS-S-A-10-NN-050-Z-00-F01 | H1B110AAE1AANBTBDSKSSA10NN050Z00F01 |
| 83041888 | H1-B-110-A-A-E1-AA-N-B-TB-CS-JS-S-A-10-NN-035-Z-00-F01 | H1B110AAE1AANBTBCSJSSA10NN035Z00F01 |
| 83041889 | H1-B-110-A-A-E1-AA-N-B-TB-CS-JS-S-A-10-NN-050-Z-00-F01 | H1B110AAE1AANBTBCSJSSA10NN050Z00F01 |
| 83041996 | H1-B-110-A-A-E1-AA-N-B-TB-VN-EN-N-N-NN-NN-050-S-00-NNN | H1B110AAE1AANBTBVNENNNNNNN050S00NNN |
| 83042210 | H1-B-110-A-A-E1-AA-N-B-TA-DS-JS-B-N-NN-NN-061-R-00-NNN | H1B110AAE1AANBTADSJSBNNNNN061R00NNN |
| 83042239 | H1-B-110-A-A-L2-BA-N-B-PB-VS-DS-B-B-30-NP-045-N-00-NNN | H1B110AAL2BANBPBVSDSBB30NP045N00NNN |
| 83042282 | H1-B-110-A-A-DH-MH-Y-B-PA-VN-DN-N-A-10-NP-050-N-25-NNN | H1B110AADHMHYBPAVNDNNA10NP050N25NNN |
| 83042351 | H1-B-110-A-A-TH-HB-N-B-TA-DN-JN-N-A-10-NN-039-Z-25-NNN | H1B110AATHHBNBTADNJNNA10NN039Z25NNN |
| 83042378 | H1-B-110-A-A-E1-AA-N-C-TB-DN-KN-N-A-15-NN-050-Z-00-N04 | H1B110AAE1AANCTBDNKNNA15NN050Z00N04 |
| 83042381 | H1-B-110-A-A-T1-DA-N-B-TB-DN-KN-N-A-15-NN-074-Z-18-NNN | H1B110AAT1DANBTBDNKNNA15NN074Z18NNN |
| 83042518 | H1-B-110-A-A-DH-MH-Y-B-PA-VN-DN-N-A-10-NP-030-N-25-NNN | H1B110AADHMHYBPAVNDNNA10NP030N25NNN |
| 83042557 | H1-B-110-A-A-K1-K1-N-C-RB-DN-JN-N-A-10-NP-031-N-31-N06 | H1B110AAK1K1NCRBDNJNNA10NP031N31N06 |
| 83042558 | H1-B-110-A-A-K2-K2-N-C-RA-DN-JN-N-A-10-NP-031-N-31-N06 | H1B110AAK2K2NCRADNJNNA10NP031N31N06 |
| 83042716 | H1-B-110-A-A-E2-AA-N-B-TB-DS-KS-P-A-10-NN-040-Z-00-NNN | H1B110AAE2AANBTBDSKSPA10NN040Z00NNN |
| 83042770 | H1-B-110-A-A-TA-DA-N-B-TA-DN-KN-N-N-NN-NN-065-Z-16-NNN | H1B110AATADANBTADNKNNNNNNN065Z16NNN |
| 83042911 | H1-B-110-A-A-TA-DA-N-B-TB-VN-EN-N-A-15-NN-050-Z-22-NNN | H1B110AATADANBTBVNENNA15NN050Z22NNN |
| 83042931 | H1-B-110-A-A-K1-K1-N-C-RA-DN-JN-N-A-10-NP-027-N-25-NNN | H1B110AAK1K1NCRADNJNNA10NP027N25NNN |
| 83042968 | H1-B-110-A-A-T2-DA-N-A-TB-VN-EN-N-N-NN-NN-040-Z-28-NNN | H1B110AAT2DANATBVNENNNNNNN040Z28NNN |
| 83042969 | H1-B-110-A-A-E1-AA-N-B-TA-DN-JN-N-A-10-NN-055-Z-00-NNN | H1B110AAE1AANBTADNJNNA10NN055Z00NNN |
| 83043145 | H1-B-110-A-A-HE-HE-N-B-TB-DS-KS-P-N-NN-NN-055-Z-00-N13 | H1B110AAHEHENBTBDSKSPNNNNN055Z00N13 |
| 83043481 | H1-B-110-A-A-M1-CA-N-N-RA-DS-JS-S-A-10-NN-MB0-N-00-NNN | H1B110AAM1CANNRADSJSSA10NNMB0N00NNN |
| 83043497 | H1-B-110-A-A-L2-BA-N-B-PA-DS-KS-S-A-10-NP-036-N-00-NNN | H1B110AAL2BANBPADSKSSA10NP036N00NNN |
| 83043501 | H1-B-110-A-A-M1-CA-N-B-RB-CS-KS-S-A-10-NP-037-N-00-NNN | H1B110AAM1CANBRBCSKSSA10NP037N00NNN |
| 83043530 | H1-B-110-A-A-TH-HA-N-B-TB-CN-JN-N-N-NN-NN-049-R-24-N13 | H1B110AATHHANBTBCNJNNNNNNN049R24N13 |
| 83043626 | H1-B-110-A-A-L2-BA-N-A-PA-DS-JS-S-A-10-NP-050-N-00-NNN | H1B110AAL2BANAPADSJSSA10NP050N00NNN |
| 83043782 | H1-B-110-A-A-L1-BA-N-B-PB-CS-KS-S-A-10-NP-044-N-00-NNN | H1B110AAL1BANBPBCSKSSA10NP044N00NNN |
| 83043794 | H1-B-110-A-A-M1-CA-N-B-RA-VS-DS-S-A-10-NP-MB0-N-00-NNN | H1B110AAM1CANBRAVSDSSA10NPMB0N00NNN |
| 83043825 | H1-B-110-A-A-TA-DA-N-B-TA-VN-EN-N-N-NN-NN-074-Z-30-NNN | H1B110AATADANBTAVNENNNNNNN074Z30NNN |
| 83043890 | H1-B-110-A-A-HE-HE-N-B-TB-DS-KS-B-N-NN-NN-055-Z-00-N13 | H1B110AAHEHENBTBDSKSBNNNNN055Z00N13 |
| 83043905 | H1-B-110-A-A-L2-BJ-N-B-PA-VS-DS-S-A-20-NP-055-N-00-N08 | H1B110AAL2BJNBPAVSDSSA20NP055N00N08 |
| 83043941 | H1-B-110-A-A-E2-AA-N-B-TB-DN-JN-N-B-10-NN-035-Z-00-NNN | H1B110AAE2AANBTBDNJNNB10NN035Z00NNN |
| 83044099 | H1-B-110-A-A-P2-D2-N-B-TB-DS-JS-S-N-NN-NN-025-Z-24-NNN | H1B110AAP2D2NBTBDSJSSNNNNN025Z24NNN |
| 83044128 | H1-B-110-A-A-L2-BA-N-B-PB-DS-JS-B-A-10-NP-MB0-N-00-NNN | H1B110AAL2BANBPBDSJSBA10NPMB0N00NNN |
| 83044202 | H1-B-110-A-A-E2-AA-N-B-TB-DN-KN-N-N-NN-NN-022-Z-00-NNN | H1B110AAE2AANBTBDNKNNNNNNN022Z00NNN |
| 83044212 | H1-B-110-A-A-LH-BA-K-B-PB-VN-EN-N-N-NN-NP-057-N-00-NNN | H1B110AALHBAKBPBVNENNNNNNP057N00NNN |
| 83044301 | H1-B-110-A-A-E2-AA-N-B-TB-CS-JS-B-A-10-NN-033-Z-00-NNN | H1B110AAE2AANBTBCSJSBA10NN033Z00NNN |
| 83044350 | H1-B-110-A-A-HE-HE-N-A-TB-CN-KN-N-N-NN-NN-040-Z-00-NNN | H1B110AAHEHENATBCNKNNNNNNN040Z00NNN |
| 83044392 | H1-B-110-A-A-HE-HE-N-C-TB-VN-DN-N-N-NN-NN-070-Z-00-NNN | H1B110AAHEHENCTBVNDNNNNNNN070Z00NNN |
| 83044422 | H1-B-110-A-A-E2-AA-N-B-TA-DN-JN-N-A-10-NN-055-Z-00-NNN | H1B110AAE2AANBTADNJNNA10NN055Z00NNN |
| 83044550 | H1-B-110-A-A-LH-BA-T-B-PA-VS-ES-P-A-10-NP-022-N-00-NNN | H1B110AALHBATBPAVSESPA10NP022N00NNN |
| 83044572 | H1-B-110-A-A-HE-HE-N-B-TB-VS-DS-S-A-10-NN-030-Z-00-0NN | H1B110AAHEHENBTBVSDSSA10NN030Z000NN |
| 83044620 | H1-B-110-A-A-K1-K1-N-C-RA-DS-JS-S-A-10-NP-030-N-34-NNN | H1B110AAK1K1NCRADSJSSA10NP030N34NNN |
| 83044652 | H1-B-110-A-A-K1-K1-N-B-RB-DS-KS-B-A-10-NP-035-N-36-NNN | H1B110AAK1K1NBRBDSKSBA10NP035N36NNN |
| 83044696 | H1-B-110-A-A-HE-HE-N-B-TA-VS-ES-P-A-10-NN-022-Z-00-NNN | H1B110AAHEHENBTAVSESPA10NN022Z00NNN |
| 83044727 | H1-B-110-A-A-L1-BA-N-B-PA-VS-DS-S-A-10-NP-MB0-E-00-NNN | H1B110AAL1BANBPAVSDSSA10NPMB0E00NNN |
| 83044733 | H1-B-110-A-A-TA-DA-N-C-TA-VN-EN-N-N-NN-NN-074-Z-19-NNN | H1B110AATADANCTAVNENNNNNNN074Z19NNN |
| 83044796 | H1-B-110-A-A-HE-HE-N-B-TB-CN-JN-N-A-10-NN-045-Z-00-NNN | H1B110AAHEHENBTBCNJNNA10NN045Z00NNN |
| 83044954 | H1-B-110-A-A-TA-DA-N-B-TB-VN-DN-N-N-NN-NN-055-Z-23-N09 | H1B110AATADANBTBVNDNNNNNNN055Z23N09 |
| 83044986 | H1-B-110-A-A-D1-MA-N-A-PB-DS-JS-S-A-15-NP-034-N-30-NNN | H1B110AAD1MANAPBDSJSSA15NP034N30NNN |
| 83044998 | H1-B-110-A-A-DH-MA-P-B-PB-VN-EN-N-A-10-NP-040-N-30-NNN | H1B110AADHMAPBPBVNENNA10NP040N30NNN |
| 83045041 | H1-B-110-A-A-HE-HE-N-A-TB-CN-JN-N-N-NN-NN-074-Z-00-N09 | H1B110AAHEHENATBCNJNNNNNNN074Z00N09 |
| 83045063 | H1-B-110-A-A-L1-BA-N-B-PB-VN-EN-N-A-15-NP-029-N-00-NNN | H1B110AAL1BANBPBVNENNA15NP029N00NNN |
| 83045116 | H1-B-110-A-A-TH-HA-N-B-TB-VS-ES-S-A-20-NN-074-Z-18-NNN | H1B110AATHHANBTBVSESSA20NN074Z18NNN |
| 83045272 | H1-B-110-A-A-HE-HE-N-B-TB-CS-KS-P-A-10-NN-022-Z-00-NNN | H1B110AAHEHENBTBCSKSPA10NN022Z00NNN |
| 83045572 | H1-B-110-A-A-LH-BA-D-B-PB-VS-ES-P-N-NN-NP-030-N-00-NNN | H1B110AALHBADBPBVSESPNNNNP030N00NNN |
| 83045575 | H1-B-110-A-A-LH-BA-D-B-PA-VS-ES-P-N-NN-NP-030-N-00-NNN | H1B110AALHBADBPAVSESPNNNNP030N00NNN |
| 83045685 | H1-B-110-A-A-HE-HE-N-A-TA-CN-JN-N-N-NN-NN-032-R-00-NNN | H1B110AAHEHENATACNJNNNNNNN032R00NNN |
| 83045693 | H1-B-110-A-A-E2-AA-N-B-TB-VN-DN-N-N-NN-NN-040-Z-00-NNN | H1B110AAE2AANBTBVNDNNNNNNN040Z00NNN |
| 83045788 | H1-B-110-A-A-TA-DA-N-B-TA-DN-DN-N-N-NN-NN-AA6-Z-25-NNN | H1B110AATADANBTADNDNNNNNNNAA6Z25NNN |
| 83045923 | H1-B-110-A-A-E1-AA-N-B-TA-CN-JN-N-A-10-NN-032-Z-00-NNN | H1B110AAE1AANBTACNJNNA10NN032Z00NNN |
| 83045944 | H1-B-110-A-A-T2-DA-N-B-TB-VN-DN-N-A-15-NN-058-Z-18-NNN | H1B110AAT2DANBTBVNDNNA15NN058Z18NNN |
| 83046191 | H1-B-110-A-A-T2-D2-N-B-TA-DS-KS-P-A-10-NN-029-Z-20-NNN | H1B110AAT2D2NBTADSKSPA10NN029Z20NNN |
| 83046210 | H1-B-110-A-A-T1-AD-N-B-TA-DN-KN-N-A-15-NN-037-Z-30-NNN | H1B110AAT1ADNBTADNKNNA15NN037Z30NNN |
| 83046257 | H1-B-110-A-A-L1-BA-N-B-PB-DS-KS-S-A-05-NP-MB0-N-00-NNN | H1B110AAL1BANBPBDSKSSA05NPMB0N00NNN |
| 83046284 | H1-B-110-A-A-LH-BA-F-B-PB-VN-EN-N-A-10-NP-058-N-00-NNN | H1B110AALHBAFBPBVNENNA10NP058N00NNN |
| 83046333 | H1-B-110-A-A-L2-BA-N-B-PB-VS-DS-S-A-15-NP-050-N-00-NNN | H1B110AAL2BANBPBVSDSSA15NP050N00NNN |
| 83046446 | H1-B-110-A-A-P1-D1-N-B-TA-DS-JS-S-A-15-NN-032-Z-24-N14 | H1B110AAP1D1NBTADSJSSA15NN032Z24N14 |
| 83046465 | H1-B-110-A-A-M2-CA-N-A-RB-VS-ES-S-A-10-NP-MB0-N-00-NNN | H1B110AAM2CANARBVSESSA10NPMB0N00NNN |
| 83046545 | H1-B-110-A-A-E2-AA-N-B-TB-VS-ES-P-A-15-NN-051-S-00-NNN | H1B110AAE2AANBTBVSESPA15NN051S00NNN |
| 83046555 | H1-B-110-A-A-K2-K2-N-B-RB-VS-DS-S-A-15-NP-056-N-25-NNN | H1B110AAK2K2NBRBVSDSSA15NP056N25NNN |
| 83046654 | H1-B-110-A-A-T1-DA-N-B-TB-VN-EN-N-A-10-NN-022-Z-16-NNN | H1B110AAT1DANBTBVNENNA10NN022Z16NNN |
| 83046678 | H1-B-110-A-M-M1-CA-N-A-RA-VS-DS-S-A-15-NP-MB0-N-00-NNN | H1B110AMM1CANARAVSDSSA15NPMB0N00NNN |
| 83046764 | H1-B-110-A-A-K1-K1-N-B-RB-DS-KS-B-A-10-NP-048-N-36-NNN | H1B110AAK1K1NBRBDSKSBA10NP048N36NNN |
| 83046767 | H1-B-110-A-A-E2-AA-N-B-TB-CS-JS-B-A-15-NN-055-Z-00-NNN | H1B110AAE2AANBTBCSJSBA15NN055Z00NNN |
| 83046768 | H1-B-110-A-A-E2-AA-N-B-TB-CN-JN-N-A-15-NN-055-Z-00-NNN | H1B110AAE2AANBTBCNJNNA15NN055Z00NNN |
| 83046784 | H1-B-110-A-A-T2-DA-N-B-TB-VS-ES-B-A-10-NN-022-Z-30-NNN | H1B110AAT2DANBTBVSESBA10NN022Z30NNN |
| 83046789 | H1-B-110-A-A-E2-AA-N-A-TA-VN-EN-N-A-10-NN-036-Z-00-NNN | H1B110AAE2AANATAVNENNA10NN036Z00NNN |
| 83046943 | H1-B-110-A-A-LH-BA-E-B-PA-DN-JN-N-A-10-NP-022-N-00-NNN | H1B110AALHBAEBPADNJNNA10NP022N00NNN |
| 83047010 | H1-B-110-A-A-E1-AA-N-C-TB-DN-KN-N-A-15-NN-030-Z-00-N02 | H1B110AAE1AANCTBDNKNNA15NN030Z00N02 |
| 83047025 | H1-B-110-A-A-LH-BA-T-B-PB-VN-EN-N-A-15-NP-022-N-00-NNN | H1B110AALHBATBPBVNENNA15NP022N00NNN |
| 83047527 | H1-B-110-A-A-HE-HE-N-B-TA-DS-KS-S-A-30-NN-070-Z-00-NNN | H1B110AAHEHENBTADSKSSA30NN070Z00NNN |
| 83047613 | H1-B-110-A-A-HE-HE-N-B-TB-CS-JS-S-A-10-NN-055-Z-00-NNN | H1B110AAHEHENBTBCSJSSA10NN055Z00NNN |
| 83047627 | H1-B-110-A-A-E2-AA-N-B-TA-DN-JN-N-N-NN-NN-055-Z-00-NNN | H1B110AAE2AANBTADNJNNNNNNN055Z00NNN |
| 83047655 | H1-B-110-A-A-TH-HB-N-B-TB-VN-EN-N-A-10-NN-055-Z-31-NNN | H1B110AATHHBNBTBVNENNA10NN055Z31NNN |
| 83047737 | H1-B-110-A-A-HE-HE-N-A-TA-VN-JN-N-N-NN-NN-055-Z-00-NNN | H1B110AAHEHENATAVNJNNNNNNN055Z00NNN |
| 83047824 | H1-B-110-A-A-TA-DA-N-B-TA-DN-JN-N-A-15-NN-055-Z-20-NNN | H1B110AATADANBTADNJNNA15NN055Z20NNN |
| 83047827 | H1-B-110-A-A-DH-MA-R-B-PA-DN-JN-N-N-NN-NP-055-N-22-NNN | H1B110AADHMARBPADNJNNNNNNP055N22NNN |
| 83047864 | H1-B-110-A-A-TA-DA-N-B-TB-VN-EN-N-N-NN-NN-065-Z-14-NNN | H1B110AATADANBTBVNENNNNNNN065Z14NNN |
| 83047884 | H1-B-110-A-A-D1-MA-N-A-PA-DS-JS-S-A-15-NP-042-N-27-NNN | H1B110AAD1MANAPADSJSSA15NP042N27NNN |
| 83047970 | H1-B-110-A-A-LH-BA-D-B-PA-VN-DN-N-N-NN-NP-030-N-00-NNN | H1B110AALHBADBPAVNDNNNNNNP030N00NNN |
| 83048095 | H1-B-110-A-A-T2-DA-N-B-TB-VS-DS-P-A-15-NN-072-Z-27-N12 | H1B110AAT2DANBTBVSDSPA15NN072Z27N12 |
| 83048096 | H1-B-110-A-A-E1-AA-N-B-TB-CS-JS-S-A-10-NN-045-Z-00-N01 | H1B110AAE1AANBTBCSJSSA10NN045Z00N01 |
| 83048097 | H1-B-110-A-A-E1-AA-N-B-TB-DS-KS-S-A-10-NN-045-Z-00-F01 | H1B110AAE1AANBTBDSKSSA10NN045Z00F01 |
| 83048106 | H1-B-110-A-A-E1-AA-N-B-TB-CS-JS-S-A-10-NN-045-Z-00-F01 | H1B110AAE1AANBTBCSJSSA10NN045Z00F01 |
| 83048121 | H1-B-110-A-A-LH-BA-O-A-PB-VN-EN-N-A-15-NP-022-N-00-NNN | H1B110AALHBAOAPBVNENNA15NP022N00NNN |
| 83048173 | H1-B-110-A-A-D2-MA-N-A-PB-VS-DS-S-A-15-NP-055-N-30-NNN | H1B110AAD2MANAPBVSDSSA15NP055N30NNN |
| 83048178 | H1-B-110-A-A-E1-AA-N-B-TB-DN-KN-N-A-10-NN-050-Z-00-NNN | H1B110AAE1AANBTBDNKNNA10NN050Z00NNN |
| 83048332 | H1-B-110-A-A-E2-AA-N-A-TA-DN-JN-N-N-NN-NN-055-Z-00-NNN | H1B110AAE2AANATADNJNNNNNNN055Z00NNN |
| 83048394 | H1-B-110-A-A-E2-AA-N-B-TA-DN-KN-N-A-10-NN-040-Z-00-NNN | H1B110AAE2AANBTADNKNNA10NN040Z00NNN |
| 83048395 | H1-B-110-A-A-E2-AA-N-B-TA-DS-KS-S-A-10-NN-040-Z-00-NNN | H1B110AAE2AANBTADSKSSA10NN040Z00NNN |
| 83048572 | H1-B-110-A-A-L2-BA-N-A-PA-VS-DS-S-A-10-NP-MB0-N-00-NNN | H1B110AAL2BANAPAVSDSSA10NPMB0N00NNN |
| 83048737 | H1-B-110-A-A-TA-DA-N-B-TA-DN-KN-N-N-NN-NN-040-Z-16-NNN | H1B110AATADANBTADNKNNNNNNN040Z16NNN |
| 83048760 | H1-B-110-A-A-TH-HB-N-B-TA-DN-JN-N-N-NN-NN-046-Z-27-NNN | H1B110AATHHBNBTADNJNNNNNNN046Z27NNN |
| 83048977 | H1-B-110-A-A-E1-AA-N-C-TA-DN-JN-N-A-15-NN-054-Z-00-NNN | H1B110AAE1AANCTADNJNNA15NN054Z00NNN |
| 83049039 | H1-B-110-A-A-HE-HE-N-A-TB-VN-EN-N-A-15-NN-055-Z-00-NNN | H1B110AAHEHENATBVNENNA15NN055Z00NNN |
| 83049067 | H1-B-110-A-A-L1-BA-N-B-PA-VN-JN-N-A-15-NP-026-E-00-NNN | H1B110AAL1BANBPAVNJNNA15NP026E00NNN |
| 83049110 | H1-B-110-A-A-L1-BA-N-B-PA-VS-DS-S-A-05-NP-MB0-N-00-NNN | H1B110AAL1BANBPAVSDSSA05NPMB0N00NNN |
| 83049242 | H1-B-110-A-A-TA-D1-N-C-TB-VS-ES-S-A-15-NN-060-Z-20-NNN | H1B110AATAD1NCTBVSESSA15NN060Z20NNN |
| 83049388 | H1-B-110-A-A-D2-MA-N-A-PB-VS-ES-B-A-15-NP-072-N-30-NNN | H1B110AAD2MANAPBVSESBA15NP072N30NNN |
| 83049393 | H1-B-110-A-A-F2-EA-N-C-TB-DN-JN-N-A-10-NN-056-Z-00-NNN | H1B110AAF2EANCTBDNJNNA10NN056Z00NNN |
| 83049435 | H1-B-110-A-A-TA-D1-N-B-TB-VS-ES-B-A-10-NN-070-Z-24-NNN | H1B110AATAD1NBTBVSESBA10NN070Z24NNN |
| 83049510 | H1-B-110-A-A-DH-MA-D-B-PB-DN-KN-N-A-10-NP-030-N-30-NNN | H1B110AADHMADBPBDNKNNA10NP030N30NNN |
| 83049511 | H1-B-110-A-A-DH-MA-D-B-PB-DS-KS-B-A-10-NP-030-N-30-NNN | H1B110AADHMADBPBDSKSBA10NP030N30NNN |
| 83049522 | H1-B-110-A-A-TA-G1-N-B-TB-VS-ES-B-A-10-NN-070-Z-24-NNN | H1B110AATAG1NBTBVSESBA10NN070Z24NNN |
| 83049591 | H1-B-110-A-A-T2-D2-N-B-TB-DN-KN-N-A-15-NN-022-Z-20-NNN | H1B110AAT2D2NBTBDNKNNA15NN022Z20NNN |
| 83049635 | H1-B-110-A-A-D2-MA-N-B-PA-DN-JN-N-N-NN-NP-055-N-22-NNN | H1B110AAD2MANBPADNJNNNNNNP055N22NNN |
| 83049712 | H1-B-110-A-A-T2-D2-N-B-TB-DS-KS-S-A-15-NN-022-Z-20-NNN | H1B110AAT2D2NBTBDSKSSA15NN022Z20NNN |
| 83049745 | H1-B-110-A-A-L2-BA-N-B-PA-DS-JS-S-N-NN-NP-042-N-00-NNN | H1B110AAL2BANBPADSJSSNNNNP042N00NNN |
| 83049823 | H1-B-110-A-A-M1-CA-N-C-RB-VN-DN-N-B-10-NP-022-N-00-NNN | H1B110AAM1CANCRBVNDNNB10NP022N00NNN |
| 83049884 | H1-B-110-A-A-L2-BA-N-B-PB-CS-DS-B-A-10-NP-MB0-N-00-NNN | H1B110AAL2BANBPBCSDSBA10NPMB0N00NNN |
| 83050009 | H1-B-110-A-A-E2-AA-N-A-TA-DN-KN-N-N-NN-NN-055-Z-00-NNN | H1B110AAE2AANATADNKNNNNNNN055Z00NNN |
| 83050210 | H1-B-110-A-A-E2-AA-N-B-TA-DN-KN-N-B-15-NN-060-Z-00-NNN | H1B110AAE2AANBTADNKNNB15NN060Z00NNN |
| 83050211 | H1-B-110-A-A-E2-AA-N-B-TA-DN-JN-N-B-15-NN-060-Z-00-NNN | H1B110AAE2AANBTADNJNNB15NN060Z00NNN |
| 83050321 | H1-B-110-A-A-E2-AA-N-B-TA-DN-KN-N-A-15-NN-060-Z-00-NNN | H1B110AAE2AANBTADNKNNA15NN060Z00NNN |
| 83050439 | H1-B-110-A-A-TA-DA-N-B-TB-DN-KN-N-A-10-NN-055-Z-25-NNN | H1B110AATADANBTBDNKNNA10NN055Z25NNN |
| 83050477 | H1-B-110-A-A-P1-D1-N-B-TA-DS-JS-S-A-15-NN-030-Z-24-N14 | H1B110AAP1D1NBTADSJSSA15NN030Z24N14 |
| 83050653 | H1-B-110-A-A-D2-M2-N-B-PA-CS-JS-S-A-10-NP-032-N-30-NNN | H1B110AAD2M2NBPACSJSSA10NP032N30NNN |
| 83050728 | H1-B-110-A-A-TA-DA-N-B-TA-DN-KN-N-A-10-NN-055-Z-25-NNN | H1B110AATADANBTADNKNNA10NN055Z25NNN |
| 83050895 | H1-B-110-A-A-E2-AA-N-B-TB-CS-KS-B-A-10-NN-040-Z-00-NNN | H1B110AAE2AANBTBCSKSBA10NN040Z00NNN |
| 83051001 | H1-B-110-A-A-E1-AA-N-B-TB-VS-DS-S-A-10-NN-040-Z-00-NNN | H1B110AAE1AANBTBVSDSSA10NN040Z00NNN |
| 83051013 | H1-B-110-A-A-E1-AA-N-B-TB-VN-DN-N-B-10-NN-040-Z-00-NNN | H1B110AAE1AANBTBVNDNNB10NN040Z00NNN |
| 83051276 | H1-B-110-A-A-D2-M2-N-B-PA-CS-KS-S-A-10-NP-032-N-30-NNN | H1B110AAD2M2NBPACSKSSA10NP032N30NNN |
| 83051283 | H1-B-110-A-A-P1-D1-N-B-TA-DS-JS-S-A-10-NN-025-Z-24-NNN | H1B110AAP1D1NBTADSJSSA10NN025Z24NNN |
| 83051456 | H1-B-110-A-A-L1-BA-N-B-PB-DS-JS-S-N-NN-NP-045-E-00-NNN | H1B110AAL1BANBPBDSJSSNNNNP045E00NNN |
| 83051458 | H1-B-110-A-A-L2-BA-N-B-PA-CS-DS-B-A-10-NP-MB0-N-00-NNN | H1B110AAL2BANBPACSDSBA10NPMB0N00NNN |
| 83051524 | H1-B-110-A-A-M1-CA-N-A-RA-VS-ES-S-B-15-NP-023-N-00-NNN | H1B110AAM1CANARAVSESSB15NP023N00NNN |
| 83051579 | H1-B-110-A-A-L2-BA-N-B-PA-CS-KS-B-A-10-NP-044-N-00-NNN | H1B110AAL2BANBPACSKSBA10NP044N00NNN |
| 83051601 | H1-B-110-A-A-E2-AA-N-B-TB-DN-KN-N-A-10-NN-056-Z-00-NNN | H1B110AAE2AANBTBDNKNNA10NN056Z00NNN |
| 83051606 | H1-B-110-A-A-E2-AA-N-C-TB-VS-ES-S-A-10-NN-MB0-Z-00-NNN | H1B110AAE2AANCTBVSESSA10NNMB0Z00NNN |
| 83051858 | H1-B-110-A-A-L2-BA-N-B-PA-VS-ES-B-N-NN-NP-030-N-00-NNN | H1B110AAL2BANBPAVSESBNNNNP030N00NNN |
| 83051863 | H1-B-110-A-A-T2-D2-N-B-TA-DN-JN-N-A-15-NN-040-Z-30-NNN | H1B110AAT2D2NBTADNJNNA15NN040Z30NNN |
| 83051896 | H1-B-110-A-A-M2-CA-N-B-RB-CN-JN-N-A-20-NP-MB0-N-00-NNN | H1B110AAM2CANBRBCNJNNA20NPMB0N00NNN |
| 83051927 | H1-B-110-A-A-L2-BA-N-B-PA-VS-ES-S-A-15-NP-074-N-00-NNN | H1B110AAL2BANBPAVSESSA15NP074N00NNN |
| 83051992 | H1-B-110-A-A-TA-DA-N-A-TB-VN-EN-N-A-10-NN-059-Z-17-NNN | H1B110AATADANATBVNENNA10NN059Z17NNN |
| 83052099 | H1-B-110-A-A-M2-CJ-N-A-RA-VS-ES-S-N-NN-NP-MB0-N-00-N08 | H1B110AAM2CJNARAVSESSNNNNPMB0N00N08 |
| 83052179 | H1-B-110-A-A-TA-DA-N-B-TB-VS-DS-S-A-10-NN-AA1-Z-28-NNN | H1B110AATADANBTBVSDSSA10NNAA1Z28NNN |
| 83052183 | H1-B-110-A-A-L2-BA-N-B-PA-VS-JS-S-A-10-NP-MB0-N-00-NNN | H1B110AAL2BANBPAVSJSSA10NPMB0N00NNN |
| 83052228 | H1-B-110-A-A-T1-DA-N-C-TA-DN-KN-N-A-10-NN-070-Z-16-NNN | H1B110AAT1DANCTADNKNNA10NN070Z16NNN |
| 83052273 | H1-B-110-A-A-L2-BA-N-B-PA-VS-DS-S-A-10-NP-MB0-N-00-NNN | H1B110AAL2BANBPAVSDSSA10NPMB0N00NNN |
| 83052371 | H1-B-110-A-M-M1-CA-N-A-RB-CS-JS-S-G-10-NP-MB0-N-00-N06 | H1B110AMM1CANARBCSJSSG10NPMB0N00N06 |
| 83052376 | H1-B-110-A-A-T2-DA-N-B-TB-VN-DN-N-A-15-NN-072-Z-25-NNN | H1B110AAT2DANBTBVNDNNA15NN072Z25NNN |
| 83052476 | H1-B-110-A-A-K1-K1-N-B-RB-CS-JS-S-A-10-NP-022-N-20-NNN | H1B110AAK1K1NBRBCSJSSA10NP022N20NNN |
| 83052598 | H1-B-110-A-A-E1-AA-N-C-TB-DN-KN-N-A-15-NN-055-Z-00-N04 | H1B110AAE1AANCTBDNKNNA15NN055Z00N04 |
| 83052723 | H1-B-110-A-A-DH-MA-C-B-PB-CS-JS-S-A-10-NP-055-N-17-NNN | H1B110AADHMACBPBCSJSSA10NP055N17NNN |
| 83052880 | H1-B-110-A-A-KH-KH-H-B-RA-VS-ES-S-A-10-NP-022-N-32-NNN | H1B110AAKHKHHBRAVSESSA10NP022N32NNN |
| 83053131 | H1-B-110-A-A-HE-HE-N-C-TA-VS-DS-B-A-15-NN-MB0-Z-00-NNN | H1B110AAHEHENCTAVSDSBA15NNMB0Z00NNN |
| 83053190 | H1-B-110-A-A-L2-BA-N-B-PB-VS-ES-S-A-10-NP-MB0-N-00-NNN | H1B110AAL2BANBPBVSESSA10NPMB0N00NNN |
| 83053212 | H1-B-110-A-A-T2-D2-N-B-TB-VN-EN-N-A-15-NN-068-Z-27-NNN | H1B110AAT2D2NBTBVNENNA15NN068Z27NNN |
| 83053374 | H1-B-110-A-A-HE-HE-N-B-TA-VN-EN-N-A-10-NN-022-Z-00-NNN | H1B110AAHEHENBTAVNENNA10NN022Z00NNN |
| 83053435 | H1-B-110-A-A-T2-D2-N-A-TB-DS-JS-S-A-10-NN-055-Z-18-NNN | H1B110AAT2D2NATBDSJSSA10NN055Z18NNN |
| 83053495 | H1-B-110-A-A-L2-BA-N-A-PA-VN-DN-N-A-10-NP-MB0-N-00-NNN | H1B110AAL2BANAPAVNDNNA10NPMB0N00NNN |
| 83053565 | H1-B-110-A-A-T2-DA-N-B-TB-DN-JN-N-N-NN-NN-040-Z-16-NNN | H1B110AAT2DANBTBDNJNNNNNNN040Z16NNN |
| 83053582 | H1-B-110-A-A-T2-DA-N-B-TB-VS-DS-P-A-15-NN-030-Z-30-N12 | H1B110AAT2DANBTBVSDSPA15NN030Z30N12 |
| 83053620 | H1-B-110-A-A-L2-BA-N-B-PB-DS-JS-S-A-10-NP-MB0-N-00-NNN | H1B110AAL2BANBPBDSJSSA10NPMB0N00NNN |
| 83053692 | H1-B-110-A-A-TA-DA-N-B-TB-VN-DN-N-A-15-NN-074-Z-24-NNN | H1B110AATADANBTBVNDNNA15NN074Z24NNN |
| 83053765 | H1-B-110-A-A-LH-BA-E-B-PB-VS-ES-B-A-10-NP-024-N-00-NNN | H1B110AALHBAEBPBVSESBA10NP024N00NNN |
| 83053863 | H1-B-110-A-A-TA-DA-N-B-TA-VN-EN-N-A-10-NN-070-Z-30-NNN | H1B110AATADANBTAVNENNA10NN070Z30NNN |
| 83053867 | H1-B-110-A-A-TA-AD-N-B-TB-VS-ES-B-A-10-NN-070-Z-24-NNN | H1B110AATAADNBTBVSESBA10NN070Z24NNN |
| 83053877 | H1-B-110-A-A-TA-BD-N-B-TB-VS-ES-B-A-10-NN-070-Z-24-NNN | H1B110AATABDNBTBVSESBA10NN070Z24NNN |
| 83053927 | H1-B-110-A-A-TA-AD-N-B-TA-VN-EN-N-A-10-NN-070-Z-24-NNN | H1B110AATAADNBTAVNENNA10NN070Z24NNN |
| 83053928 | H1-B-110-A-A-TA-BD-N-B-TA-VN-EN-N-A-10-NN-070-Z-24-NNN | H1B110AATABDNBTAVNENNA10NN070Z24NNN |
| 83053970 | H1-B-110-A-A-M1-CA-N-B-RA-DS-JS-S-A-15-NP-022-N-00-NNN | H1B110AAM1CANBRADSJSSA15NP022N00NNN |
| 83053995 | H1-B-110-A-A-L1-BA-N-B-PD-DS-JS-S-N-NN-NP-042-N-00-NNN | H1B110AAL1BANBPDDSJSSNNNNP042N00NNN |
| 83054006 | H1-B-110-A-A-L1-BA-N-B-PA-CN-JN-N-A-10-NP-032-N-00-NNN | H1B110AAL1BANBPACNJNNA10NP032N00NNN |
| 83054059 | H1-B-110-A-A-D1-M1-N-B-PA-DS-JS-S-A-10-NP-028-N-30-NNN | H1B110AAD1M1NBPADSJSSA10NP028N30NNN |
| 83054129 | H1-B-110-A-A-HE-HE-N-B-TB-CS-JS-S-A-10-NN-039-Z-00-NNN | H1B110AAHEHENBTBCSJSSA10NN039Z00NNN |
| 83054224 | H1-B-110-A-A-T2-D2-N-A-TA-DS-JS-S-A-10-NN-055-Z-18-NNN | H1B110AAT2D2NATADSJSSA10NN055Z18NNN |
| 83054322 | H1-B-110-A-A-T2-G2-N-B-TA-DN-JN-N-A-10-NN-044-Z-30-NNN | H1B110AAT2G2NBTADNJNNA10NN044Z30NNN |
| 83054323 | H1-B-110-A-A-TA-DA-N-A-TB-CN-JN-N-A-10-NN-055-Z-24-NNN | H1B110AATADANATBCNJNNA10NN055Z24NNN |
| 83054330 | H1-B-110-A-A-D2-MA-N-B-PB-DS-JS-S-N-NN-NP-070-N-20-NNN | H1B110AAD2MANBPBDSJSSNNNNP070N20NNN |
| 83054371 | H1-B-110-A-A-TA-DA-N-B-TA-VN-DN-N-A-10-NN-070-Z-30-NNN | H1B110AATADANBTAVNDNNA10NN070Z30NNN |
| 83054403 | H1-B-110-A-A-TA-DA-N-A-TB-VN-EN-N-A-15-NN-037-Z-21-NNN | H1B110AATADANATBVNENNA15NN037Z21NNN |
| 83054514 | H1-B-110-A-A-E2-AA-N-B-TB-VN-EN-N-A-10-NN-070-Z-00-NNN | H1B110AAE2AANBTBVNENNA10NN070Z00NNN |
| 83054518 | H1-B-110-A-A-D2-M2-N-A-PA-DS-KS-B-A-15-NP-034-N-30-NNN | H1B110AAD2M2NAPADSKSBA15NP034N30NNN |
| 83054554 | H1-B-110-A-A-L2-BA-N-A-PA-VS-DS-S-A-10-NP-029-N-00-NNN | H1B110AAL2BANAPAVSDSSA10NP029N00NNN |
| 83054578 | H1-B-110-A-A-HF-HF-N-C-TB-CS-JS-S-A-10-NN-AB9-Z-00-N05 | H1B110AAHFHFNCTBCSJSSA10NNAB9Z00N05 |
| 83054595 | H1-B-110-A-A-E2-AA-N-B-TB-CS-JS-P-N-NN-NN-072-Z-00-NNN | H1B110AAE2AANBTBCSJSPNNNNN072Z00NNN |
| 83054597 | H1-B-110-A-A-L2-BA-N-A-PB-VS-DS-S-A-10-NP-029-N-00-NNN | H1B110AAL2BANAPBVSDSSA10NP029N00NNN |
| 83054666 | H1-B-110-A-A-M1-CA-N-N-RA-DN-JN-N-A-10-NP-MB0-N-00-NNN | H1B110AAM1CANNRADNJNNA10NPMB0N00NNN |
| 83054689 | H1-B-110-A-A-E1-AA-N-B-TB-DS-JS-B-N-NN-NN-045-U-00-NNN | H1B110AAE1AANBTBDSJSBNNNNN045U00NNN |
| 83054833 | H1-B-110-A-A-TA-DA-N-B-TB-VN-EN-N-A-10-NN-059-Z-17-NNN | H1B110AATADANBTBVNENNA10NN059Z17NNN |
| 83054844 | H1-B-110-A-A-DH-MA-K-B-PB-VN-EN-N-A-10-NP-042-N-27-NNN | H1B110AADHMAKBPBVNENNA10NP042N27NNN |
| 83054845 | H1-B-110-A-A-DH-MA-K-B-PB-VN-EN-N-A-10-NP-046-N-27-NNN | H1B110AADHMAKBPBVNENNA10NP046N27NNN |
| 83054846 | H1-B-110-A-A-DH-MA-K-B-PB-VN-EN-N-A-10-NP-035-N-29-NNN | H1B110AADHMAKBPBVNENNA10NP035N29NNN |
| 83054872 | H1-B-110-A-A-E1-AA-N-C-TB-DN-KN-N-A-15-NN-057-Z-00-N04 | H1B110AAE1AANCTBDNKNNA15NN057Z00N04 |
| 83054919 | H1-B-110-A-M-M1-CA-N-A-RB-CS-JS-B-G-05-NP-MB0-N-00-N06 | H1B110AMM1CANARBCSJSBG05NPMB0N00N06 |
| 83054979 | H1-B-110-A-A-E2-AA-N-B-TB-CS-JS-B-A-15-NN-028-Z-00-NNN | H1B110AAE2AANBTBCSJSBA15NN028Z00NNN |
| 83055153 | H1-B-110-A-A-L2-BA-N-A-PA-VN-JN-N-A-10-NP-045-N-00-NNN | H1B110AAL2BANAPAVNJNNA10NP045N00NNN |
| 83055267 | H1-B-110-A-A-L1-BA-N-A-PA-VS-DS-S-A-10-NP-029-C-00-NNN | H1B110AAL1BANAPAVSDSSA10NP029C00NNN |
| 83055268 | H1-B-110-A-A-L2-BA-N-A-PA-VS-DS-S-A-10-NP-029-C-00-NNN | H1B110AAL2BANAPAVSDSSA10NP029C00NNN |
| 83055269 | H1-B-110-A-A-P1-D1-N-A-TA-DS-JS-S-A-10-NN-025-Z-24-NNN | H1B110AAP1D1NATADSJSSA10NN025Z24NNN |
| 83055495 | H1-B-110-A-A-L1-BA-N-B-PB-VS-ES-P-B-10-NP-MB0-N-00-NNN | H1B110AAL1BANBPBVSESPB10NPMB0N00NNN |
| 83055582 | H1-B-110-A-A-L2-BA-N-B-PA-DS-KS-B-A-10-NP-040-N-00-NNN | H1B110AAL2BANBPADSKSBA10NP040N00NNN |
| 83055748 | H1-B-110-A-A-D2-M2-N-B-PA-CS-JS-S-A-10-NP-032-N-24-NNN | H1B110AAD2M2NBPACSJSSA10NP032N24NNN |
| 83055780 | H1-B-110-A-A-D1-M1-N-B-PB-DS-JS-B-A-15-NP-022-N-25-NNN | H1B110AAD1M1NBPBDSJSBA15NP022N25NNN |
| 83055842 | H1-B-110-A-A-TA-DA-N-B-TB-VN-DN-N-A-15-NN-040-Z-30-NNN | H1B110AATADANBTBVNDNNA15NN040Z30NNN |
| 83055862 | H1-B-110-A-A-L2-BA-N-B-PB-CS-KS-S-A-15-NP-035-N-00-NNN | H1B110AAL2BANBPBCSKSSA15NP035N00NNN |
| 83055896 | H1-B-110-A-A-E2-AA-N-A-TB-CN-JN-N-N-NN-NN-052-Z-00-NNN | H1B110AAE2AANATBCNJNNNNNNN052Z00NNN |
| 83055949 | H1-B-110-A-A-M2-CA-N-A-RB-VN-EN-N-A-15-NP-038-N-00-NNN | H1B110AAM2CANARBVNENNA15NP038N00NNN |
| 83055994 | H1-B-110-A-A-L2-BA-N-B-PB-CS-JS-B-A-10-NP-050-N-00-NNN | H1B110AAL2BANBPBCSJSBA10NP050N00NNN |
| 83056095 | H1-B-110-A-A-M2-CA-N-A-RB-VS-ES-B-A-15-NP-038-N-00-NNN | H1B110AAM2CANARBVSESBA15NP038N00NNN |
| 83056103 | H1-B-110-A-A-D2-MA-N-A-PB-VS-DS-B-A-15-NP-074-N-30-NNN | H1B110AAD2MANAPBVSDSBA15NP074N30NNN |
| 83056159 | H1-B-110-A-A-M1-CA-N-A-RA-CS-JS-S-G-15-NP-MB0-N-00-N06 | H1B110AAM1CANARACSJSSG15NPMB0N00N06 |
| 83056192 | H1-B-110-A-A-L2-BB-N-N-PB-CS-JS-S-A-05-NP-050-N-00-N05 | H1B110AAL2BBNNPBCSJSSA05NP050N00N05 |
| 83056372 | H1-B-110-A-A-LH-BA-E-B-PB-VS-ES-B-A-10-NP-MB0-N-00-NNN | H1B110AALHBAEBPBVSESBA10NPMB0N00NNN |
| 83056425 | H1-B-110-A-A-HE-HE-N-B-TB-VN-DN-N-A-15-NN-055-Z-00-NNN | H1B110AAHEHENBTBVNDNNA15NN055Z00NNN |
| 83056444 | H1-B-110-A-A-E2-AA-N-B-TB-VN-EN-N-A-15-NN-046-S-00-NNN | H1B110AAE2AANBTBVNENNA15NN046S00NNN |
| 83056585 | H1-B-110-A-A-D2-MA-N-A-PB-VS-DS-S-A-15-NP-074-N-30-NNN | H1B110AAD2MANAPBVSDSSA15NP074N30NNN |
| 83056622 | H1-B-110-A-A-TA-DA-N-B-TA-VN-EN-N-A-10-NN-055-Z-30-NNN | H1B110AATADANBTAVNENNA10NN055Z30NNN |
| 83056627 | H1-B-110-A-A-T2-G2-N-B-TA-DN-JN-N-A-10-NN-057-Z-30-NNN | H1B110AAT2G2NBTADNJNNA10NN057Z30NNN |
| 83056686 | H1-B-110-A-A-TA-DA-N-A-TB-VN-EN-N-N-NN-NN-050-U-30-NNN | H1B110AATADANATBVNENNNNNNN050U30NNN |
| 83056714 | H1-B-110-A-A-T1-AD-N-B-TA-DN-JN-N-A-15-NN-063-Z-25-NNN | H1B110AAT1ADNBTADNJNNA15NN063Z25NNN |
| 83056721 | H1-B-110-A-A-LH-BA-T-A-PB-VN-EN-N-N-NN-NP-055-N-00-NNN | H1B110AALHBATAPBVNENNNNNNP055N00NNN |
| 83056832 | H1-B-110-A-A-P2-D2-N-B-TB-VS-DS-S-A-15-NN-030-Z-24-NNN | H1B110AAP2D2NBTBVSDSSA15NN030Z24NNN |
| 83057195 | H1-B-110-A-A-HE-HE-N-A-TB-CN-JN-N-A-10-NN-055-Z-00-NNN | H1B110AAHEHENATBCNJNNA10NN055Z00NNN |
| 83057210 | H1-B-110-A-A-LH-BA-E-B-PB-VS-DS-P-N-NN-NP-060-N-00-NNN | H1B110AALHBAEBPBVSDSPNNNNP060N00NNN |
| 83057343 | H1-B-110-A-A-F1-EA-N-B-TA-VN-JN-N-A-15-NN-040-Z-00-NNN | H1B110AAF1EANBTAVNJNNA15NN040Z00NNN |
| 83057400 | H1-B-110-A-A-TH-HA-N-B-TB-VS-ES-B-A-20-NN-074-Z-18-NNN | H1B110AATHHANBTBVSESBA20NN074Z18NNN |
| 83057522 | H1-B-110-A-A-L2-BA-N-B-PA-DS-JS-S-N-NN-NP-068-N-00-NNN | H1B110AAL2BANBPADSJSSNNNNP068N00NNN |
| 83057653 | H1-B-110-A-A-TH-HA-N-B-TB-VS-ES-P-A-20-NN-074-Z-18-NNN | H1B110AATHHANBTBVSESPA20NN074Z18NNN |
| 83057706 | H1-B-110-A-A-L2-BA-N-B-PA-VN-DN-N-N-NN-NP-055-N-00-NNN | H1B110AAL2BANBPAVNDNNNNNNP055N00NNN |
| 83057734 | H1-B-110-A-A-D2-MA-N-B-PA-VS-ES-B-A-10-NP-030-N-23-NNN | H1B110AAD2MANBPAVSESBA10NP030N23NNN |
| 83057837 | H1-B-110-A-A-K1-K1-N-B-RA-DS-JS-S-A-10-NP-031-N-30-NNN | H1B110AAK1K1NBRADSJSSA10NP031N30NNN |
| 83057910 | H1-B-110-A-A-E1-AA-N-B-TA-CS-ES-S-N-NN-NN-055-Z-00-NNN | H1B110AAE1AANBTACSESSNNNNN055Z00NNN |
| 83058041 | H1-B-110-A-A-TA-DA-N-B-TA-VN-DN-N-N-NN-NN-055-Z-16-NNN | H1B110AATADANBTAVNDNNNNNNN055Z16NNN |
| 83058052 | H1-B-110-A-A-TA-DA-N-B-TA-VN-DN-N-N-NN-NN-044-Z-16-NNN | H1B110AATADANBTAVNDNNNNNNN044Z16NNN |
| 83058074 | H1-B-110-A-A-M2-CA-N-A-RA-DS-KS-S-A-10-NP-MB0-N-00-NNN | H1B110AAM2CANARADSKSSA10NPMB0N00NNN |
| 83058093 | H1-B-110-A-A-T2-D2-N-B-TB-DN-JN-N-A-15-NN-070-Z-22-NNN | H1B110AAT2D2NBTBDNJNNA15NN070Z22NNN |
| 83058103 | H1-B-110-A-A-TA-DA-N-B-TA-VN-EN-N-A-10-NN-AA6-Z-27-NNN | H1B110AATADANBTAVNENNA10NNAA6Z27NNN |
| 83058142 | H1-B-110-A-A-M1-CA-N-A-RA-VN-DN-N-B-30-NP-050-N-00-N07 | H1B110AAM1CANARAVNDNNB30NP050N00N07 |
| 83058281 | H1-B-110-A-A-T2-DA-N-B-TA-CN-KN-N-N-NN-NN-070-Z-26-NNN | H1B110AAT2DANBTACNKNNNNNNN070Z26NNN |
| 83058341 | H1-B-110-A-A-DH-MA-W-A-PB-DN-KN-N-N-NN-NP-055-N-13-NNN | H1B110AADHMAWAPBDNKNNNNNNP055N13NNN |
| 83058348 | H1-B-110-A-A-L2-BA-N-N-PA-DN-JN-N-A-10-NP-MB0-N-00-NNN | H1B110AAL2BANNPADNJNNA10NPMB0N00NNN |
| 83058366 | H1-B-110-A-A-TH-HB-N-B-TB-VN-EN-N-A-10-NN-055-Z-30-NNN | H1B110AATHHBNBTBVNENNA10NN055Z30NNN |
| 83058367 | H1-B-110-A-A-NB-NT-N-N-TB-CN-JN-N-N-NN-NN-000-Z-00-NNN | H1B110AANBNTNNTBCNJNNNNNNN000Z00NNN |
| 83058381 | H1-B-110-A-A-L1-BA-N-B-PB-CS-JS-S-A-10-NP-MB0-N-00-NNN | H1B110AAL1BANBPBCSJSSA10NPMB0N00NNN |
| 83058383 | H1-B-110-A-A-M1-CA-N-B-RB-VS-KS-S-A-10-NP-022-N-00-NNN | H1B110AAM1CANBRBVSKSSA10NP022N00NNN |
| 83058423 | H1-B-110-A-A-L2-BA-N-B-PB-DS-JS-B-A-10-NP-050-N-00-NNN | H1B110AAL2BANBPBDSJSBA10NP050N00NNN |
| 83058473 | H1-B-110-A-A-K2-K2-N-B-RA-VS-DS-S-A-10-NP-064-N-27-NNN | H1B110AAK2K2NBRAVSDSSA10NP064N27NNN |
| 83058572 | H1-B-110-A-A-E2-AA-N-B-TB-DN-JN-N-N-NN-NN-025-Z-00-NNN | H1B110AAE2AANBTBDNJNNNNNNN025Z00NNN |
| 83058608 | H1-B-110-A-A-E1-AA-N-B-TB-DS-KS-P-A-15-NN-069-Z-00-NNN | H1B110AAE1AANBTBDSKSPA15NN069Z00NNN |
| 83058619 | H1-B-110-A-A-E1-AA-N-B-TB-CS-JS-P-A-10-NN-055-Z-00-F01 | H1B110AAE1AANBTBCSJSPA10NN055Z00F01 |
| 83058620 | H1-B-110-A-A-E1-AA-N-B-TB-DS-KS-P-A-15-NN-069-Z-00-F01 | H1B110AAE1AANBTBDSKSPA15NN069Z00F01 |
| 83058661 | H1-B-110-A-A-TH-HA-N-B-TA-VN-DN-N-N-NN-NN-027-Z-16-NNN | H1B110AATHHANBTAVNDNNNNNNN027Z16NNN |
| 83058726 | H1-B-110-A-A-E2-AA-N-B-TB-DN-JN-N-A-10-NN-072-Z-00-NNN | H1B110AAE2AANBTBDNJNNA10NN072Z00NNN |
| 83058728 | H1-B-110-A-A-NB-NT-N-N-TA-VN-EN-N-A-10-NN-000-Z-00-NNN | H1B110AANBNTNNTAVNENNA10NN000Z00NNN |
| 83058764 | H1-B-110-A-A-L1-BA-N-B-PB-DS-KS-S-N-NN-NP-026-N-00-NNN | H1B110AAL1BANBPBDSKSSNNNNP026N00NNN |
| 83058776 | H1-B-110-A-A-L2-BA-N-B-PA-VS-DS-S-A-15-NP-057-N-00-NNN | H1B110AAL2BANBPAVSDSSA15NP057N00NNN |
| 83058871 | H1-B-110-A-A-L2-BA-N-C-PB-VS-ES-S-B-10-NP-035-N-00-NNN | H1B110AAL2BANCPBVSESSB10NP035N00NNN |
| 83058900 | H1-B-110-A-A-T2-D2-N-A-TA-DS-JS-S-A-10-NN-054-Z-18-NNN | H1B110AAT2D2NATADSJSSA10NN054Z18NNN |
| 83058911 | H1-B-110-A-A-L1-BA-N-B-PB-DS-KS-S-A-15-NP-022-N-00-NNN | H1B110AAL1BANBPBDSKSSA15NP022N00NNN |
| 83058947 | H1-B-110-A-A-P1-D1-N-B-TA-DN-KN-N-A-10-NN-024-Z-24-NNN | H1B110AAP1D1NBTADNKNNA10NN024Z24NNN |
| 83059030 | H1-B-110-A-A-T1-D1-N-B-TB-VS-ES-S-A-10-NN-038-Z-18-NNN | H1B110AAT1D1NBTBVSESSA10NN038Z18NNN |
| 83059109 | H1-B-110-A-A-L2-BA-N-B-PB-VN-EN-N-N-NN-NP-032-N-00-NNN | H1B110AAL2BANBPBVNENNNNNNP032N00NNN |
| 83059155 | H1-B-110-A-A-E2-AA-N-B-TA-VN-EN-N-N-NN-NN-074-Z-00-NNN | H1B110AAE2AANBTAVNENNNNNNN074Z00NNN |
| 83059264 | H1-B-110-A-A-LH-BA-Y-B-PB-VN-EN-N-A-10-NP-030-N-00-NNN | H1B110AALHBAYBPBVNENNA10NP030N00NNN |
| 83059291 | H1-B-110-A-A-HE-HE-N-B-TB-VN-EN-N-N-NN-NN-022-Z-00-NNN | H1B110AAHEHENBTBVNENNNNNNN022Z00NNN |
| 83059490 | H1-B-110-A-A-E2-AA-N-B-TB-VS-ES-P-A-10-NN-047-Z-00-NNN | H1B110AAE2AANBTBVSESPA10NN047Z00NNN |
| 83059610 | H1-B-110-A-A-HE-HE-N-B-TA-VN-EN-N-N-NN-NN-041-T-00-NNN | H1B110AAHEHENBTAVNENNNNNNN041T00NNN |
| 83059611 | H1-B-110-A-A-HE-HE-N-B-TA-VS-ES-P-N-NN-NN-041-T-00-NNN | H1B110AAHEHENBTAVSESPNNNNN041T00NNN |
| 83059750 | H1-B-110-A-A-T2-DA-N-B-TA-CN-KN-N-A-15-NN-070-Z-27-NNN | H1B110AAT2DANBTACNKNNA15NN070Z27NNN |
| 83060232 | H1-B-110-A-A-L2-BA-N-B-PB-CN-JN-N-A-10-NP-035-E-00-NNN | H1B110AAL2BANBPBCNJNNA10NP035E00NNN |
| 83060258 | H1-B-110-A-A-E2-AA-N-C-TA-VN-EN-N-N-NN-NN-040-Z-00-NNN | H1B110AAE2AANCTAVNENNNNNNN040Z00NNN |
| 83060397 | H1-B-110-A-A-L2-BA-N-B-PA-DS-DS-S-A-10-NP-022-N-00-NNN | H1B110AAL2BANBPADSDSSA10NP022N00NNN |
| 83060797 | H1-B-110-A-A-L2-BA-N-A-PB-CS-JS-S-A-15-NP-MB0-N-00-NNN | H1B110AAL2BANAPBCSJSSA15NPMB0N00NNN |
| 83060839 | H1-B-110-A-A-TA-DA-N-B-TA-VN-DN-N-N-NN-NN-044-Z-16-0NN | H1B110AATADANBTAVNDNNNNNNN044Z160NN |
| 83060859 | H1-B-110-A-A-NB-NT-N-N-TA-VS-ES-P-A-10-NN-000-Z-00-NNN | H1B110AANBNTNNTAVSESPA10NN000Z00NNN |
| 83060913 | H1-B-110-A-A-DH-MH-Y-B-PA-DS-JS-B-N-NN-NP-047-N-27-NNN | H1B110AADHMHYBPADSJSBNNNNP047N27NNN |
| 83060966 | H1-B-110-A-A-HE-HE-N-B-TB-VN-KN-N-A-10-NN-074-Z-00-NNN | H1B110AAHEHENBTBVNKNNA10NN074Z00NNN |
| 83061012 | H1-B-110-A-A-D1-MA-N-B-PB-DS-DS-S-N-NN-NP-030-N-30-NNN | H1B110AAD1MANBPBDSDSSNNNNP030N30NNN |
| 83061074 | H1-B-110-A-A-L2-BA-N-B-PB-CS-JS-S-A-10-NP-039-N-00-NNN | H1B110AAL2BANBPBCSJSSA10NP039N00NNN |
| 83061089 | H1-B-110-A-A-T2-DA-N-B-TA-VS-ES-B-B-10-NN-028-Z-30-NNN | H1B110AAT2DANBTAVSESBB10NN028Z30NNN |
| 83061401 | H1-B-110-A-A-L1-BA-N-A-PB-VS-DS-S-N-NN-NP-MB0-N-00-NNN | H1B110AAL1BANAPBVSDSSNNNNPMB0N00NNN |
| 83061442 | H1-B-110-A-A-K1-KA-N-B-RB-DN-JN-N-A-15-NP-040-N-30-NNN | H1B110AAK1KANBRBDNJNNA15NP040N30NNN |
| 83061480 | H1-B-110-A-A-P1-D1-N-B-TA-VS-DS-S-A-10-NN-035-Z-24-NNN | H1B110AAP1D1NBTAVSDSSA10NN035Z24NNN |
| 83061518 | H1-B-110-A-A-M1-CA-N-B-RA-DS-JS-S-A-15-NP-MB0-N-00-NNN | H1B110AAM1CANBRADSJSSA15NPMB0N00NNN |
| 83061626 | H1-B-110-A-A-NB-NT-N-N-TA-CS-JS-P-A-15-NN-000-Z-00-0NN | H1B110AANBNTNNTACSJSPA15NN000Z000NN |
| 83061629 | H1-B-110-A-A-NB-NT-N-N-TA-VS-ES-B-A-10-NN-000-Z-00-NNN | H1B110AANBNTNNTAVSESBA10NN000Z00NNN |
| 83061630 | H1-B-110-A-A-NB-NT-N-N-TA-DS-JS-P-A-10-NN-000-Z-00-0NN | H1B110AANBNTNNTADSJSPA10NN000Z000NN |
| 83061761 | H1-B-110-A-A-K1-K1-N-B-RB-DS-KS-B-A-10-NP-044-N-36-NNN | H1B110AAK1K1NBRBDSKSBA10NP044N36NNN |
| 83061763 | H1-B-110-A-A-K1-K1-N-B-RB-DS-KS-B-A-10-NP-060-N-36-NNN | H1B110AAK1K1NBRBDSKSBA10NP060N36NNN |
| 83061764 | H1-B-110-A-A-NA-NR-N-N-PA-DS-JS-P-A-10-NP-000-N-00-0NN | H1B110AANANRNNPADSJSPA10NP000N000NN |
| 83061765 | H1-B-110-A-A-NA-NR-N-N-PB-VS-ES-P-N-NN-NP-000-N-00-0NN | H1B110AANANRNNPBVSESPNNNNP000N000NN |
| 83061922 | H1-B-110-A-A-E1-AA-N-B-TB-DS-JS-B-A-15-NN-045-U-00-NNN | H1B110AAE1AANBTBDSJSBA15NN045U00NNN |
| 83062021 | H1-B-110-A-A-F2-EA-N-A-TA-DN-KN-N-N-NN-NN-055-Z-00-NNN | H1B110AAF2EANATADNKNNNNNNN055Z00NNN |
| 83062035 | H1-B-110-A-A-L2-BA-N-B-PB-VN-EN-N-N-NN-NP-022-N-00-NNN | H1B110AAL2BANBPBVNENNNNNNP022N00NNN |
| 83062059 | H1-B-110-A-A-HE-HE-N-A-TB-VN-EN-N-A-10-NN-033-Z-00-NNN | H1B110AAHEHENATBVNENNA10NN033Z00NNN |
| 83062173 | H1-B-110-A-A-L1-BA-N-B-PA-DS-KS-S-A-15-NP-022-N-00-NNN | H1B110AAL1BANBPADSKSSA15NP022N00NNN |
| 83062643 | H1-B-110-A-A-D2-MA-N-B-PA-VS-ES-S-A-10-NP-062-N-21-NNN | H1B110AAD2MANBPAVSESSA10NP062N21NNN |
| 83062922 | H1-B-110-A-A-LH-BA-D-B-PB-VN-DN-N-A-10-NP-040-N-00-NNN | H1B110AALHBADBPBVNDNNA10NP040N00NNN |
| 83063043 | H1-B-110-A-A-D1-M1-N-B-PA-DN-DN-N-A-10-NP-040-N-21-NNN | H1B110AAD1M1NBPADNDNNA10NP040N21NNN |
| 83063048 | H1-B-110-A-A-L2-BA-N-B-PB-CS-JS-S-A-05-NP-037-N-00-NNN | H1B110AAL2BANBPBCSJSSA05NP037N00NNN |
| 83063053 | H1-B-110-A-A-M1-CA-N-A-RB-CS-JS-S-G-10-NP-MB0-N-00-N05 | H1B110AAM1CANARBCSJSSG10NPMB0N00N05 |
| 83063176 | H1-B-110-A-A-HF-HF-N-A-TB-VN-EN-N-A-15-NN-041-Z-00-NNN | H1B110AAHFHFNATBVNENNA15NN041Z00NNN |
| 83063177 | H1-B-110-A-A-TA-DA-N-A-TB-VN-EN-N-A-15-NN-059-S-30-NNN | H1B110AATADANATBVNENNA15NN059S30NNN |
| 83063301 | H1-B-110-A-A-E2-AA-N-B-TB-CS-JS-P-A-10-NN-055-Z-00-NNN | H1B110AAE2AANBTBCSJSPA10NN055Z00NNN |
| 83063394 | H1-B-110-A-A-M2-CA-N-B-RB-VN-EN-N-N-NN-NP-MB0-N-00-NNN | H1B110AAM2CANBRBVNENNNNNNPMB0N00NNN |
| 83063418 | H1-B-110-A-A-K1-KA-N-B-RA-DN-JN-N-N-NN-NP-040-N-30-NNN | H1B110AAK1KANBRADNJNNNNNNP040N30NNN |
| 83063451 | H1-B-110-A-A-P1-D1-N-B-TA-DS-JS-S-A-15-NN-036-Z-24-NNN | H1B110AAP1D1NBTADSJSSA15NN036Z24NNN |
| 83063499 | H1-B-110-A-A-LH-BA-O-B-PB-DN-JN-N-A-10-NP-040-N-00-NNN | H1B110AALHBAOBPBDNJNNA10NP040N00NNN |
| 83063501 | H1-B-110-A-A-L2-BA-N-A-PA-DN-JN-N-N-NN-NP-040-N-00-NNN | H1B110AAL2BANAPADNJNNNNNNP040N00NNN |
| 83063516 | H1-B-110-A-A-M2-CA-N-B-RB-VN-EN-N-N-NN-NP-034-N-00-NNN | H1B110AAM2CANBRBVNENNNNNNP034N00NNN |
| 83063682 | H1-B-110-A-A-D1-M1-N-B-PB-DS-JS-B-A-15-NP-032-N-29-NNN | H1B110AAD1M1NBPBDSJSBA15NP032N29NNN |
| 83063807 | H1-B-110-A-A-L1-BA-N-B-PB-CS-JS-S-A-15-NP-028-N-00-NNN | H1B110AAL1BANBPBCSJSSA15NP028N00NNN |
| 83063861 | H1-B-110-A-A-DH-MA-I-B-PB-DN-JN-N-A-10-NP-043-N-34-NNN | H1B110AADHMAIBPBDNJNNA10NP043N34NNN |
| 83063886 | H1-B-110-A-A-L2-BA-N-B-PB-DS-KS-B-A-10-NP-022-N-00-NNN | H1B110AAL2BANBPBDSKSBA10NP022N00NNN |
| 83063898 | H1-B-110-A-A-E2-AA-N-B-TB-DN-KN-N-A-10-NN-042-Z-00-NNN | H1B110AAE2AANBTBDNKNNA10NN042Z00NNN |
| 83064025 | H1-B-110-A-A-LH-BA-T-B-PA-VN-EN-N-A-10-NP-070-N-00-NNN | H1B110AALHBATBPAVNENNA10NP070N00NNN |
| 83064034 | H1-B-110-A-A-D2-M2-N-B-PB-VN-DN-N-A-15-NP-035-N-24-NNN | H1B110AAD2M2NBPBVNDNNA15NP035N24NNN |
| 83064048 | H1-B-110-A-A-TA-DA-N-B-TA-VS-ES-S-A-10-NN-070-Z-16-NNN | H1B110AATADANBTAVSESSA10NN070Z16NNN |
| 83064102 | H1-B-110-A-A-E1-AA-N-B-TB-DS-JS-S-N-NN-NN-045-U-00-NNN | H1B110AAE1AANBTBDSJSSNNNNN045U00NNN |
| 83064201 | H1-B-110-A-A-M1-CA-N-B-RA-DS-JS-S-A-10-NP-027-N-00-NNN | H1B110AAM1CANBRADSJSSA10NP027N00NNN |
| 83064209 | H1-B-110-A-A-D2-MA-N-B-PB-DN-JN-N-N-NN-NP-048-N-23-NNN | H1B110AAD2MANBPBDNJNNNNNNP048N23NNN |
| 83064401 | H1-B-110-A-A-HE-HE-N-B-TB-DN-KN-N-A-10-NN-MB0-Z-00-NNN | H1B110AAHEHENBTBDNKNNA10NNMB0Z00NNN |
| 83064518 | H1-B-110-A-A-L2-BA-N-B-PB-CS-JS-B-A-10-NP-MB0-N-00-NNN | H1B110AAL2BANBPBCSJSBA10NPMB0N00NNN |
| 83064522 | H1-B-110-A-A-M1-CA-N-B-RA-DS-KS-S-A-15-NP-022-N-00-NNN | H1B110AAM1CANBRADSKSSA15NP022N00NNN |
| 83064537 | H1-B-110-A-A-E2-AA-N-B-TB-DN-JN-N-A-10-NN-057-Z-00-NNN | H1B110AAE2AANBTBDNJNNA10NN057Z00NNN |
| 83064567 | H1-B-110-A-A-HE-HE-N-B-TB-DN-KN-N-A-10-NN-074-Z-00-NNN | H1B110AAHEHENBTBDNKNNA10NN074Z00NNN |
| 83064635 | H1-B-110-A-A-E2-AA-N-B-TB-DN-KN-N-A-10-NN-057-Z-00-NNN | H1B110AAE2AANBTBDNKNNA10NN057Z00NNN |
| 83064701 | H1-B-110-A-A-DH-MA-O-A-PA-VN-EN-N-N-NN-NP-055-N-26-NNN | H1B110AADHMAOAPAVNENNNNNNP055N26NNN |
| 83064850 | H1-B-110-A-A-E1-AA-N-B-TB-CS-JS-P-A-10-NN-055-Z-00-N01 | H1B110AAE1AANBTBCSJSPA10NN055Z00N01 |
| 83064890 | H1-B-110-A-A-L2-BA-N-B-PA-CS-DS-B-A-10-NP-027-N-00-NNN | H1B110AAL2BANBPACSDSBA10NP027N00NNN |
| 83064917 | H1-B-110-A-A-D2-MA-N-B-PB-DN-JN-N-N-NN-NP-068-N-16-NNN | H1B110AAD2MANBPBDNJNNNNNNP068N16NNN |
| 83065013 | H1-B-110-A-A-L1-BA-N-C-PB-VN-DN-N-B-10-NP-050-N-00-NNN | H1B110AAL1BANCPBVNDNNB10NP050N00NNN |
| 83065028 | H1-B-110-A-M-M1-CA-N-A-RB-CS-JS-B-G-10-NP-MB0-N-00-N06 | H1B110AMM1CANARBCSJSBG10NPMB0N00N06 |
| 83065056 | H1-B-110-A-A-E1-AA-N-B-TB-DS-KS-P-A-15-NN-069-Z-00-N01 | H1B110AAE1AANBTBDSKSPA15NN069Z00N01 |
| 83065121 | H1-B-110-A-A-K1-K1-N-B-RB-VS-DS-S-A-10-NP-024-N-30-NNN | H1B110AAK1K1NBRBVSDSSA10NP024N30NNN |
| 83065266 | H1-B-110-A-A-K1-K1-N-B-RB-DS-KS-B-A-10-NP-029-N-36-NNN | H1B110AAK1K1NBRBDSKSBA10NP029N36NNN |
| 83065333 | H1-B-110-A-A-E2-AA-N-B-TB-CS-JS-B-B-05-NN-036-Z-00-NNN | H1B110AAE2AANBTBCSJSBB05NN036Z00NNN |
| 83065335 | H1-B-110-A-A-E2-AA-N-B-TB-CS-JS-B-B-05-NN-044-Z-00-NNN | H1B110AAE2AANBTBCSJSBB05NN044Z00NNN |
| 83065337 | H1-B-110-A-A-E2-AA-N-B-TB-DN-JN-N-B-05-NN-044-Z-00-NNN | H1B110AAE2AANBTBDNJNNB05NN044Z00NNN |
| 83065339 | H1-B-110-A-A-E2-AA-N-B-TB-DN-JN-N-B-05-NN-036-Z-00-NNN | H1B110AAE2AANBTBDNJNNB05NN036Z00NNN |
| 83065407 | H1-B-110-A-A-LH-BA-D-B-PB-VN-DN-N-A-20-NP-050-N-00-NNN | H1B110AALHBADBPBVNDNNA20NP050N00NNN |
| 83065411 | H1-B-110-A-A-L2-BA-N-B-PB-DS-KS-P-A-10-NP-040-N-00-NNN | H1B110AAL2BANBPBDSKSPA10NP040N00NNN |
| 83065439 | H1-B-110-A-A-D2-M2-N-B-PB-DS-JS-S-A-15-NP-074-N-29-NNN | H1B110AAD2M2NBPBDSJSSA15NP074N29NNN |
| 83065527 | H1-B-110-A-A-D1-MA-N-B-PA-VS-ES-S-A-10-NP-062-N-21-NNN | H1B110AAD1MANBPAVSESSA10NP062N21NNN |
| 83065533 | H1-B-110-A-A-E2-AA-N-B-TB-DN-KN-N-A-10-NN-073-Z-00-NNN | H1B110AAE2AANBTBDNKNNA10NN073Z00NNN |
| 83065545 | H1-B-110-A-A-T2-D2-N-B-TB-DS-JS-B-A-10-NN-055-Z-27-NNN | H1B110AAT2D2NBTBDSJSBA10NN055Z27NNN |
| 83065548 | H1-B-110-A-A-P1-G1-N-B-TA-DS-JS-S-A-10-NN-025-Z-24-NNN | H1B110AAP1G1NBTADSJSSA10NN025Z24NNN |
| 83065550 | H1-B-110-A-A-E2-AA-N-B-TB-DN-KN-N-B-05-NN-072-Z-00-NNN | H1B110AAE2AANBTBDNKNNB05NN072Z00NNN |
| 83065551 | H1-B-110-A-A-K2-K2-N-B-RB-VS-ES-S-A-15-NP-029-N-25-NNN | H1B110AAK2K2NBRBVSESSA15NP029N25NNN |
| 83065573 | H1-B-110-A-A-LH-BA-O-B-PB-DN-JN-N-N-NN-NP-070-N-00-NNN | H1B110AALHBAOBPBDNJNNNNNNP070N00NNN |
| 83065851 | H1-B-110-A-A-M1-CA-N-B-RA-DS-JS-B-A-10-NP-032-N-00-NNN | H1B110AAM1CANBRADSJSBA10NP032N00NNN |
| 83065873 | H1-B-110-A-A-L1-BA-N-B-PA-VS-DS-S-A-15-NP-055-N-00-NNN | H1B110AAL1BANBPAVSDSSA15NP055N00NNN |
| 83065875 | H1-B-110-A-A-M1-CA-N-A-RA-VS-ES-S-N-NN-NP-MB0-N-00-NNN | H1B110AAM1CANARAVSESSNNNNPMB0N00NNN |
| 83065876 | H1-B-110-A-A-LH-BA-O-A-PB-VN-EN-N-N-NN-NP-024-N-00-NNN | H1B110AALHBAOAPBVNENNNNNNP024N00NNN |
| 83065877 | H1-B-110-A-A-E2-AA-N-B-TB-CS-JS-B-A-15-NN-042-Z-00-NNN | H1B110AAE2AANBTBCSJSBA15NN042Z00NNN |
| 83066003 | H1-B-110-A-M-M1-CA-N-A-RB-CS-JS-S-G-05-NP-MB0-N-00-N06 | H1B110AMM1CANARBCSJSSG05NPMB0N00N06 |
| 83066028 | H1-B-110-A-A-TA-DA-N-B-TA-VN-EN-N-N-NN-NN-055-Z-20-NNN | H1B110AATADANBTAVNENNNNNNN055Z20NNN |
| 83066439 | H1-B-110-A-A-M1-CA-N-A-RB-CS-JS-S-D-15-NP-MB0-N-00-N06 | H1B110AAM1CANARBCSJSSD15NPMB0N00N06 |
| 83066440 | H1-B-110-A-A-M1-CA-N-A-RB-CS-JS-S-C-15-NP-MB0-N-00-N06 | H1B110AAM1CANARBCSJSSC15NPMB0N00N06 |
| 83066457 | H1-B-110-A-A-M2-CA-N-A-RB-CS-JS-S-A-15-NP-MB0-N-00-NNN | H1B110AAM2CANARBCSJSSA15NPMB0N00NNN |
| 83066696 | H1-B-110-A-A-T2-D2-N-B-TB-VS-DS-S-A-15-NN-022-Z-25-NNN | H1B110AAT2D2NBTBVSDSSA15NN022Z25NNN |
| 83066697 | H1-B-110-A-A-L1-BA-N-B-PA-VS-ES-S-A-10-NP-062-N-00-NNN | H1B110AAL1BANBPAVSESSA10NP062N00NNN |
| 83066786 | H1-B-110-A-A-LH-BA-E-B-PA-DN-JN-N-A-05-NP-028-N-00-NNN | H1B110AALHBAEBPADNJNNA05NP028N00NNN |
| 83066833 | H1-B-110-A-A-TA-DA-N-B-TA-CN-JN-N-N-NN-NN-055-Z-16-NNN | H1B110AATADANBTACNJNNNNNNN055Z16NNN |
| 83066845 | H1-B-110-A-M-L1-BA-N-A-PB-CS-JS-S-G-15-NP-MB0-N-00-NNN | H1B110AML1BANAPBCSJSSG15NPMB0N00NNN |
| 83066862 | H1-B-110-A-A-TH-HA-N-B-TB-CN-JN-N-A-10-NN-050-Z-24-NNN | H1B110AATHHANBTBCNJNNA10NN050Z24NNN |
| 83066863 | H1-B-110-A-A-L1-BA-N-B-PA-VS-ES-S-A-15-NP-038-N-00-NNN | H1B110AAL1BANBPAVSESSA15NP038N00NNN |
| 83066998 | H1-B-110-A-A-L2-BA-N-N-PA-VS-ES-S-N-NN-NP-MB0-N-00-NNN | H1B110AAL2BANNPAVSESSNNNNPMB0N00NNN |
| 83066999 | H1-B-110-A-A-L2-BA-N-N-PA-CS-ES-S-N-NN-NP-MB0-N-00-NNN | H1B110AAL2BANNPACSESSNNNNPMB0N00NNN |
| 83067185 | H1-B-110-A-A-M2-CA-N-B-RB-VS-ES-S-B-10-NP-MB0-N-00-NNN | H1B110AAM2CANBRBVSESSB10NPMB0N00NNN |
| 83067196 | H1-B-110-A-A-TH-HA-N-B-TB-CN-JN-N-N-NN-NN-055-Z-21-N13 | H1B110AATHHANBTBCNJNNNNNNN055Z21N13 |
| 83067230 | H1-B-110-A-A-E1-AA-N-B-TA-VN-EN-N-A-10-NN-060-Z-00-NNN | H1B110AAE1AANBTAVNENNA10NN060Z00NNN |
| 83067349 | H1-B-110-A-A-K1-K1-N-C-RA-DN-JN-N-A-10-NP-027-N-30-NNN | H1B110AAK1K1NCRADNJNNA10NP027N30NNN |
| 83067366 | H1-B-110-A-M-M1-CA-N-A-RB-CS-JS-S-G-05-NP-MB0-N-00-N05 | H1B110AMM1CANARBCSJSSG05NPMB0N00N05 |
| 83067450 | H1-B-110-A-A-E2-AA-N-C-TA-VN-EN-N-N-NN-NN-055-Z-00-NNN | H1B110AAE2AANCTAVNENNNNNNN055Z00NNN |
| 83067592 | H1-B-110-A-A-E2-AA-N-B-TB-DS-JS-B-A-10-NN-040-Z-00-NNN | H1B110AAE2AANBTBDSJSBA10NN040Z00NNN |
| 83067631 | H1-B-110-A-A-L1-BA-N-B-PB-VS-ES-P-N-NN-NP-030-N-00-NNN | H1B110AAL1BANBPBVSESPNNNNP030N00NNN |
| 83067666 | H1-B-110-A-A-E1-AA-N-B-TB-DN-JN-N-A-10-NN-040-Z-00-NNN | H1B110AAE1AANBTBDNJNNA10NN040Z00NNN |
| 83067683 | H1-B-110-A-A-DH-MA-D-B-PB-DS-KS-B-A-10-NP-025-N-30-NNN | H1B110AADHMADBPBDSKSBA10NP025N30NNN |
| 83067770 | H1-B-110-A-A-E2-AA-N-B-TB-DN-JN-N-B-05-NN-040-Z-00-NNN | H1B110AAE2AANBTBDNJNNB05NN040Z00NNN |
| 83067771 | H1-B-110-A-A-E2-AA-N-B-TB-CS-JS-B-B-05-NN-040-Z-00-NNN | H1B110AAE2AANBTBCSJSBB05NN040Z00NNN |
| 83067821 | H1-B-110-A-M-M1-CA-N-A-RB-CS-JS-B-G-05-NP-MB0-N-00-N05 | H1B110AMM1CANARBCSJSBG05NPMB0N00N05 |
| 83067854 | H1-B-110-A-A-HE-HE-N-C-TB-VN-DN-N-A-15-NN-050-Z-00-NNN | H1B110AAHEHENCTBVNDNNA15NN050Z00NNN |
| 83068095 | H1-B-110-A-A-LH-BA-E-B-PA-DN-JN-N-A-05-NP-022-N-00-NNN | H1B110AALHBAEBPADNJNNA05NP022N00NNN |
| 83068136 | H1-B-110-A-A-LH-BA-E-B-PB-VN-EN-N-N-NN-NP-074-N-00-NNN | H1B110AALHBAEBPBVNENNNNNNP074N00NNN |
| 83068168 | H1-B-110-A-A-E2-AA-N-B-TB-DN-JN-N-B-05-NN-040-Z-00-N27 | H1B110AAE2AANBTBDNJNNB05NN040Z00N27 |
| 83068169 | H1-B-110-A-A-E2-AA-N-B-TB-CS-JS-B-B-05-NN-040-Z-00-N27 | H1B110AAE2AANBTBCSJSBB05NN040Z00N27 |
| 83068170 | H1-B-110-A-A-E2-AA-N-B-TB-DN-JN-N-B-05-NN-050-Z-00-N27 | H1B110AAE2AANBTBDNJNNB05NN050Z00N27 |
| 83068171 | H1-B-110-A-A-E2-AA-N-B-TB-CS-JS-B-B-05-NN-050-Z-00-N27 | H1B110AAE2AANBTBCSJSBB05NN050Z00N27 |
| 83068374 | H1-B-110-A-A-LH-BA-G-B-PA-DN-DN-N-A-10-NP-022-N-00-NNN | H1B110AALHBAGBPADNDNNA10NP022N00NNN |
| 83068422 | H1-B-110-A-A-D2-M2-N-B-PB-DN-JN-N-A-15-NP-035-N-24-NNN | H1B110AAD2M2NBPBDNJNNA15NP035N24NNN |
| 83068427 | H1-B-110-A-A-E1-AA-N-B-TB-CS-JS-P-A-10-NN-022-Z-00-NNN | H1B110AAE1AANBTBCSJSPA10NN022Z00NNN |
| 83068431 | H1-B-110-A-A-TH-HB-N-B-TA-VN-EN-N-A-10-NN-070-Z-24-NNN | H1B110AATHHBNBTAVNENNA10NN070Z24NNN |
| 83068438 | H1-B-110-A-A-E1-AA-N-B-TB-DS-KS-P-A-15-NN-046-Z-00-NNN | H1B110AAE1AANBTBDSKSPA15NN046Z00NNN |
| 83068457 | H1-B-110-A-A-E1-AA-N-B-TB-CS-JS-P-A-10-NN-022-Z-00-F01 | H1B110AAE1AANBTBCSJSPA10NN022Z00F01 |
| 83068458 | H1-B-110-A-A-E1-AA-N-B-TB-DS-KS-P-A-15-NN-046-Z-00-F01 | H1B110AAE1AANBTBDSKSPA15NN046Z00F01 |
| 83068537 | H1-B-110-A-A-E2-AA-N-B-TB-DN-JN-N-B-05-NN-044-Z-00-N27 | H1B110AAE2AANBTBDNJNNB05NN044Z00N27 |
| 83068538 | H1-B-110-A-A-E2-AA-N-B-TB-DN-JN-N-B-05-NN-036-Z-00-N27 | H1B110AAE2AANBTBDNJNNB05NN036Z00N27 |
| 83068539 | H1-B-110-A-A-E2-AA-N-B-TB-CS-JS-B-B-05-NN-036-Z-00-N27 | H1B110AAE2AANBTBCSJSBB05NN036Z00N27 |
| 83068540 | H1-B-110-A-A-E2-AA-N-B-TB-CS-JS-B-B-05-NN-044-Z-00-N27 | H1B110AAE2AANBTBCSJSBB05NN044Z00N27 |
| 83068620 | H1-B-110-A-A-M2-CA-N-B-RB-DN-KN-N-N-NN-NP-035-N-00-NNN | H1B110AAM2CANBRBDNKNNNNNNP035N00NNN |
| 83068638 | H1-B-110-A-A-L2-BA-N-B-PB-DS-KS-B-A-05-NP-MB0-N-00-N27 | H1B110AAL2BANBPBDSKSBA05NPMB0N00N27 |
| 83068639 | H1-B-110-A-A-L2-BA-N-B-PB-DN-KN-N-A-10-NP-MB0-N-00-NNN | H1B110AAL2BANBPBDNKNNA10NPMB0N00NNN |
| 83068658 | H1-B-110-A-A-L2-BA-N-B-PB-DS-JS-B-A-10-NP-MB0-N-00-N27 | H1B110AAL2BANBPBDSJSBA10NPMB0N00N27 |
| 83068741 | H1-B-110-A-A-T2-G2-N-B-TB-VS-ES-S-A-15-NN-055-Z-30-NNN | H1B110AAT2G2NBTBVSESSA15NN055Z30NNN |
| 83068908 | H1-B-110-A-A-M2-CA-N-B-RA-CS-KS-S-A-10-NP-029-N-00-NNN | H1B110AAM2CANBRACSKSSA10NP029N00NNN |
| 83068958 | H1-B-110-A-A-LH-BA-O-B-PA-DN-JN-N-N-NN-NP-070-N-00-NNN | H1B110AALHBAOBPADNJNNNNNNP070N00NNN |
| 83069111 | H1-B-110-A-A-E1-AA-N-C-TB-VN-DN-N-B-10-NN-024-Z-00-NNN | H1B110AAE1AANCTBVNDNNB10NN024Z00NNN |
| 83069153 | H1-B-110-A-A-T1-D1-N-C-TB-VN-DN-N-B-10-NN-024-Z-24-NNN | H1B110AAT1D1NCTBVNDNNB10NN024Z24NNN |
| 83069154 | H1-B-110-A-A-P1-D1-N-B-TB-VS-DS-S-B-10-NN-024-Z-24-NNN | H1B110AAP1D1NBTBVSDSSB10NN024Z24NNN |
| 83069224 | H1-B-110-A-A-M2-CA-N-B-RB-VS-ES-S-E-10-NP-MB0-N-00-NNN | H1B110AAM2CANBRBVSESSE10NPMB0N00NNN |
| 83069416 | H1-B-110-A-A-D2-MA-N-B-PB-DS-JS-S-N-NN-NP-068-N-16-NNN | H1B110AAD2MANBPBDSJSSNNNNP068N16NNN |
| 83069543 | H1-B-110-A-A-T2-D2-N-B-TA-VS-DS-S-A-10-NN-036-Z-20-NNN | H1B110AAT2D2NBTAVSDSSA10NN036Z20NNN |
| 83069592 | H1-B-110-A-A-E1-AA-N-B-TB-DS-JS-B-N-NN-NN-061-R-00-NNN | H1B110AAE1AANBTBDSJSBNNNNN061R00NNN |
| 83069721 | H1-B-110-A-A-L1-BA-N-B-PA-DS-DS-S-N-NN-NP-MB0-N-00-NNN | H1B110AAL1BANBPADSDSSNNNNPMB0N00NNN |
| 83069901 | H1-B-110-A-A-HE-HE-N-C-TA-CN-JN-N-N-NN-NN-048-Z-00-NNN | H1B110AAHEHENCTACNJNNNNNNN048Z00NNN |
| 83070098 | H1-B-110-A-A-TA-D2-N-B-TA-DS-JS-S-A-10-NN-055-Z-19-NNN | H1B110AATAD2NBTADSJSSA10NN055Z19NNN |
| 83070100 | H1-B-110-A-A-TA-DA-N-B-TA-DS-JS-S-A-10-NN-055-Z-19-NNN | H1B110AATADANBTADSJSSA10NN055Z19NNN |
| 83070324 | H1-B-110-A-A-P1-D1-N-A-TA-DS-JS-S-A-15-NN-044-Z-24-NNN | H1B110AAP1D1NATADSJSSA15NN044Z24NNN |
| 83070378 | H1-B-110-A-A-E1-AA-N-B-TB-VS-ES-P-N-NN-NN-050-R-00-NNN | H1B110AAE1AANBTBVSESPNNNNN050R00NNN |
| 83070379 | H1-B-110-A-A-E1-AA-N-B-TB-VS-ES-P-N-NN-NN-061-R-00-NNN | H1B110AAE1AANBTBVSESPNNNNN061R00NNN |
| 83070510 | H1-B-110-A-A-T1-G1-N-A-TA-DN-KN-N-A-15-NN-035-Z-20-NNN | H1B110AAT1G1NATADNKNNA15NN035Z20NNN |
| 83071461 | H1-B-110-A-A-L2-BA-N-A-PB-VS-DS-S-A-10-NP-074-N-00-NNN | H1B110AAL2BANAPBVSDSSA10NP074N00NNN |
| 83071626 | H1-B-110-A-A-E2-AA-N-B-TB-CS-JS-B-A-10-NN-028-Z-00-NNN | H1B110AAE2AANBTBCSJSBA10NN028Z00NNN |
| 83071768 | H1-B-110-A-A-L2-BA-N-B-PA-DN-JN-N-A-15-NP-MB0-N-00-NNN | H1B110AAL2BANBPADNJNNA15NPMB0N00NNN |
| 83071788 | H1-B-110-A-A-P1-D1-N-B-TA-DN-JN-N-A-10-NN-022-Z-24-NNN | H1B110AAP1D1NBTADNJNNA10NN022Z24NNN |
| 83071913 | H1-B-110-A-A-L2-BA-N-B-PA-DN-JN-N-A-10-NP-050-N-00-NNN | H1B110AAL2BANBPADNJNNA10NP050N00NNN |
| 83072181 | H1-B-110-A-A-LH-BA-Y-C-PA-VN-EN-N-N-NN-NP-055-N-00-NNN | H1B110AALHBAYCPAVNENNNNNNP055N00NNN |
| 83072199 | H1-B-110-A-A-L2-BA-N-A-PA-DS-KS-B-B-10-NP-MB0-N-00-NNN | H1B110AAL2BANAPADSKSBB10NPMB0N00NNN |
| 83072203 | H1-B-110-A-A-TA-DA-N-B-TA-VS-ES-B-N-NN-NN-070-Z-22-NNN | H1B110AATADANBTAVSESBNNNNN070Z22NNN |
| 83072376 | H1-B-110-A-A-L2-BA-N-B-PA-VS-DS-S-A-05-NP-MB0-N-00-NNN | H1B110AAL2BANBPAVSDSSA05NPMB0N00NNN |
| 83072398 | H1-B-110-A-A-HE-HE-N-C-TB-VN-EN-N-B-15-NN-074-Z-00-NNN | H1B110AAHEHENCTBVNENNB15NN074Z00NNN |
| 83072579 | H1-B-110-A-A-L2-BA-N-A-PB-DS-JS-B-A-15-NP-040-N-00-NNN | H1B110AAL2BANAPBDSJSBA15NP040N00NNN |
| 83072719 | H1-B-110-A-A-E1-AA-N-B-TB-CS-JS-S-A-10-NN-051-Z-00-F01 | H1B110AAE1AANBTBCSJSSA10NN051Z00F01 |
| 83072737 | H1-B-110-A-A-E1-AA-N-B-TB-DS-KS-S-A-10-NN-022-Z-00-F01 | H1B110AAE1AANBTBDSKSSA10NN022Z00F01 |
| 83072855 | H1-B-110-A-A-E2-AA-N-B-TB-DS-KS-B-A-10-NN-064-Z-00-NNN | H1B110AAE2AANBTBDSKSBA10NN064Z00NNN |
| 83072859 | H1-B-110-A-A-TH-HA-N-B-TA-DN-KN-N-A-10-NN-055-Z-23-NNN | H1B110AATHHANBTADNKNNA10NN055Z23NNN |
| 83072877 | H1-B-110-A-A-M2-CA-N-B-RB-DN-JN-N-N-NN-NP-035-N-00-NNN | H1B110AAM2CANBRBDNJNNNNNNP035N00NNN |
| 83073036 | H1-B-110-A-A-TA-DA-N-B-TA-VN-EN-N-N-NN-NN-055-Z-16-NNN | H1B110AATADANBTAVNENNNNNNN055Z16NNN |
| 83073038 | H1-B-110-A-A-LH-BA-T-C-PA-VN-EN-N-N-NN-NP-055-N-00-NNN | H1B110AALHBATCPAVNENNNNNNP055N00NNN |
| 83073079 | H1-B-110-A-A-L2-BA-N-B-PB-VS-ES-P-B-15-NP-026-N-00-NNN | H1B110AAL2BANBPBVSESPB15NP026N00NNN |
| 83073145 | H1-B-110-A-A-T1-G1-N-A-TA-DN-JN-N-A-15-NN-027-Z-20-NNN | H1B110AAT1G1NATADNJNNA15NN027Z20NNN |
| 83073155 | H1-B-110-A-A-DH-MA-O-B-PB-DN-KN-N-N-NN-NP-030-N-13-NNN | H1B110AADHMAOBPBDNKNNNNNNP030N13NNN |
| 83073162 | H1-B-110-A-A-T1-G1-N-A-TA-DS-JS-B-A-15-NN-027-Z-20-NNN | H1B110AAT1G1NATADSJSBA15NN027Z20NNN |
| 83073163 | H1-B-110-A-A-T1-DA-N-A-TA-DN-KN-N-A-15-NN-035-Z-20-NNN | H1B110AAT1DANATADNKNNA15NN035Z20NNN |
| 83073190 | H1-B-110-A-A-E1-AA-N-B-TB-DN-KN-N-A-10-NN-073-Z-00-NNN | H1B110AAE1AANBTBDNKNNA10NN073Z00NNN |
| 83073234 | H1-B-110-A-A-T1-G1-N-B-TB-VS-ES-S-A-15-NN-055-Z-30-NNN | H1B110AAT1G1NBTBVSESSA15NN055Z30NNN |
| 83073302 | H1-B-110-A-A-M1-CA-N-A-RA-VS-ES-S-G-15-NP-023-N-00-N28 | H1B110AAM1CANARAVSESSG15NP023N00N28 |
| 83073431 | H1-B-110-A-A-L2-BA-N-A-PA-DS-JS-B-B-10-NP-MB0-N-00-NNN | H1B110AAL2BANAPADSJSBB10NPMB0N00NNN |
| 83073510 | H1-B-110-A-A-L2-BA-N-B-PB-VS-ES-P-A-15-NP-026-N-00-NNN | H1B110AAL2BANBPBVSESPA15NP026N00NNN |
| 83073511 | H1-B-110-A-A-L2-BA-N-A-PB-VS-DS-S-N-NN-NP-MB0-N-00-NNN | H1B110AAL2BANAPBVSDSSNNNNPMB0N00NNN |
| 83073571 | H1-B-110-A-M-D2-MA-N-B-PB-DN-JN-N-N-NN-NP-048-N-23-NNN | H1B110AMD2MANBPBDNJNNNNNNP048N23NNN |
| 83073583 | H1-B-110-A-A-L2-BA-N-B-PB-DS-KS-S-A-10-NP-MB0-N-00-N27 | H1B110AAL2BANBPBDSKSSA10NPMB0N00N27 |
| 83073625 | H1-B-110-A-M-M1-CA-N-B-RA-DS-JS-S-A-10-NP-027-N-00-NNN | H1B110AMM1CANBRADSJSSA10NP027N00NNN |
| 83073829 | H1-B-110-A-A-E1-AA-N-B-TB-DS-JS-S-A-15-NN-045-S-00-NNN | H1B110AAE1AANBTBDSJSSA15NN045S00NNN |
| 83073836 | H1-B-110-A-A-E2-AA-N-A-TA-VS-ES-S-A-15-NN-074-R-00-NNN | H1B110AAE2AANATAVSESSA15NN074R00NNN |
| 83073900 | H1-B-110-A-A-TH-HA-N-B-TB-CS-JS-B-A-10-NN-050-Z-20-NNN | H1B110AATHHANBTBCSJSBA10NN050Z20NNN |
| 83073903 | H1-B-110-A-A-HE-HE-N-B-TB-CN-JN-N-A-10-NN-050-Z-00-NNN | H1B110AAHEHENBTBCNJNNA10NN050Z00NNN |
| 83073952 | H1-B-110-A-A-L2-BA-N-B-PA-DS-KS-B-A-10-NP-035-N-00-N27 | H1B110AAL2BANBPADSKSBA10NP035N00N27 |
| 83074051 | H1-B-110-A-A-K1-K1-N-A-RA-DS-JS-S-A-10-NP-030-N-34-NNN | H1B110AAK1K1NARADSJSSA10NP030N34NNN |
| 83074070 | H1-B-110-A-A-TA-DA-N-B-TB-CN-JN-N-A-10-NN-030-Z-23-NNN | H1B110AATADANBTBCNJNNA10NN030Z23NNN |
| 83074108 | H1-B-110-A-A-E1-AA-N-B-TB-DS-KS-P-A-15-NN-043-Z-00-F01 | H1B110AAE1AANBTBDSKSPA15NN043Z00F01 |
| 83074165 | H1-B-110-A-A-E1-AA-N-B-TB-CS-JS-P-A-10-NN-029-Z-00-F01 | H1B110AAE1AANBTBCSJSPA10NN029Z00F01 |
| 83074168 | H1-B-110-A-A-DH-MA-D-A-PA-DN-JN-N-B-10-NP-033-N-24-NNN | H1B110AADHMADAPADNJNNB10NP033N24NNN |
| 83074268 | H1-B-110-A-A-T2-D2-N-B-TA-VS-DS-B-N-NN-NN-036-Z-20-NNN | H1B110AAT2D2NBTAVSDSBNNNNN036Z20NNN |
| 83074491 | H1-B-110-A-A-T1-G1-N-C-TA-DN-JN-N-A-10-NN-022-Z-20-NNN | H1B110AAT1G1NCTADNJNNA10NN022Z20NNN |
| 83074520 | H1-B-110-A-A-L2-BA-N-B-PB-VS-ES-S-A-15-NP-MB0-N-00-NNN | H1B110AAL2BANBPBVSESSA15NPMB0N00NNN |
| 83074542 | H1-B-110-A-A-M1-CA-N-C-RA-DS-JS-S-A-10-NP-MB0-N-00-NNN | H1B110AAM1CANCRADSJSSA10NPMB0N00NNN |
| 83074564 | H1-B-110-A-M-HE-HE-N-C-TA-CN-JN-N-N-NN-NN-048-Z-00-NNN | H1B110AMHEHENCTACNJNNNNNNN048Z00NNN |
| 83074610 | H1-B-110-A-A-E2-AA-N-B-TB-VS-DS-S-N-NN-NN-045-Z-00-NNN | H1B110AAE2AANBTBVSDSSNNNNN045Z00NNN |
| 83074701 | H1-B-110-A-A-DH-MA-I-B-PB-DN-JN-N-N-NN-NP-045-N-16-NNN | H1B110AADHMAIBPBDNJNNNNNNP045N16NNN |
| 83074723 | H1-B-110-A-A-M1-CA-N-B-RL-DS-JS-S-A-15-NP-022-N-00-NNN | H1B110AAM1CANBRLDSJSSA15NP022N00NNN |
| 83075302 | H1-B-110-A-A-L2-BA-N-B-PA-CS-KS-B-A-10-NP-MB0-N-00-NNN | H1B110AAL2BANBPACSKSBA10NPMB0N00NNN |
| 83075380 | H1-B-110-A-A-L2-BA-N-A-PB-DS-KS-S-A-15-NP-043-N-00-NNN | H1B110AAL2BANAPBDSKSSA15NP043N00NNN |
| 83075573 | H1-B-110-A-A-T2-D2-N-A-TA-VN-EN-N-B-10-NN-058-Z-26-NNN | H1B110AAT2D2NATAVNENNB10NN058Z26NNN |
| 83075703 | H1-B-110-A-A-L2-BA-N-A-PB-DN-JN-N-A-15-NP-074-N-00-NNN | H1B110AAL2BANAPBDNJNNA15NP074N00NNN |
| 83075716 | H1-B-110-A-A-K1-K1-N-B-RB-DS-KS-B-A-10-NP-052-N-36-NNN | H1B110AAK1K1NBRBDSKSBA10NP052N36NNN |
| 83075717 | H1-B-110-A-A-K1-K1-N-B-RB-DS-KS-B-A-10-NP-067-N-36-NNN | H1B110AAK1K1NBRBDSKSBA10NP067N36NNN |
| 83075819 | H1-B-110-A-A-M2-CA-N-A-RA-VS-ES-S-N-NN-NP-MB0-N-00-NNN | H1B110AAM2CANARAVSESSNNNNPMB0N00NNN |
| 83075984 | H1-B-110-A-A-TA-DA-N-B-TA-VS-ES-P-N-NN-NN-074-Z-22-NNN | H1B110AATADANBTAVSESPNNNNN074Z22NNN |
| 83076013 | H1-B-110-A-A-L2-BA-N-A-PB-DS-JS-B-A-15-NP-074-N-00-NNN | H1B110AAL2BANAPBDSJSBA15NP074N00NNN |
| 83076019 | H1-B-110-A-A-L1-BA-N-B-PB-VN-EN-N-B-10-NP-035-N-00-NNN | H1B110AAL1BANBPBVNENNB10NP035N00NNN |
| 83076026 | H1-B-110-A-A-HE-HE-N-B-TB-DN-KN-N-A-15-NN-035-Z-00-NNN | H1B110AAHEHENBTBDNKNNA15NN035Z00NNN |
| 83076041 | H1-B-110-A-A-L1-BA-N-B-PB-DS-JS-S-A-15-NP-060-N-00-NNN | H1B110AAL1BANBPBDSJSSA15NP060N00NNN |
| 83076065 | H1-B-110-A-A-HE-HE-N-B-TB-DN-JN-N-A-10-NN-035-Z-00-NNN | H1B110AAHEHENBTBDNJNNA10NN035Z00NNN |
| 83076239 | H1-B-110-A-A-E1-AA-N-B-TB-VN-DN-N-A-15-NN-045-Z-00-NNN | H1B110AAE1AANBTBVNDNNA15NN045Z00NNN |
| 83076250 | H1-B-110-A-A-L1-BA-N-B-PA-CS-JS-S-A-15-NP-033-N-00-NNN | H1B110AAL1BANBPACSJSSA15NP033N00NNN |
| 83076450 | H1-B-110-A-A-E2-AA-N-B-TB-CN-JN-N-A-10-NN-041-Z-00-NNN | H1B110AAE2AANBTBCNJNNA10NN041Z00NNN |
| 83076472 | H1-B-110-A-A-DH-MA-D-B-PA-DS-KS-B-A-10-NP-030-N-30-NNN | H1B110AADHMADBPADSKSBA10NP030N30NNN |
| 83076537 | H1-B-110-A-A-L1-BA-N-B-PA-VS-DS-S-B-15-NP-040-N-00-NNN | H1B110AAL1BANBPAVSDSSB15NP040N00NNN |
| 83076578 | H1-B-110-A-A-HE-HE-N-B-TA-DN-KN-N-A-10-NN-060-R-00-NNN | H1B110AAHEHENBTADNKNNA10NN060R00NNN |
| 83076740 | H1-B-110-A-A-TA-D2-N-B-TB-VS-ES-S-A-10-NN-055-Z-30-NNN | H1B110AATAD2NBTBVSESSA10NN055Z30NNN |
| 83076878 | H1-B-110-A-A-HE-HE-N-B-TB-CS-JS-P-A-10-NN-055-Z-00-NNN | H1B110AAHEHENBTBCSJSPA10NN055Z00NNN |
| 83076879 | H1-B-110-A-A-T1-D1-N-B-TA-DS-JS-S-A-10-NN-030-Z-20-NNN | H1B110AAT1D1NBTADSJSSA10NN030Z20NNN |
| 83076917 | H1-B-110-A-A-DH-MA-E-B-PB-VN-DN-N-A-10-NP-022-N-25-NNN | H1B110AADHMAEBPBVNDNNA10NP022N25NNN |
| 83077092 | H1-B-110-A-A-DH-MA-K-B-PB-VN-EN-N-A-10-NP-022-N-20-NNN | H1B110AADHMAKBPBVNENNA10NP022N20NNN |
| 83077113 | H1-B-110-A-A-E2-AA-N-B-TA-CS-JS-S-A-15-NN-074-Z-00-NNN | H1B110AAE2AANBTACSJSSA15NN074Z00NNN |
| 83077265 | H1-B-110-A-A-M2-CA-N-N-RA-DN-JN-N-A-10-NP-MB0-N-00-N06 | H1B110AAM2CANNRADNJNNA10NPMB0N00N06 |
| 83077312 | H1-B-110-A-A-E2-AA-N-B-TA-DN-JN-N-N-NN-NN-060-R-00-NNN | H1B110AAE2AANBTADNJNNNNNNN060R00NNN |
| 83077316 | H1-B-110-A-A-E2-AA-N-B-TB-DN-JN-N-N-NN-NN-060-R-00-NNN | H1B110AAE2AANBTBDNJNNNNNNN060R00NNN |
| 83077344 | H1-B-110-A-A-HE-HE-N-A-TA-VS-ES-S-A-10-NN-060-Z-00-NNN | H1B110AAHEHENATAVSESSA10NN060Z00NNN |
| 83077363 | H1-B-110-A-A-E1-AA-N-A-TB-CS-DS-S-A-15-NN-022-Z-00-NNN | H1B110AAE1AANATBCSDSSA15NN022Z00NNN |
| 83077419 | H1-B-110-A-A-L1-BA-N-N-PC-DS-JS-C-A-CA-NP-030-N-00-N09 | H1B110AAL1BANNPCDSJSCACANP030N00N09 |
| 83077440 | H1-B-110-A-A-HE-HE-N-A-TA-VN-KN-N-A-10-NN-055-Z-00-NNN | H1B110AAHEHENATAVNKNNA10NN055Z00NNN |
| 83077525 | H1-B-110-A-A-T1-D1-N-B-TA-DS-JS-S-A-10-NN-030-Z-19-NNN | H1B110AAT1D1NBTADSJSSA10NN030Z19NNN |
| 83077581 | H1-B-110-A-A-P1-G1-N-B-TA-DS-JS-S-A-15-NN-030-Z-24-NNN | H1B110AAP1G1NBTADSJSSA15NN030Z24NNN |
| 83077603 | H1-B-110-A-A-DH-MA-O-B-PB-DN-KN-N-N-NN-NP-055-N-13-NNN | H1B110AADHMAOBPBDNKNNNNNNP055N13NNN |
| 83077819 | H1-B-110-A-A-E1-AA-N-B-TB-CS-JS-P-A-10-NN-029-Z-00-N01 | H1B110AAE1AANBTBCSJSPA10NN029Z00N01 |
| 83077820 | H1-B-110-A-A-E1-AA-N-B-TB-DS-KS-P-A-15-NN-043-Z-00-N01 | H1B110AAE1AANBTBDSKSPA15NN043Z00N01 |
| 83077879 | H1-B-110-A-A-TA-DA-N-B-TA-VS-ES-P-N-NN-NN-060-T-22-NNN | H1B110AATADANBTAVSESPNNNNN060T22NNN |
| 83078102 | H1-B-110-A-M-L2-BA-N-A-PB-DS-KS-S-A-15-NP-043-N-00-NNN | H1B110AML2BANAPBDSKSSA15NP043N00NNN |
| 83078152 | H1-B-110-A-A-LH-BA-O-B-PA-DN-JN-N-N-NN-NP-071-N-00-NNN | H1B110AALHBAOBPADNJNNNNNNP071N00NNN |
| 83078154 | H1-B-110-A-A-LH-BA-O-B-PA-VN-EN-N-N-NN-NP-070-N-00-NNN | H1B110AALHBAOBPAVNENNNNNNP070N00NNN |
| 83078736 | H1-B-110-A-A-DH-MH-L-A-PA-DN-JN-N-N-NN-NP-048-N-26-NNN | H1B110AADHMHLAPADNJNNNNNNP048N26NNN |
| 83078762 | H1-B-110-A-A-M1-CA-N-A-RA-DS-KS-S-A-15-NP-026-N-00-NNN | H1B110AAM1CANARADSKSSA15NP026N00NNN |
| 83078763 | H1-B-110-A-A-P1-D1-N-C-TA-DS-KS-S-A-15-NN-026-Z-24-NNN | H1B110AAP1D1NCTADSKSSA15NN026Z24NNN |
| 83078887 | H1-B-110-A-A-L2-BA-N-A-PB-DS-KS-P-A-10-NP-050-N-00-NNN | H1B110AAL2BANAPBDSKSPA10NP050N00NNN |
| 83078971 | H1-B-110-A-A-L2-BA-N-A-PB-DN-KN-N-A-10-NP-050-N-00-NNN | H1B110AAL2BANAPBDNKNNA10NP050N00NNN |
| 83079039 | H1-B-110-A-A-E2-AA-N-B-TA-VS-DS-P-N-NN-NN-040-Z-00-NNN | H1B110AAE2AANBTAVSDSPNNNNN040Z00NNN |
| 83079069 | H1-B-110-A-A-TH-HA-N-B-TA-VN-JN-N-A-10-NN-053-Z-30-NNN | H1B110AATHHANBTAVNJNNA10NN053Z30NNN |
| 83079122 | H1-B-110-A-A-E1-AA-N-B-TB-VN-DN-N-A-10-NN-035-Z-00-NNN | H1B110AAE1AANBTBVNDNNA10NN035Z00NNN |
| 83079164 | H1-B-110-A-A-M1-CA-N-B-RA-DS-JS-S-A-15-NP-022-N-00-N14 | H1B110AAM1CANBRADSJSSA15NP022N00N14 |
| 83079243 | H1-B-110-A-A-P1-D1-N-A-TA-DS-JS-S-A-15-NN-034-Z-24-N11 | H1B110AAP1D1NATADSJSSA15NN034Z24N11 |
| 83079245 | H1-B-110-A-A-T2-DA-N-B-TA-DN-JN-N-A-10-NN-045-Z-20-NNN | H1B110AAT2DANBTADNJNNA10NN045Z20NNN |
| 83079556 | H1-B-110-A-A-T2-D2-N-B-TB-DN-JN-N-B-10-NN-040-Z-30-NNN | H1B110AAT2D2NBTBDNJNNB10NN040Z30NNN |
| 83079557 | H1-B-110-A-A-E2-AA-N-B-TB-DN-KN-N-B-10-NN-060-Z-00-NNN | H1B110AAE2AANBTBDNKNNB10NN060Z00NNN |
| 83080204 | H1-B-110-A-A-LH-BA-E-B-PB-VS-ES-B-A-10-NP-051-N-00-NNN | H1B110AALHBAEBPBVSESBA10NP051N00NNN |
| 83080261 | H1-B-110-A-A-T2-D2-N-B-TA-DS-JS-S-A-10-NN-040-Z-20-NNN | H1B110AAT2D2NBTADSJSSA10NN040Z20NNN |
| 83080332 | H1-B-110-A-A-LH-BA-E-B-PB-CS-JS-S-A-10-NP-055-N-00-NNN | H1B110AALHBAEBPBCSJSSA10NP055N00NNN |
| 83080439 | H1-B-110-A-M-L1-BA-N-B-PA-DS-JS-S-A-10-NP-027-N-00-NNN | H1B110AML1BANBPADSJSSA10NP027N00NNN |
| 83080510 | H1-B-110-A-A-TH-HA-N-B-TA-CS-JS-S-A-10-NN-022-Z-24-NNN | H1B110AATHHANBTACSJSSA10NN022Z24NNN |
| 83080874 | H1-B-110-A-A-K1-K1-N-B-RA-DS-JS-S-A-10-NP-030-N-22-NNN | H1B110AAK1K1NBRADSJSSA10NP030N22NNN |
| 83080932 | H1-B-110-A-A-L2-BA-N-B-PB-VS-ES-P-N-NN-NP-030-N-00-NNN | H1B110AAL2BANBPBVSESPNNNNP030N00NNN |
| 83080964 | H1-B-110-A-A-M1-CA-N-A-RA-CS-JS-S-G-15-NP-MB0-N-00-N28 | H1B110AAM1CANARACSJSSG15NPMB0N00N28 |
| 83081120 | H1-B-110-A-A-M1-CA-N-B-RA-DS-JS-S-A-10-NP-030-N-00-N17 | H1B110AAM1CANBRADSJSSA10NP030N00N17 |
| 83081133 | H1-B-110-A-A-HF-HF-N-B-TA-VN-DN-N-N-NN-NN-044-Z-00-NNN | H1B110AAHFHFNBTAVNDNNNNNNN044Z00NNN |
| 83081134 | H1-B-110-A-A-HF-HF-N-B-TA-VN-DN-N-N-NN-NN-055-Z-00-NNN | H1B110AAHFHFNBTAVNDNNNNNNN055Z00NNN |
| 83081251 | H1-B-110-A-A-DH-MA-O-B-PA-VN-DN-N-N-NN-NP-044-N-16-NNN | H1B110AADHMAOBPAVNDNNNNNNP044N16NNN |
| 83081289 | H1-B-110-A-A-M1-CA-N-N-RA-DN-JN-N-A-10-NP-MB0-N-00-N06 | H1B110AAM1CANNRADNJNNA10NPMB0N00N06 |
| 83081298 | H1-B-110-A-A-L2-BA-N-A-PB-VS-ES-S-A-15-NP-MB0-N-00-NNN | H1B110AAL2BANAPBVSESSA15NPMB0N00NNN |
| 83081303 | H1-B-110-A-A-DH-MA-O-B-PA-VN-DN-N-N-NN-NP-055-N-16-NNN | H1B110AADHMAOBPAVNDNNNNNNP055N16NNN |
| 83081307 | H1-B-110-A-A-T1-G1-N-C-TA-DS-JS-S-A-10-NN-022-Z-20-N06 | H1B110AAT1G1NCTADSJSSA10NN022Z20N06 |
| 83081350 | H1-B-110-A-A-HE-HE-N-B-TB-VN-EN-N-N-NN-NN-055-Z-00-NNN | H1B110AAHEHENBTBVNENNNNNNN055Z00NNN |
| 83081432 | H1-B-110-A-A-L2-BA-N-B-PB-DS-JS-S-A-10-NP-028-N-00-NNN | H1B110AAL2BANBPBDSJSSA10NP028N00NNN |
| 83081442 | H1-B-110-A-A-NB-NT-N-N-TB-VS-DS-B-A-20-NN-000-Z-00-NNN | H1B110AANBNTNNTBVSDSBA20NN000Z00NNN |
| 83081619 | H1-B-110-A-A-E2-AA-N-A-TB-VN-DN-N-A-15-NN-022-Z-00-NNN | H1B110AAE2AANATBVNDNNA15NN022Z00NNN |
| 83081737 | H1-B-110-A-A-T1-G1-N-C-TA-DS-JS-S-A-15-NN-022-Z-20-NNN | H1B110AAT1G1NCTADSJSSA15NN022Z20NNN |
| 83081757 | H1-B-110-A-A-T1-G1-N-C-TA-DS-JS-S-A-15-NN-022-Z-20-N06 | H1B110AAT1G1NCTADSJSSA15NN022Z20N06 |
| 83081803 | H1-B-110-A-A-T2-DA-N-B-TB-VN-DN-N-A-10-NN-071-Z-30-NNN | H1B110AAT2DANBTBVNDNNA10NN071Z30NNN |
| 83081860 | H1-B-110-A-A-T2-D2-N-A-TA-DS-JS-S-A-10-NN-040-Z-20-NNN | H1B110AAT2D2NATADSJSSA10NN040Z20NNN |
| 83082002 | H1-B-110-A-A-TA-DA-N-B-TB-VN-EN-N-A-15-NN-074-Z-20-NNN | H1B110AATADANBTBVNENNA15NN074Z20NNN |
| 83082142 | H1-B-110-A-A-LH-BA-D-B-PA-VN-EN-N-A-15-NP-030-N-00-NNN | H1B110AALHBADBPAVNENNA15NP030N00NNN |
| 83082400 | H1-B-110-A-A-HE-HE-N-C-TA-DN-JN-N-A-10-NN-032-Z-00-NNN | H1B110AAHEHENCTADNJNNA10NN032Z00NNN |
| 83082449 | H1-B-110-A-A-D2-MA-N-A-PA-VN-DN-N-N-NN-NP-022-N-17-NNN | H1B110AAD2MANAPAVNDNNNNNNP022N17NNN |
| 83082498 | H1-B-110-A-A-DH-MA-D-B-PA-VN-EN-N-N-NN-NP-042-N-23-NNN | H1B110AADHMADBPAVNENNNNNNP042N23NNN |
| 83082569 | H1-B-110-A-A-D2-MA-N-A-PA-VN-DN-N-N-NN-NP-070-N-26-NNN | H1B110AAD2MANAPAVNDNNNNNNP070N26NNN |
| 83082696 | H1-B-110-A-A-DH-MA-D-B-PA-VS-ES-P-N-NN-NP-042-N-23-NNN | H1B110AADHMADBPAVSESPNNNNP042N23NNN |
| 83082702 | H1-B-110-A-A-HF-HF-N-B-TA-VN-JN-N-A-10-NN-053-Z-00-NNN | H1B110AAHFHFNBTAVNJNNA10NN053Z00NNN |
| 83082751 | H1-B-110-A-A-K2-K2-N-B-RB-VS-DS-S-A-10-NP-074-N-25-NNN | H1B110AAK2K2NBRBVSDSSA10NP074N25NNN |
| 83082878 | H1-B-110-A-A-L1-BA-N-N-PA-DS-KS-S-A-30-NP-022-N-00-NNN | H1B110AAL1BANNPADSKSSA30NP022N00NNN |
| 83083050 | H1-B-110-A-A-E1-AA-N-C-TA-CN-JN-N-N-NN-NN-050-U-00-NNN | H1B110AAE1AANCTACNJNNNNNNN050U00NNN |
| 83083125 | H1-B-110-A-A-HE-HE-N-A-TA-VN-EN-N-N-NN-NN-074-Z-00-NNN | H1B110AAHEHENATAVNENNNNNNN074Z00NNN |
| 83083157 | H1-B-110-A-A-HE-HE-N-C-TA-CN-JN-N-A-10-NN-034-Z-00-NNN | H1B110AAHEHENCTACNJNNA10NN034Z00NNN |
| 83083452 | H1-B-110-A-A-M1-CA-N-B-RA-DS-KS-S-A-10-NP-022-N-00-NNN | H1B110AAM1CANBRADSKSSA10NP022N00NNN |
| 83083590 | H1-B-110-A-A-T1-DA-N-B-TB-VN-EN-N-A-10-NN-050-Z-24-NNN | H1B110AAT1DANBTBVNENNA10NN050Z24NNN |
| 83083597 | H1-B-110-A-A-E2-AA-N-A-TA-DS-JS-S-N-NN-NN-060-R-00-NNN | H1B110AAE2AANATADSJSSNNNNN060R00NNN |
| 83083598 | H1-B-110-A-A-E2-AA-N-A-TB-DS-JS-S-N-NN-NN-060-R-00-NNN | H1B110AAE2AANATBDSJSSNNNNN060R00NNN |
| 83083746 | H1-B-110-A-A-T1-G1-N-A-TL-DS-JS-B-A-15-NN-027-Z-20-NNN | H1B110AAT1G1NATLDSJSBA15NN027Z20NNN |
| 83083958 | H1-B-110-A-A-TA-DA-N-B-TB-DN-JN-N-N-NN-NN-070-Z-27-NNN | H1B110AATADANBTBDNJNNNNNNN070Z27NNN |
| 83084023 | H1-B-110-A-A-HE-HE-N-B-TB-VN-DN-N-A-10-NN-060-Z-00-NNN | H1B110AAHEHENBTBVNDNNA10NN060Z00NNN |
| 83084027 | H1-B-110-A-A-D1-MA-N-B-PA-CS-JS-S-A-10-NP-062-N-19-NNN | H1B110AAD1MANBPACSJSSA10NP062N19NNN |
| 83084138 | H1-B-110-A-A-TH-HA-N-A-TA-CN-EN-N-A-10-NN-024-Z-26-NNN | H1B110AATHHANATACNENNA10NN024Z26NNN |
| 83084381 | H1-B-110-A-A-TH-HA-N-A-TA-VN-EN-N-A-10-NN-025-Z-26-NNN | H1B110AATHHANATAVNENNA10NN025Z26NNN |
| 83084425 | H1-B-110-A-A-E1-AA-N-C-TA-CN-JN-N-N-NN-NN-055-Z-00-NNN | H1B110AAE1AANCTACNJNNNNNNN055Z00NNN |
| 83084469 | H1-B-110-A-A-T1-AD-N-B-TA-VS-ES-S-A-10-NN-042-Z-19-NNN | H1B110AAT1ADNBTAVSESSA10NN042Z19NNN |
| 83084470 | H1-B-110-A-A-T1-BD-N-B-TA-VS-ES-S-A-10-NN-042-Z-19-NNN | H1B110AAT1BDNBTAVSESSA10NN042Z19NNN |
| 83084496 | H1-B-110-A-A-L1-BA-N-B-PB-VN-EN-N-N-NN-NP-074-N-00-NNN | H1B110AAL1BANBPBVNENNNNNNP074N00NNN |
| 83084497 | H1-B-110-A-A-L1-BA-N-B-PB-VS-ES-S-N-NN-NP-074-N-00-NNN | H1B110AAL1BANBPBVSESSNNNNP074N00NNN |
| 83084545 | H1-B-110-A-A-M2-CA-N-A-RA-DS-JS-S-A-15-NP-028-N-00-NNN | H1B110AAM2CANARADSJSSA15NP028N00NNN |
| 83085155 | H1-B-110-A-A-L2-BA-N-B-PB-CS-JS-P-A-10-NP-039-N-00-NNN | H1B110AAL2BANBPBCSJSPA10NP039N00NNN |
| 83085264 | H1-B-110-A-A-TA-DA-N-B-TA-VN-DN-N-A-15-NN-068-Z-18-NNN | H1B110AATADANBTAVNDNNA15NN068Z18NNN |
| 83085594 | H1-B-110-A-A-T1-D1-N-B-TA-DS-JS-S-A-15-NN-023-Z-30-NNN | H1B110AAT1D1NBTADSJSSA15NN023Z30NNN |
| 83085868 | H1-B-110-A-A-LH-BA-F-C-PB-VN-EN-N-N-NN-NP-054-N-00-NNN | H1B110AALHBAFCPBVNENNNNNNP054N00NNN |
| 83086171 | H1-B-110-A-A-K1-K1-N-B-RA-DN-JN-N-A-10-NP-027-N-25-NNN | H1B110AAK1K1NBRADNJNNA10NP027N25NNN |
| 83086219 | H1-B-110-A-A-P1-D1-N-B-TL-DS-JS-S-B-15-NN-030-Z-24-NNN | H1B110AAP1D1NBTLDSJSSB15NN030Z24NNN |
| 83086309 | H1-B-110-A-A-E1-AA-N-B-TA-VN-EN-N-A-10-NN-074-Z-00-NNN | H1B110AAE1AANBTAVNENNA10NN074Z00NNN |
| 83086417 | H1-B-110-A-A-E2-AA-N-B-TB-DN-KN-N-N-NN-NN-074-Z-00-NNN | H1B110AAE2AANBTBDNKNNNNNNN074Z00NNN |
| 83086424 | H1-B-110-A-A-M2-CA-N-B-RA-CS-JS-S-A-10-NP-032-N-00-NNN | H1B110AAM2CANBRACSJSSA10NP032N00NNN |
| 83086550 | H1-B-110-A-A-L2-BA-N-A-PB-DS-KS-B-B-15-NP-031-N-00-NNN | H1B110AAL2BANAPBDSKSBB15NP031N00NNN |
| 83086551 | H1-B-110-A-A-L2-BA-N-A-PA-DS-KS-B-B-15-NP-045-N-00-NNN | H1B110AAL2BANAPADSKSBB15NP045N00NNN |
| 83086690 | H1-B-110-A-A-L2-BA-N-B-PA-DS-KS-S-A-10-NP-022-N-00-NNN | H1B110AAL2BANBPADSKSSA10NP022N00NNN |
| 83086708 | H1-B-110-A-A-P2-D2-N-B-TA-DS-DS-S-A-10-NN-030-Z-24-NNN | H1B110AAP2D2NBTADSDSSA10NN030Z24NNN |
| 83086709 | H1-B-110-A-A-P2-D2-N-B-TA-DN-DN-N-A-10-NN-030-Z-24-NNN | H1B110AAP2D2NBTADNDNNA10NN030Z24NNN |
| 83086729 | H1-B-110-A-A-M1-CA-N-B-RA-DS-JS-S-A-15-NP-034-N-00-NNN | H1B110AAM1CANBRADSJSSA15NP034N00NNN |
| 83086790 | H1-B-110-A-A-M1-CA-N-A-RA-DN-JN-N-A-15-NP-000-N-00-NNN | H1B110AAM1CANARADNJNNA15NP000N00NNN |
| 83086953 | H1-B-110-A-A-P1-D1-N-A-TA-DS-JS-S-A-15-NN-AA9-Z-24-N11 | H1B110AAP1D1NATADSJSSA15NNAA9Z24N11 |
| 83087244 | H1-B-110-A-A-T1-G1-N-A-TA-DS-JS-S-A-15-NN-027-Z-20-NNN | H1B110AAT1G1NATADSJSSA15NN027Z20NNN |
| 83087326 | H1-B-110-A-A-T1-G1-N-A-TA-DS-JS-S-A-15-NN-025-Z-16-NNN | H1B110AAT1G1NATADSJSSA15NN025Z16NNN |
| 83087487 | H1-B-110-A-M-L1-BA-N-C-PA-DS-JS-S-A-10-NP-MB0-N-00-NNN | H1B110AML1BANCPADSJSSA10NPMB0N00NNN |
| 83087543 | H1-B-110-A-A-L2-BA-N-A-PA-DS-KS-B-B-10-NP-045-N-00-NNN | H1B110AAL2BANAPADSKSBB10NP045N00NNN |
| 83087699 | H1-B-110-A-A-L2-BA-N-B-PA-DS-JS-S-A-10-NP-033-N-00-NNN | H1B110AAL2BANBPADSJSSA10NP033N00NNN |
| 83088215 | H1-B-110-A-A-L1-BA-N-B-PB-VS-ES-S-N-NN-NP-022-N-00-NNN | H1B110AAL1BANBPBVSESSNNNNP022N00NNN |
| 83088325 | H1-B-110-A-A-P2-D2-N-B-TB-DS-JS-S-A-10-NN-025-Z-24-NNN | H1B110AAP2D2NBTBDSJSSA10NN025Z24NNN |
| 83088516 | H1-B-110-A-A-HE-HE-N-B-TB-VS-DS-S-A-10-NN-030-Z-00-NNN | H1B110AAHEHENBTBVSDSSA10NN030Z00NNN |
| 83088596 | H1-B-110-A-A-TA-G2-N-B-TB-VS-ES-S-A-10-NN-055-Z-30-NNN | H1B110AATAG2NBTBVSESSA10NN055Z30NNN |
| 83088944 | H1-B-110-A-A-HE-HE-N-B-TB-VS-DS-S-A-10-NN-046-Z-00-NNN | H1B110AAHEHENBTBVSDSSA10NN046Z00NNN |
| 83089131 | H1-B-110-A-A-L2-BA-N-B-PA-VS-DS-S-N-NN-NP-068-N-00-NNN | H1B110AAL2BANBPAVSDSSNNNNP068N00NNN |
| 83089224 | H1-B-110-A-A-K1-K1-N-A-RA-DS-JS-S-A-10-NP-028-N-30-NNN | H1B110AAK1K1NARADSJSSA10NP028N30NNN |
| 83089225 | H1-B-110-A-A-L1-BA-N-A-PA-DS-JS-S-A-10-NP-028-N-00-NNN | H1B110AAL1BANAPADSJSSA10NP028N00NNN |
| 83089263 | H1-B-110-A-A-L2-BA-N-B-PA-VS-DS-S-B-20-NP-068-N-00-NNN | H1B110AAL2BANBPAVSDSSB20NP068N00NNN |
| 83089332 | H1-B-110-A-A-L2-BA-N-B-PA-VS-DS-B-N-NN-NP-068-N-00-NNN | H1B110AAL2BANBPAVSDSBNNNNP068N00NNN |
| 83089818 | H1-B-110-A-A-M1-CA-N-A-RA-DN-KN-N-A-15-NP-MB0-N-00-N06 | H1B110AAM1CANARADNKNNA15NPMB0N00N06 |
| 83089877 | H1-B-110-A-A-D2-MA-N-A-PA-DS-JS-S-N-NN-NP-060-B-16-NNN | H1B110AAD2MANAPADSJSSNNNNP060B16NNN |
| 83090078 | H1-B-110-A-A-K2-K2-N-B-RA-VS-DS-S-A-10-NP-043-N-27-NNN | H1B110AAK2K2NBRAVSDSSA10NP043N27NNN |
| 83090178 | H1-B-110-A-A-L2-BA-N-B-PA-VS-ES-P-N-NN-NP-030-N-00-NNN | H1B110AAL2BANBPAVSESPNNNNP030N00NNN |
| 83090201 | H1-B-110-A-A-K2-KA-N-B-RB-DN-KN-N-A-10-NP-060-N-30-NNN | H1B110AAK2KANBRBDNKNNA10NP060N30NNN |
| 83090297 | H1-B-110-A-A-DH-MA-F-B-PA-VN-DN-N-N-NN-NP-060-N-26-NNN | H1B110AADHMAFBPAVNDNNNNNNP060N26NNN |
| 83090413 | H1-B-110-A-A-TA-DA-N-B-TB-VN-EN-N-A-15-NN-064-Z-26-NNN | H1B110AATADANBTBVNENNA15NN064Z26NNN |
| 83090659 | H1-B-110-A-A-E2-AA-N-B-TB-VN-DN-N-N-NN-NN-039-Z-00-NNN | H1B110AAE2AANBTBVNDNNNNNNN039Z00NNN |
| 83090704 | H1-B-110-A-M-L1-BA-N-A-PA-VS-DS-B-A-15-NP-MB0-N-00-NNN | H1B110AML1BANAPAVSDSBA15NPMB0N00NNN |
| 83090843 | H1-B-110-A-A-L1-BA-N-B-PA-CS-JS-B-A-10-NP-045-N-00-NNN | H1B110AAL1BANBPACSJSBA10NP045N00NNN |
| 83090857 | H1-B-110-A-A-T2-DA-N-C-TA-DN-KN-N-A-10-NN-070-Z-16-NNN | H1B110AAT2DANCTADNKNNA10NN070Z16NNN |
| 83090870 | H1-B-110-A-A-T2-DA-N-C-TA-DN-KN-N-N-NN-NN-070-Z-16-NNN | H1B110AAT2DANCTADNKNNNNNNN070Z16NNN |
| 83090896 | H1-B-110-A-A-M1-CA-N-B-RA-DS-JS-S-A-15-NP-039-N-00-NNN | H1B110AAM1CANBRADSJSSA15NP039N00NNN |
| 83090897 | H1-B-110-A-A-M1-CA-N-B-RA-DS-JS-S-A-15-NP-052-N-00-NNN | H1B110AAM1CANBRADSJSSA15NP052N00NNN |
| 83090974 | H1-B-110-A-A-T1-G1-N-C-TA-DS-JS-S-A-15-NN-022-Z-22-N06 | H1B110AAT1G1NCTADSJSSA15NN022Z22N06 |
| 83091273 | H1-B-110-A-A-M1-CA-N-N-RA-DN-JN-N-A-15-NP-MB0-N-00-NNN | H1B110AAM1CANNRADNJNNA15NPMB0N00NNN |
| 83091397 | H1-B-110-A-A-HE-HE-N-B-TB-VN-EN-N-A-10-NN-074-Z-00-NNN | H1B110AAHEHENBTBVNENNA10NN074Z00NNN |
| 83091486 | H1-B-110-A-A-D1-MA-N-C-PA-VS-DS-S-N-NN-NP-022-N-30-NNN | H1B110AAD1MANCPAVSDSSNNNNP022N30NNN |
| 83091490 | H1-B-110-A-A-D1-MA-N-C-PA-DS-KS-S-N-NN-NP-022-N-30-NNN | H1B110AAD1MANCPADSKSSNNNNP022N30NNN |
| 83091521 | H1-B-110-A-A-T2-D2-N-B-TB-VN-DN-N-A-10-NN-065-Z-25-NNN | H1B110AAT2D2NBTBVNDNNA10NN065Z25NNN |
| 83091613 | H1-B-110-A-A-T2-D2-N-B-TB-VN-DN-N-A-05-NN-065-Z-25-NNN | H1B110AAT2D2NBTBVNDNNA05NN065Z25NNN |
| 83091880 | H1-B-110-A-A-M1-CA-N-B-RL-DS-JS-S-A-15-NP-022-N-00-N31 | H1B110AAM1CANBRLDSJSSA15NP022N00N31 |
| 83091898 | H1-B-110-A-A-HE-HE-N-B-TA-VN-DN-N-N-NN-NN-044-Z-00-NNN | H1B110AAHEHENBTAVNDNNNNNNN044Z00NNN |
| 83091922 | H1-B-110-A-A-DH-MA-F-B-PB-VN-DN-N-N-NN-NP-060-N-26-NNN | H1B110AADHMAFBPBVNDNNNNNNP060N26NNN |
| 83091942 | H1-B-110-A-A-E1-AA-N-B-TB-VN-DN-N-A-10-NN-022-Z-00-NNN | H1B110AAE1AANBTBVNDNNA10NN022Z00NNN |
| 83091966 | H1-B-110-A-A-F1-EA-N-B-TB-VN-DN-N-A-10-NN-022-Z-00-NNN | H1B110AAF1EANBTBVNDNNA10NN022Z00NNN |
| 83091971 | H1-B-110-A-A-L2-BA-N-A-PB-VS-ES-P-N-NN-NP-040-N-00-NNN | H1B110AAL2BANAPBVSESPNNNNP040N00NNN |
| 83091980 | H1-B-110-A-A-TH-HA-N-B-TB-CN-JN-N-A-10-NN-050-Z-20-NNN | H1B110AATHHANBTBCNJNNA10NN050Z20NNN |
| 83091991 | H1-B-110-A-A-E1-AA-N-A-TB-VS-ES-S-A-15-NN-050-Z-00-NNN | H1B110AAE1AANATBVSESSA15NN050Z00NNN |
| 83092064 | H1-B-110-A-A-L1-BA-N-A-PA-VS-ES-B-A-10-NP-068-N-00-NNN | H1B110AAL1BANAPAVSESBA10NP068N00NNN |
| 83092122 | H1-B-110-A-A-L1-BA-N-B-PA-CN-JN-N-A-10-NP-MB0-N-00-N28 | H1B110AAL1BANBPACNJNNA10NPMB0N00N28 |
| 83092174 | H1-B-110-A-A-LH-BA-O-B-PB-VN-EN-N-N-NN-NP-030-N-00-NNN | H1B110AALHBAOBPBVNENNNNNNP030N00NNN |
| 83092312 | H1-B-110-A-M-L1-BA-N-A-PA-VS-DS-S-A-15-NP-MB0-N-00-NNN | H1B110AML1BANAPAVSDSSA15NPMB0N00NNN |
| 83092798 | H1-B-110-A-A-E2-AA-N-B-TB-DN-KN-N-A-10-NN-035-Z-00-NNN | H1B110AAE2AANBTBDNKNNA10NN035Z00NNN |
| 83092872 | H1-B-110-A-A-TH-HA-N-B-TA-VN-JN-N-A-10-NN-053-Z-30-N05 | H1B110AATHHANBTAVNJNNA10NN053Z30N05 |
| 83092878 | H1-B-110-A-A-TH-HA-N-B-TA-VN-JN-N-A-10-NN-053-Z-31-N05 | H1B110AATHHANBTAVNJNNA10NN053Z31N05 |
| 83092971 | H1-B-110-A-A-E2-AA-N-A-TB-VN-DN-N-A-15-NN-070-Q-00-NNN | H1B110AAE2AANATBVNDNNA15NN070Q00NNN |
| 83093041 | H1-B-110-A-A-HE-HE-N-B-TB-VN-EN-N-N-NN-NN-023-Z-00-NNN | H1B110AAHEHENBTBVNENNNNNNN023Z00NNN |
| 83093068 | H1-B-110-A-A-HE-HE-N-C-TB-CS-JS-S-A-10-NN-030-R-00-N04 | H1B110AAHEHENCTBCSJSSA10NN030R00N04 |
| 83093209 | H1-B-110-A-A-HE-HE-N-C-TB-CS-JS-B-A-10-NN-030-R-00-N04 | H1B110AAHEHENCTBCSJSBA10NN030R00N04 |
| 83093227 | H1-B-110-A-A-HF-HF-N-B-TB-CN-JN-N-B-10-NN-022-Z-00-NNN | H1B110AAHFHFNBTBCNJNNB10NN022Z00NNN |
| 83093228 | H1-B-110-A-A-NB-NT-N-N-TA-VN-EN-N-N-NN-NN-MB0-Z-00-NNN | H1B110AANBNTNNTAVNENNNNNNNMB0Z00NNN |
| 83093229 | H1-B-110-A-A-NB-NT-N-N-TA-VN-EN-N-N-NN-NN-MB0-U-00-NNN | H1B110AANBNTNNTAVNENNNNNNNMB0U00NNN |
| 83093249 | H1-B-110-A-A-LH-BA-T-C-PA-VN-EN-N-N-NN-NP-050-N-00-NNN | H1B110AALHBATCPAVNENNNNNNP050N00NNN |
| 83093297 | H1-B-110-A-A-L1-BA-N-B-PA-DS-JS-S-A-15-NP-060-N-00-NNN | H1B110AAL1BANBPADSJSSA15NP060N00NNN |
| 83093321 | H1-B-110-A-A-HF-HF-N-B-TB-CN-JN-N-N-NN-NN-066-Z-00-NNN | H1B110AAHFHFNBTBCNJNNNNNNN066Z00NNN |
| 83093376 | H1-B-110-A-A-TA-DA-N-B-TB-DN-DN-N-A-10-NN-050-U-29-NNN | H1B110AATADANBTBDNDNNA10NN050U29NNN |
| 83093496 | H1-B-110-A-A-HE-HE-N-B-TB-CS-JS-P-A-10-NN-022-Z-00-NNN | H1B110AAHEHENBTBCSJSPA10NN022Z00NNN |
| 83093510 | H1-B-110-A-A-E2-AA-N-B-TA-DN-KN-N-A-10-NN-060-Z-00-NNN | H1B110AAE2AANBTADNKNNA10NN060Z00NNN |
| 83093545 | H1-B-110-A-A-E2-AA-N-B-TB-DN-KN-N-A-10-NN-022-Z-00-NNN | H1B110AAE2AANBTBDNKNNA10NN022Z00NNN |
| 83093621 | H1-B-110-A-A-LH-BA-B-B-PA-DN-KN-N-N-NN-NP-055-N-00-NNN | H1B110AALHBABBPADNKNNNNNNP055N00NNN |
| 83093844 | H1-B-110-A-A-L2-BA-N-A-PA-DS-KS-B-B-10-NP-026-N-00-NNN | H1B110AAL2BANAPADSKSBB10NP026N00NNN |
| 83093932 | H1-B-110-A-A-HE-HE-N-B-TA-CN-JN-N-N-NN-NN-050-Z-00-NNN | H1B110AAHEHENBTACNJNNNNNNN050Z00NNN |
| 83093993 | H1-B-110-A-A-TA-DA-N-B-TA-VN-DN-N-N-NN-NN-057-Z-24-NNN | H1B110AATADANBTAVNDNNNNNNN057Z24NNN |
| 83094147 | H1-B-110-A-A-E2-AA-N-B-TB-DS-KS-S-A-10-NN-035-Z-00-NNN | H1B110AAE2AANBTBDSKSSA10NN035Z00NNN |
| 83094200 | H1-B-110-A-A-HE-HE-N-B-TB-CS-JS-P-N-NN-NN-040-Z-00-NNN | H1B110AAHEHENBTBCSJSPNNNNN040Z00NNN |
| 83094314 | H1-B-110-A-A-P1-D1-N-A-TA-DN-JN-N-A-15-NN-048-Z-24-NNN | H1B110AAP1D1NATADNJNNA15NN048Z24NNN |
| 83094485 | H1-B-110-A-A-M2-CA-N-B-RB-DS-JS-P-A-15-NP-035-N-00-NNN | H1B110AAM2CANBRBDSJSPA15NP035N00NNN |
| 83094667 | H1-B-110-A-A-D2-M2-N-B-PB-DN-JN-N-A-15-NP-035-N-28-NNN | H1B110AAD2M2NBPBDNJNNA15NP035N28NNN |
| 83094713 | H1-B-110-A-A-TA-G1-N-B-TB-DS-JS-P-A-10-NN-022-Z-30-NNN | H1B110AATAG1NBTBDSJSPA10NN022Z30NNN |
| 83094717 | H1-B-110-A-A-T1-G1-N-A-TA-DS-KS-B-A-15-NN-035-Z-20-NNN | H1B110AAT1G1NATADSKSBA15NN035Z20NNN |
| 83095041 | H1-B-110-A-A-K2-KA-N-B-RB-DN-KN-N-B-10-NP-045-N-30-NNN | H1B110AAK2KANBRBDNKNNB10NP045N30NNN |
| 83095176 | H1-B-110-A-A-NB-NT-N-N-TB-VS-ES-S-A-20-NN-MB0-Z-00-NNN | H1B110AANBNTNNTBVSESSA20NNMB0Z00NNN |
| 83095187 | H1-B-110-A-A-L2-BA-N-A-PA-DS-JS-S-A-10-NP-027-N-00-NNN | H1B110AAL2BANAPADSJSSA10NP027N00NNN |
| 83095262 | H1-B-110-A-A-TA-DA-N-B-TB-VN-DN-N-A-10-NN-050-U-29-NNN | H1B110AATADANBTBVNDNNA10NN050U29NNN |
| 83095376 | H1-B-110-A-A-HE-HE-N-B-TA-VN-DN-N-N-NN-NN-055-Z-00-NNN | H1B110AAHEHENBTAVNDNNNNNNN055Z00NNN |
| 83095380 | H1-B-110-A-A-NB-NT-N-B-TB-DN-KN-N-A-20-NN-MB0-R-00-NNN | H1B110AANBNTNBTBDNKNNA20NNMB0R00NNN |